DTC DETECTING CONDITION: Immediately at fault recognition CAUTION: After servicing or replacing faulty parts, perform Clear Memory Mode Clear Memory Mode > OPERATION, and Inspection Mode Inspection Mode > PROCEDURE. WIRING DIAGRAM: • Engine Electrical System ENGINE TYPE FB (WITHOUT PUSH BUTTON START) Engine Electrical System > WIRING DIAGRAM • Engine Electrical System ENGINE TYPE FB (WITH PUSH BUTTON START) Engine Electrical System > WIRING DIAGRAM 
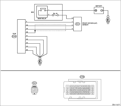
| STEP | CHECK | YES | NO | 1.CHECK POWER SUPPLY TO FRONT OXYGEN (A/F) SENSOR. 1) Turn the ignition switch to OFF. 2) Disconnect the connectors from front oxygen (A/F) sensor. 3) Turn the ignition switch to ON. 4) Measure the voltage between front oxygen (A/F) sensor connector and engine ground. Connector & terminal (E24) No. 2 (+) — Engine ground (−): | Is the voltage 10 V or more- | Diagnostic Procedure with Diagnostic Trouble Code (DTC) > DTC P0031 A/F / O2 HEATER CONTROL CIRCUIT LOW BANK 1 SENSOR 1 | Repair the power supply line. NOTE: In this case, repair the following item: • Open circuit in harness between A/F, oxygen sensor relay connector and front oxygen (A/F) sensor connector • Poor contact of A/F, oxygen sensor relay connector • Poor contact of coupling connector • Malfunction of A/F, oxygen sensor relay | 2.CHECK HARNESS BETWEEN ECM AND FRONT OXYGEN (A/F) SENSOR CONNECTOR. 1) Turn the ignition switch to OFF. 2) Disconnect the connector from ECM. 3) Measure the resistance between ECM connector and front oxygen (A/F) sensor connector. Connector & terminal (B158) No. 5 — (E24) No. 1: | Is the resistance less than 1 -- | Diagnostic Procedure with Diagnostic Trouble Code (DTC) > DTC P0031 A/F / O2 HEATER CONTROL CIRCUIT LOW BANK 1 SENSOR 1 | Repair the open circuit of harness between ECM connector and front oxygen (A/F) sensor connector. | 3.CHECK GROUND CIRCUIT FOR ECM. Measure the resistance of harness between ECM connector and chassis ground. Connector & terminal (E158) No. 61 — Chassis ground: (E158) No. 62 — Chassis ground: (E158) No. 63 — Chassis ground: (E158) No. 64 — Chassis ground: (E158) No. 65 — Chassis ground: | Is the resistance less than 5 -- | Diagnostic Procedure with Diagnostic Trouble Code (DTC) > DTC P0031 A/F / O2 HEATER CONTROL CIRCUIT LOW BANK 1 SENSOR 1 | Repair the open circuit in harness between ECM connector and engine ground. | 4.CHECK FRONT OXYGEN (A/F) SENSOR. Measure the resistance between front oxygen (A/F) sensor terminals. | Is the resistance 2 — 3 -- | Repair the poor contact of ECM connector. | Replace the front oxygen (A/F) sensor. Front Oxygen (A/F) Sensor |
1. OUTLINE OF DIAGNOSIS Detect front oxygen (A/F) sensor heater open or short circuit. The front oxygen (A/F) sensor heater performs duty control, and the output terminal voltage at ON is 0 V, and the output terminal voltage at OFF is the battery voltage. Judge as NG when the terminal voltage remains Low. 2. COMPONENT DESCRIPTION (A) | Battery voltage | (B) | Front oxygen (A/F) sensor heater output voltage | (C) | 128 ms | (D) | Low error | | | | |
3. EXECUTION CONDITION Secondary Parameters | Execution condition | Battery voltage | ≥ 10.9 V | Front oxygen (A/F) sensor heater control duty | < 87.5 % |
4. GENERAL DRIVING CYCLE Perform the diagnosis continuously after the enable conditions have been established. 5. DIAGNOSTIC METHOD If the duration of time while the following conditions are met is longer than the time indicated, judge as NG. Judgment ValueMalfunction Criteria | Threshold Value | Output voltage | < 0.66 V | Time Needed for Diagnosis: 1 second Malfunction Indicator Light Illumination: Illuminates as soon as a malfunction occurs. |