Honda Civic manuals

Subaru Legacy BN/BS (2015-2019) Service Manual: Dtc p0117 engine coolant temperature sensor 1 circuit low

DTC DETECTING CONDITION:

Immediately at fault recognition

TROUBLE SYMPTOM:

Hard to start

Improper idling

Poor driving performance

CAUTION:

After servicing or replacing faulty parts, perform Clear Memory Mode Clear Memory Mode > OPERATION, and Inspection Mode Inspection Mode > PROCEDURE.

WIRING DIAGRAM:

Engine Electrical System ENGINE TYPE FB (WITHOUT PUSH BUTTON START) Engine Electrical System > WIRING DIAGRAM

Engine Electrical System ENGINE TYPE FB (WITH PUSH BUTTON START) Engine Electrical System > WIRING DIAGRAM

STEPCHECKYESNO

1.CHECK CURRENT DATA.

1) Start the engine.

2) Read the value of «Coolant Temp.» using the Subaru Select Monitor or a general scan tool.

NOTE:

Subaru Select Monitor

For detailed operation procedures, refer to “Read Current Data For Engine”. Subaru Select Monitor

General scan tool

For detailed operation procedures, refer to the general scan tool operation manual.

Is the value of «Coolant Temp.» 120°C (248°F) or more-

Diagnostic Procedure with Diagnostic Trouble Code (DTC) > DTC P0117 ENGINE COOLANT TEMPERATURE SENSOR 1 CIRCUIT LOW

Even if DTC is detected, the circuit has returned to a normal condition at this time. Reproduce the failure, and then perform the diagnosis again.

NOTE:

In this case, temporary poor contact of connector, temporary open or short circuit of harness may be the cause.

2.CHECK HARNESS BETWEEN ECM AND ENGINE COOLANT TEMPERATURE SENSOR CONNECTOR.

1) Turn the ignition switch to OFF.

2) Disconnect the connectors from ECM and engine coolant temperature sensor.

3) Measure the resistance between ECM connector and chassis ground.

Connector & terminal

(E158) No. 43 — Chassis ground:

Is the resistance 1 M- or more-

Replace the engine coolant temperature sensor. Engine Coolant Temperature Sensor

Repair the short circuit to ground in harness between ECM connector and engine coolant temperature sensor connector.

1. OUTLINE OF DIAGNOSIS

Detect the open or short circuit of the engine coolant temperature sensor.

Judge as NG if out of specification.

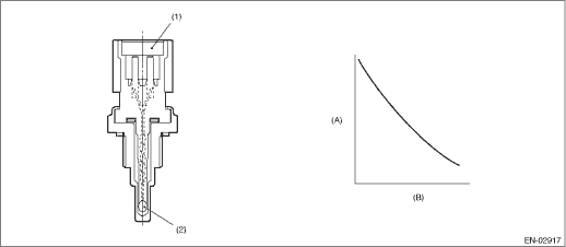
2. COMPONENT DESCRIPTION

(A)

Resistance value (k-)

(B)

Temperature °C (°F)

(1)

Connector

(2)

Thermistor element

3. EXECUTION CONDITION

Secondary Parameters

Execution condition

None

4. GENERAL DRIVING CYCLE

Always perform the diagnosis continuously.

5. DIAGNOSTIC METHOD

If the duration of time while the following conditions are met is longer than the time indicated, judge as NG.

Judgment Value

Malfunction Criteria

Threshold Value

Output voltage

< 0.349 V

Time Needed for Diagnosis: 500 ms

Malfunction Indicator Light Illumination: Illuminates as soon as a malfunction occurs.

Dtc p0118 engine coolant temperature sensor 1 circuit high
DTC DETECTING CONDITION:Immediately at fault recognitionTROUBLE SYMPTOM:• Hard to start• Improper idling• Poor driving performanceCAUTION:After servicing or replacing faulty parts, p ...

Dtc p0116 engine coolant temperature sensor 1 circuit range/performance
DTC DETECTING CONDITION:Detected when two consecutive driving cycles with fault occur.TROUBLE SYMPTOM:• Hard to start• Improper idling• Poor driving performanceCAUTION:After servicin ...

Other materials:

Dtc p0072 ambient air temperature sensor circuit "a" low
DTC DETECTING CONDITION:Immediately at fault recognitionSTEPCHECKYESNO1.CHECK DTC.Check for DTC. Read Diagnostic Trouble Code (DTC)Is P0072 or P0073 displayed in «Present fault»- Diagnostic Procedure with Diagnostic Trouble Code (DTC) > DTC P0072 AMBIENT AIR TEMPERATURE SENSOR CIRCUIT "A" LOWEven ...

© 2017-2026 Copyright www.sulegacy.com