Honda Civic manuals

Subaru Legacy BN/BS (2015-2019) Service Manual: Dtc p013c o2 sensor slow response - rich to lean bank 2 sensor 2

DTC DETECTING CONDITION:

Detected when two consecutive driving cycles with fault occur.

CAUTION:

After servicing or replacing faulty parts, perform Clear Memory Mode Clear Memory Mode > OPERATION, and Inspection Mode Inspection Mode > PROCEDURE.

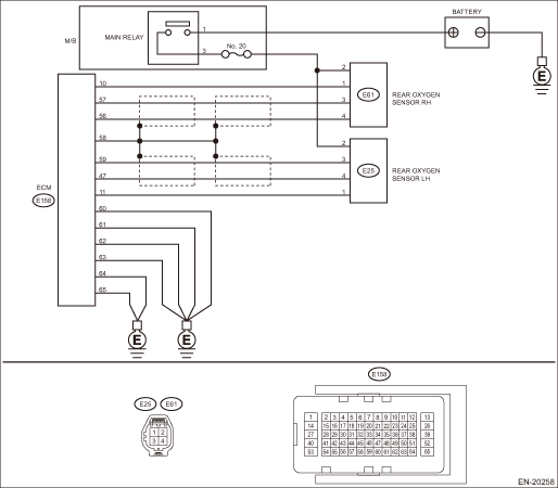
WIRING DIAGRAM:

Engine Electrical System ENGINE TYPE EZ (WITHOUT PUSH BUTTON START) Engine Electrical System > WIRING DIAGRAM

Engine Electrical System ENGINE TYPE EZ (WITH PUSH BUTTON START) Engine Electrical System > WIRING DIAGRAM

STEPCHECKYESNO

1.CHECK HARNESS BETWEEN ECM AND REAR OXYGEN SENSOR CONNECTOR.

1) Turn the ignition switch to OFF.

2) Disconnect the connector from ECM and rear oxygen sensor.

3) Measure the resistance of harness between ECM connector and rear oxygen sensor connector.

Connector & terminal

(E158) No. 59 — (E25) No. 3:

Is the resistance less than 1 --

Diagnostic Procedure with Diagnostic Trouble Code (DTC) > DTC P013C O2 SENSOR SLOW RESPONSE - RICH TO LEAN BANK 2 SENSOR 2

Repair the harness and connector.

NOTE:

In this case, repair the following item:

Open circuit in harness between ECM connector and rear oxygen sensor connector

Poor contact of coupling connector

2.CHECK HARNESS BETWEEN ECM AND REAR OXYGEN SENSOR CONNECTOR.

Measure the resistance between rear oxygen sensor connector and chassis ground.

Connector & terminal

(E25) No. 3 — Chassis ground:

Is the resistance 1 M- or more-

Diagnostic Procedure with Diagnostic Trouble Code (DTC) > DTC P013C O2 SENSOR SLOW RESPONSE - RICH TO LEAN BANK 2 SENSOR 2

Repair the short circuit to ground in harness between ECM connector and rear oxygen sensor connector.

3.CHECK REAR OXYGEN SENSOR.

Measure the resistance between rear oxygen sensor terminals.

Terminals

No. 3 — No. 4:

Is the resistance less than 1 --

Replace the rear oxygen sensor. Rear Oxygen Sensor

Even if DTC is detected, the circuit has returned to a normal condition at this time. Reproduce the failure, and then perform the diagnosis again.

NOTE:

In this case, temporary poor contact of connector, temporary open or short circuit of harness may be the cause.

1. OUTLINE OF DIAGNOSIS

NOTE:

For the detection standard, refer to DTC P013A. Diagnostic Procedure with Diagnostic Trouble Code (DTC) > DTC P013A O2 SENSOR SLOW RESPONSE - RICH TO LEAN BANK 1 SENSOR 2

Dtc p013d o2 sensor slow response - lean to rich bank 2 sensor 2
NOTE:For the diagnostic procedure, refer to DTC P013C. Diagnostic Procedure with Diagnostic Trouble Code (DTC) > DTC P013C O2 SENSOR SLOW RESPONSE - RICH TO LEAN BANK 2 SENSOR 21. OUTLINE OF DIAGNOSI ...

Dtc p0058 a/f / o2 heater control circuit low bank 2 sensor 2
DTC DETECTING CONDITION:Detected when two consecutive driving cycles with fault occur.CAUTION:After servicing or replacing faulty parts, perform Clear Memory Mode Clear Memory Mode > OPERATION, and I ...

Other materials:

Removal
WARNING:Place “NO OPEN FLAMES” signs near the working area.CAUTION:• Be careful not to spill fuel.• Catch the fuel from the tubes using a container or cloth.1. Release the fuel pressure. Fuel > PROCEDURE2. Drain fuel. Fuel > PROCEDURE3. Disconnect the ground terminal from b ...

© 2017-2026 Copyright www.sulegacy.com