Honda Civic manuals

Subaru Legacy BN/BS (2015-2019) Service Manual: Dtc p0058 a/f / o2 heater control circuit low bank 2 sensor 2

DTC DETECTING CONDITION:

Detected when two consecutive driving cycles with fault occur.

CAUTION:

After servicing or replacing faulty parts, perform Clear Memory Mode Clear Memory Mode > OPERATION, and Inspection Mode Inspection Mode > PROCEDURE.

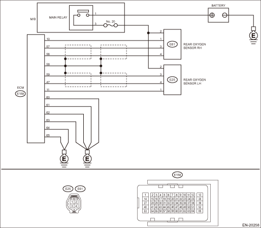
WIRING DIAGRAM:

Engine Electrical System ENGINE TYPE EZ (WITHOUT PUSH BUTTON START) Engine Electrical System > WIRING DIAGRAM

Engine Electrical System ENGINE TYPE EZ (WITH PUSH BUTTON START) Engine Electrical System > WIRING DIAGRAM

STEPCHECKYESNO

1.CHECK HARNESS BETWEEN ECM AND REAR OXYGEN SENSOR CONNECTOR.

1) Turn the ignition switch to OFF.

2) Measure the voltage between ECM connector and chassis ground.

Connector & terminal

(E158) No. 11 (+) — Chassis ground (−):

Is the voltage 10 V or more-

Repair the short circuit to power in the harness between ECM connector and rear oxygen sensor connector.

Diagnostic Procedure with Diagnostic Trouble Code (DTC) > DTC P0058 A/F / O2 HEATER CONTROL CIRCUIT LOW BANK 2 SENSOR 2

2.CHECK GROUND CIRCUIT FOR ECM.

1) Disconnect the connector from ECM.

2) Measure the resistance between ECM connector and chassis ground.

Connector & terminal

(E158) No. 60 — Chassis ground:

(E158) No. 61 — Chassis ground:

(E158) No. 62 — Chassis ground:

(E158) No. 63 — Chassis ground:

(E158) No. 64 — Chassis ground:

(E158) No. 65 — Chassis ground:

Is the resistance less than 5 --

Repair the poor contact of ECM connector.

Repair the open circuit in harness between ECM connector and engine ground.

1. OUTLINE OF DIAGNOSIS

NOTE:

For the detection standard, refer to DTC P0038. Diagnostic Procedure with Diagnostic Trouble Code (DTC) > DTC P0038 A/F / O2 HEATER CONTROL CIRCUIT HIGH BANK 1 SENSOR 2

Dtc p013c o2 sensor slow response - rich to lean bank 2 sensor 2
DTC DETECTING CONDITION:Detected when two consecutive driving cycles with fault occur.CAUTION:After servicing or replacing faulty parts, perform Clear Memory Mode Clear Memory Mode > OPERATION, and I ...

Dtc p0057 a/f / o2 heater control circuit low bank 2 sensor 2
DTC DETECTING CONDITION:Detected when two consecutive driving cycles with fault occur.CAUTION:After servicing or replacing faulty parts, perform Clear Memory Mode Clear Memory Mode > OPERATION, and I ...

Other materials:

Dtc p0157 o2 sensor circuit low voltage bank 2 sensor 2
DTC DETECTING CONDITION:Detected when two consecutive driving cycles with fault occur.CAUTION:After servicing or replacing faulty parts, perform Clear Memory Mode Clear Memory Mode > OPERATION, and Inspection Mode Inspection Mode > PROCEDURE.WIRING DIAGRAM:• Engine Electrical System ENGINE T ...

© 2017-2026 Copyright www.sulegacy.com