Honda Civic manuals

Subaru Legacy BN/BS (2015-2019) Service Manual: Dtc p0057 a/f / o2 heater control circuit low bank 2 sensor 2

DTC DETECTING CONDITION:

Detected when two consecutive driving cycles with fault occur.

CAUTION:

After servicing or replacing faulty parts, perform Clear Memory Mode Clear Memory Mode > OPERATION, and Inspection Mode Inspection Mode > PROCEDURE.

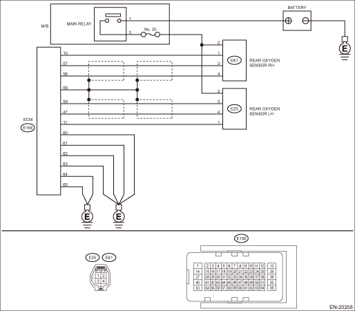
WIRING DIAGRAM:

Engine Electrical System ENGINE TYPE EZ (WITHOUT PUSH BUTTON START) Engine Electrical System > WIRING DIAGRAM

Engine Electrical System ENGINE TYPE EZ (WITH PUSH BUTTON START) Engine Electrical System > WIRING DIAGRAM

STEPCHECKYESNO

1.CHECK POWER SUPPLY TO REAR OXYGEN SENSOR.

1) Turn the ignition switch to OFF.

2) Disconnect the connector from rear oxygen sensor.

3) Turn the ignition switch to ON.

4) Measure the voltage between rear oxygen sensor connector and engine ground.

Connector & terminal

(E25) No. 2 (+) — Engine ground (−):

Is the voltage 10 V or more-

Diagnostic Procedure with Diagnostic Trouble Code (DTC) > DTC P0057 A/F / O2 HEATER CONTROL CIRCUIT LOW BANK 2 SENSOR 2

Repair the power supply line.

NOTE:

In this case, repair the following item:

Open circuit of harness between M/B main relay and front oxygen (A/F) sensor connector

Poor contact of M/B main relay connector

Poor contact of coupling connector

Defective M/B main relay

Blown out of fuse (M/B No. 20)

2.CHECK HARNESS BETWEEN ECM AND REAR OXYGEN SENSOR CONNECTOR.

1) Turn the ignition switch to OFF.

2) Disconnect the connector from ECM.

3) Measure the resistance between ECM connector and oxygen sensor connector.

Connector & terminal

(E158) No. 11 — (E25) No. 1:

Is the resistance less than 1 --

Diagnostic Procedure with Diagnostic Trouble Code (DTC) > DTC P0057 A/F / O2 HEATER CONTROL CIRCUIT LOW BANK 2 SENSOR 2

Repair the harness and connector.

NOTE:

In this case, repair the following item:

Open circuit in harness between ECM connector and rear oxygen sensor connector

Poor contact of coupling connector

3.CHECK GROUND CIRCUIT FOR ECM.

Measure the resistance of harness between ECM connector and chassis ground.

Connector & terminal

(E158) No. 60 — Chassis ground:

(E158) No. 61 — Chassis ground:

(E158) No. 62 — Chassis ground:

(E158) No. 63 — Chassis ground:

(E158) No. 64 — Chassis ground:

(E158) No. 65 — Chassis ground:

Is the resistance less than 5 --

Diagnostic Procedure with Diagnostic Trouble Code (DTC) > DTC P0057 A/F / O2 HEATER CONTROL CIRCUIT LOW BANK 2 SENSOR 2

Repair the open circuit in harness between ECM connector and engine ground.

4.CHECK REAR OXYGEN SENSOR.

Measure the resistance between rear oxygen sensor connector terminals.

Terminals

No. 2 — No. 1:

Is the resistance 5 — 7 --

Repair the poor contact of ECM connector.

Replace the rear oxygen sensor. Rear Oxygen Sensor

1. OUTLINE OF DIAGNOSIS

NOTE:

For the detection standard, refer to DTC P0037. Diagnostic Procedure with Diagnostic Trouble Code (DTC) > DTC P0037 A/F / O2 HEATER CONTROL CIRCUIT LOW BANK 1 SENSOR 2

Dtc p0058 a/f / o2 heater control circuit low bank 2 sensor 2
DTC DETECTING CONDITION:Detected when two consecutive driving cycles with fault occur.CAUTION:After servicing or replacing faulty parts, perform Clear Memory Mode Clear Memory Mode > OPERATION, and I ...

Dtc p0052 a/f / o2 heater control circuit high bank 2 sensor 1
DTC DETECTING CONDITION:Immediately at fault recognitionCAUTION:After servicing or replacing faulty parts, perform Clear Memory Mode Clear Memory Mode > OPERATION, and Inspection Mode Inspection Mod ...

Other materials:

Dtc p0341 camshaft position sensor "a" circuit range/performance bank 1 or single sensor
NOTE:For the diagnostic procedure, refer to DTC P0340. Diagnostic Procedure with Diagnostic Trouble Code (DTC) > DTC P0340 CAMSHAFT POSITION SENSOR "A" CIRCUIT BANK 1 OR SINGLE SENSOR1. OUTLINE OF DIAGNOSISDetect the malfunction of camshaft position sensor property.Judge as NG when the number of ca ...

© 2017-2025 Copyright www.sulegacy.com