DTC DETECTING CONDITION: Immediately at fault recognition TROUBLE SYMPTOM: • Hard to start • Improper idling • Poor driving performance CAUTION: After servicing or replacing faulty parts, perform Clear Memory Mode Clear Memory Mode > OPERATION, and Inspection Mode Inspection Mode > PROCEDURE. WIRING DIAGRAM: • Engine Electrical System ENGINE TYPE EZ (WITHOUT PUSH BUTTON START) Engine Electrical System > WIRING DIAGRAM • Engine Electrical System ENGINE TYPE EZ (WITH PUSH BUTTON START) Engine Electrical System > WIRING DIAGRAM 
| STEP | CHECK | YES | NO | 1.CHECK CURRENT DATA. 2) Read the value of «Oil Temperature» using Subaru Select Monitor. NOTE: For detailed operation procedures, refer to “Read Current Data For Engine”. Subaru Select Monitor | Is the value of «Oil Temperature» less than −40°C (−40°F)- | Diagnostic Procedure with Diagnostic Trouble Code (DTC) > DTC P0198 ENGINE OIL TEMPERATURE SENSOR "A" CIRCUIT HIGH | Even if DTC is detected, the circuit has returned to a normal condition at this time. Reproduce the failure, and then perform the diagnosis again. NOTE: In this case, temporary poor contact of connector, temporary open or short circuit of harness may be the cause. | 2.CHECK FOR POOR CONTACT. Check for poor contact between the ECM and engine oil temperature sensor connectors. | Is there poor contact of the ECM or engine oil temperature sensor connectors- | Repair the poor contact of ECM or engine oil temperature sensor connector. | Diagnostic Procedure with Diagnostic Trouble Code (DTC) > DTC P0198 ENGINE OIL TEMPERATURE SENSOR "A" CIRCUIT HIGH | 3.CHECK HARNESS BETWEEN ECM AND ENGINE OIL TEMPERATURE SENSOR CONNECTOR. 1) Turn the ignition switch to OFF. 2) Disconnect the connectors from the ECM and engine oil temperature sensor. 3) Measure the resistance of the harness between the ECM connector and engine oil temperature sensor connector. Connector & terminal (E158) No. 34 — (E75) No. 1: (E158) No. 18 — (E75) No. 2: | Is the resistance less than 1 -- | Diagnostic Procedure with Diagnostic Trouble Code (DTC) > DTC P0198 ENGINE OIL TEMPERATURE SENSOR "A" CIRCUIT HIGH | Repair the open circuit in the harness between ECM connector and engine oil temperature sensor connector. | 4.CHECK HARNESS BETWEEN ECM AND ENGINE OIL TEMPERATURE SENSOR CONNECTOR. 1) Connect all connectors. 2) Turn the ignition switch to ON. 3) Measure the voltage between ECM connector and chassis ground. Connector & terminal (E158) No. 18 (+) — Chassis ground (−): | Is the voltage 5 V or more- | Repair the short circuit to power in harness between ECM connector and engine oil temperature sensor connector. | Replace the engine oil temperature sensor. Oil Temperature Sensor |
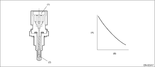
1. OUTLINE OF DIAGNOSIS Detect the open or short circuit of the oil temperature sensor. Judge as NG when outside of the judgment value. 2. COMPONENT DESCRIPTION (A) | Resistance value (k-) | (B) | Temperature °C (°F) | | | | | | | | | | (1) | Connector | (2) | Thermistor element | | |
3. EXECUTION CONDITION Secondary Parameters | Execution condition | None | |
4. GENERAL DRIVING CYCLE Always perform the diagnosis continuously. 5. DIAGNOSTIC METHOD If the duration of time while the following conditions are met is longer than the time indicated, judge as NG. Judgment ValueMalfunction Criteria | Threshold Value | Output voltage | ≥ 4.698 V | Time Needed for Diagnosis: 500 ms Malfunction Indicator Light Illumination: Illuminates as soon as a malfunction occurs. |