Honda Civic manuals

Subaru Legacy BN/BS (2015-2019) Service Manual: Dtc p0201 cylinder 1 injector "a" circuit

DTC DETECTING CONDITION:

Immediately at fault recognition

TROUBLE SYMPTOM:

Improper idling

Poor driving performance

CAUTION:

After servicing or replacing faulty parts, perform Clear Memory Mode Clear Memory Mode > OPERATION, and Inspection Mode Inspection Mode > PROCEDURE.

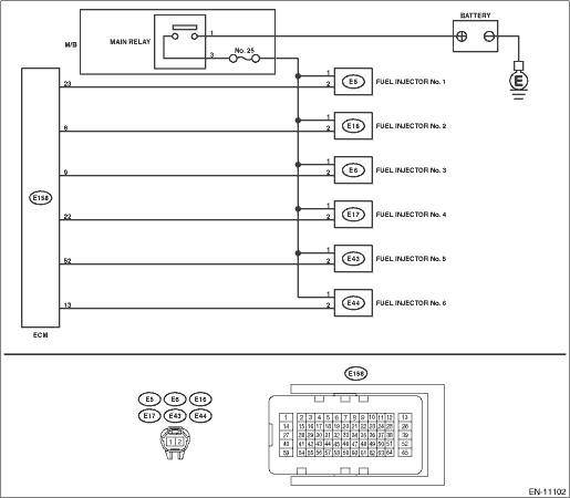
WIRING DIAGRAM:

Engine Electrical System ENGINE TYPE EZ (WITHOUT PUSH BUTTON START) Engine Electrical System > WIRING DIAGRAM

Engine Electrical System ENGINE TYPE EZ (WITH PUSH BUTTON START) Engine Electrical System > WIRING DIAGRAM

STEPCHECKYESNO

1.CHECK POWER SUPPLY TO FUEL INJECTOR.

1) Turn the ignition switch to OFF.

2) Disconnect the connector from fuel injector.

3) Turn the ignition switch to ON.

4) Measure the voltage between fuel injector connector and the engine ground.

Connector & terminal

DTC P0201; (E5) No. 1 (+) — Engine ground (−):

DTC P0202; (E16) No. 1 (+) — Engine ground (−):

DTC P0203; (E6) No. 1 (+) — Engine ground (−):

DTC P0204; (E17) No. 1 (+) — Engine ground (−):

DTC P0205; (E43) No. 1 (+) — Engine ground (−):

DTC P0206; (E44) No. 1 (+) — Engine ground (−):

Is the voltage 10 V or more-

Diagnostic Procedure with Diagnostic Trouble Code (DTC) > DTC P0201 CYLINDER 1 INJECTOR "A" CIRCUIT

Repair the harness and connector.

NOTE:

In this case, repair the following item:

Open circuit in harness between main relay and fuel injector connector

Poor contact of main relay connector

Poor contact of coupling connector

Blown out of fuse (M/B No. 25)

2.CHECK HARNESS BETWEEN ECM AND FUEL INJECTOR CONNECTOR.

1) Turn the ignition switch to OFF.

2) Disconnect the connector from ECM.

3) Measure the resistance between fuel injector connector and engine ground.

Connector & terminal

DTC P0201; (E5) No. 2 — Engine ground:

DTC P0202; (E16) No. 2 — Engine ground:

DTC P0203; (E6) No. 2 — Engine ground:

DTC P0204; (E17) No. 2 — Engine ground:

DTC P0205; (E43) No. 2 — Engine ground:

DTC P0206; (E44) No. 2 — Engine ground:

Is the resistance 1 M- or more-

Diagnostic Procedure with Diagnostic Trouble Code (DTC) > DTC P0201 CYLINDER 1 INJECTOR "A" CIRCUIT

Repair the short circuit to ground in harness between ECM connector and fuel injector connector.

3.CHECK HARNESS BETWEEN ECM AND FUEL INJECTOR CONNECTOR.

Measure the resistance of harness between ECM connector and fuel injector connector.

Connector & terminal

DTC P0201; (E158) No. 23 — (E5) No. 2:

DTC P0202; (E158) No. 8 — (E16) No. 2:

DTC P0203; (E158) No. 9 — (E6) No. 2:

DTC P0204; (E158) No. 22 — (E17) No. 2:

DTC P0205; (E158) No. 52 — (E43) No. 2:

DTC P0206; (E158) No. 13 — (E44) No. 2:

Is the resistance less than 1 --

Diagnostic Procedure with Diagnostic Trouble Code (DTC) > DTC P0201 CYLINDER 1 INJECTOR "A" CIRCUIT

Repair the open circuit of the harness between the ECM connector and fuel injector connector.

4.CHECK FUEL INJECTOR.

Measure the resistance between fuel injector terminals on the corresponding cylinder.

Terminals

No. 1 — No. 2:

Is the resistance 5 — 20 --

Diagnostic Procedure with Diagnostic Trouble Code (DTC) > DTC P0201 CYLINDER 1 INJECTOR "A" CIRCUIT

Replace the fuel injector. Fuel Injector

5.CHECK FOR POOR CONTACT.

Check for poor contact of ECM connector.

Is there poor contact of ECM connector-

Repair the poor contact of ECM connector.

Diagnostic Procedure with Diagnostic Trouble Code (DTC) > DTC P0201 CYLINDER 1 INJECTOR "A" CIRCUIT

6.CHECK FUEL INJECTOR OPERATION.

1) Connect all connectors.

2) Start the engine.

3) Check if the corresponding fuel injector emits operating sound.

NOTE:

Use a sound scope to check the operating sound.

Does the fuel injector emit operating sound-

Even if DTC is detected, the circuit has returned to a normal condition at this time. Reproduce the failure, and then perform the diagnosis again.

NOTE:

In this case, temporary poor contact of connector, temporary open or short circuit of harness may be the cause.

Repair the poor contact of fuel injector connector.

1. OUTLINE OF DIAGNOSIS

Based on the self-diagnostic result of the injector driving IC, judge the injector driving circuit as normal or abnormal.

Injector driving IC detects the status of “fuel remains injected” or “fuel is not injected” as a malfunction.

2. EXECUTION CONDITION

Secondary Parameters

Execution condition

Battery voltage

≥ 10.9 V

Elapsed time after starting the engine

> 1 s

Engine speed

> 500 rpm

Injection status

Not during fuel cut

3. GENERAL DRIVING CYCLE

Perform the diagnosis continuously after the enable conditions have been established.

4. DIAGNOSTIC METHOD

Judge as NG when the following conditions are established.

Judgment Value

Malfunction Criteria

Threshold Value

Injector driving IC information

Trouble

Time Needed for Diagnosis: 256/1000 seconds - 10 time(s)

Malfunction Indicator Light Illumination: Illuminates as soon as a malfunction occurs.

Dtc p0202 cylinder 2 injector "a" circuit
NOTE:For the diagnostic procedure, refer to DTC P0201. Diagnostic Procedure with Diagnostic Trouble Code (DTC) > DTC P0201 CYLINDER 1 INJECTOR "A" CIRCUIT1. OUTLINE OF DIAGNOSISNOTE:For the detection ...

Dtc p0198 engine oil temperature sensor "a" circuit high
DTC DETECTING CONDITION:Immediately at fault recognitionTROUBLE SYMPTOM:• Hard to start• Improper idling• Poor driving performanceCAUTION:After servicing or replacing faulty parts, p ...

Other materials:

Electronic parking brake indicator light, hill hold indicator light do not come on
DETECTING CONDITION:Defective combination meterTROUBLE SYMPTOM:• When the ignition switch is ON (engine OFF), the electronic parking brake operation indicator light does not illuminate even when the electronic parking brake switch is operated.• When the ignition switch is ON (engine OFF) ...

© 2017-2025 Copyright www.sulegacy.com