Honda Civic manuals

Subaru Legacy BN/BS (2015-2019) Service Manual: Dtc p0345 camshaft position sensor "a" circuit bank 2

DTC DETECTING CONDITION:

Immediately at fault recognition

TROUBLE SYMPTOM:

Engine stalls.

Failure of engine to start

CAUTION:

After servicing or replacing faulty parts, perform Clear Memory Mode Clear Memory Mode > OPERATION, and Inspection Mode Inspection Mode > PROCEDURE.

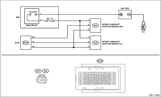
WIRING DIAGRAM:

Engine Electrical System ENGINE TYPE FB (WITHOUT PUSH BUTTON START) Engine Electrical System > WIRING DIAGRAM

Engine Electrical System ENGINE TYPE FB (WITH PUSH BUTTON START) Engine Electrical System > WIRING DIAGRAM

STEPCHECKYESNO

1.CHECK POWER SUPPLY OF CAMSHAFT POSITION SENSOR.

1) Turn the ignition switch to OFF.

2) Disconnect the connector from camshaft position sensor.

3) Turn the ignition switch to ON.

4) Measure the voltage between camshaft position sensor connector and engine ground.

Connector & terminal

(E35) No. 1 (+) — Engine ground (−):

Is the voltage 10 V or more-

Diagnostic Procedure with Diagnostic Trouble Code (DTC) > DTC P0345 CAMSHAFT POSITION SENSOR "A" CIRCUIT BANK 2

Repair the harness and connector.

NOTE:

In this case, repair the following item:

Open circuit or short circuit to ground in harness between main relay connector and camshaft position sensor connector

Poor contact of coupling connector

2.CHECK HARNESS BETWEEN ECM AND CAMSHAFT POSITION SENSOR CONNECTOR.

1) Turn the ignition switch to OFF.

2) Disconnect the connector from ECM.

3) Measure the resistance between ECM connector and camshaft position sensor connector.

Connector & terminal

(E158) No. 41 — (E35) No. 2:

(E158) No. 42 — (E35) No. 3:

Is the resistance less than 1 --

Diagnostic Procedure with Diagnostic Trouble Code (DTC) > DTC P0345 CAMSHAFT POSITION SENSOR "A" CIRCUIT BANK 2

Repair the open circuit in the harness between the ECM connector and camshaft position sensor connector.

3.CHECK HARNESS BETWEEN ECM AND CAMSHAFT POSITION SENSOR CONNECTOR.

Measure the resistance between camshaft position sensor connector and engine ground.

Connector & terminal

(E35) No. 2 — Engine ground:

Is the resistance 1 M- or more-

Diagnostic Procedure with Diagnostic Trouble Code (DTC) > DTC P0345 CAMSHAFT POSITION SENSOR "A" CIRCUIT BANK 2

Repair short circuit to ground in harness between ECM connector and camshaft position sensor connector.

4.CHECK HARNESS BETWEEN ECM AND CAMSHAFT POSITION SENSOR CONNECTOR.

Measure the voltage between camshaft position sensor connector and engine ground.

Connector & terminal

(E35) No. 2 (+) — Engine ground (−):

Is the voltage 5 V or more-

Repair the short circuit to power in the harness between ECM connector and camshaft position sensor connector.

Diagnostic Procedure with Diagnostic Trouble Code (DTC) > DTC P0345 CAMSHAFT POSITION SENSOR "A" CIRCUIT BANK 2

5.CHECK CONDITION OF CAMSHAFT POSITION SENSOR.

Is the camshaft position sensor installation bolt tightened securely-

Diagnostic Procedure with Diagnostic Trouble Code (DTC) > DTC P0345 CAMSHAFT POSITION SENSOR "A" CIRCUIT BANK 2

Tighten the camshaft position sensor installation bolt securely. Camshaft Position Sensor > INSTALLATION

6.CHECK CAMSHAFT POSITION SENSOR.

Check the waveform of the camshaft position sensor. Engine Control Module (ECM) I/O Signal

Is there any abnormality in waveform-

Replace the camshaft position sensor. Camshaft Position Sensor

Repair the following item.

Poor contact of ECM connector

Poor contact of camshaft position sensor connector

Poor contact of coupling connector

1. OUTLINE OF DIAGNOSIS

NOTE:

For the detection standard, refer to DTC P0340. Diagnostic Procedure with Diagnostic Trouble Code (DTC) > DTC P0340 CAMSHAFT POSITION SENSOR "A" CIRCUIT BANK 1 OR SINGLE SENSOR

Dtc p0346 camshaft position sensor "a" circuit range/performance bank 2
NOTE:For the diagnostic procedure, refer to DTC P0345. Diagnostic Procedure with Diagnostic Trouble Code (DTC) > DTC P0345 CAMSHAFT POSITION SENSOR "A" CIRCUIT BANK 2 1. OUTLINE OF DIAGNOSISNOTE:For ...

Dtc p0341 camshaft position sensor "a" circuit range/performance bank 1 or single sensor
NOTE:For the diagnostic procedure, refer to DTC P0340. Diagnostic Procedure with Diagnostic Trouble Code (DTC) > DTC P0340 CAMSHAFT POSITION SENSOR "A" CIRCUIT BANK 1 OR SINGLE SENSOR1. OUTLINE OF DI ...

Other materials:

Dtc p2123 throttle/pedal position sensor/switch "d" circuit high
DTC DETECTING CONDITION:Immediately at fault recognitionTROUBLE SYMPTOM:• Improper idling• Poor driving performanceCAUTION:After servicing or replacing faulty parts, perform Clear Memory Mode Clear Memory Mode > OPERATION, and Inspection Mode Inspection Mode > PROCEDURE.WIRING DIAGRAM: ...

© 2017-2026 Copyright www.sulegacy.com