Honda Civic manuals

Subaru Legacy BN/BS (2015-2019) Service Manual: Dtc p0420 catalyst system efficiency below threshold bank 1

DTC DETECTING CONDITION:

Detected when two consecutive driving cycles with fault occur.

TROUBLE SYMPTOM:

Engine stalls.

Idle mixture is out of specifications.

CAUTION:

After servicing or replacing faulty parts, perform Clear Memory Mode Clear Memory Mode > OPERATION, and Inspection Mode Inspection Mode > PROCEDURE.

WIRING DIAGRAM:

Engine Electrical System ENGINE TYPE FB (WITHOUT PUSH BUTTON START) Engine Electrical System > WIRING DIAGRAM

Engine Electrical System ENGINE TYPE FB (WITH PUSH BUTTON START) Engine Electrical System > WIRING DIAGRAM

STEPCHECKYESNO

1.CHECK EXHAUST SYSTEM.

Check for gas leaks or air suction caused by loose or dislocated nuts and bolts, and open hole at exhaust pipes.

NOTE:

Check the following positions.

Between cylinder head and front exhaust pipe

Between front exhaust pipe and front catalytic converter

Between front catalytic converter and rear catalytic converter

Loose or improperly attached front oxygen (A/F) sensor or rear oxygen sensor

Is there any fault in exhaust system-

Repair or replace the exhaust system. General Description

Diagnostic Procedure with Diagnostic Trouble Code (DTC) > DTC P0420 CATALYST SYSTEM EFFICIENCY BELOW THRESHOLD BANK 1

2.CHECK WAVEFORM DATA ON THE SUBARU SELECT MONITOR (WHILE DRIVING).

1) Drive at a constant speed between 80 — 112 km/h (50 — 70 MPH).

2) After 5 minutes have elapsed in the condition of step 1), use the Subaru Select Monitor while still driving to read the waveform data.

At normal condition

At abnormal condition (numerous inversion)

Is a normal waveform displayed-

Even if DTC is detected, the circuit has returned to a normal condition at this time. Reproduce the failure, and then perform the diagnosis again.

NOTE:

In this case, temporary poor contact of connector, temporary open or short circuit of harness may be the cause.

Diagnostic Procedure with Diagnostic Trouble Code (DTC) > DTC P0420 CATALYST SYSTEM EFFICIENCY BELOW THRESHOLD BANK 1

3.CHECK WAVEFORM DATA ON THE SUBARU SELECT MONITOR (WHILE IDLING).

1) Run the engine at idle.

2) In the condition of step 1), use the Subaru Select Monitor to read the waveform data.

At normal condition

At abnormal condition 1 (numerous inversion)

At abnormal condition 2 (noise input)

Is a normal waveform displayed-

Diagnostic Procedure with Diagnostic Trouble Code (DTC) > DTC P0420 CATALYST SYSTEM EFFICIENCY BELOW THRESHOLD BANK 1

The waveform is displayed at abnormal condition 1: Diagnostic Procedure with Diagnostic Trouble Code (DTC) > DTC P0420 CATALYST SYSTEM EFFICIENCY BELOW THRESHOLD BANK 1

The waveform is displayed at abnormal condition 2: Diagnostic Procedure with Diagnostic Trouble Code (DTC) > DTC P0420 CATALYST SYSTEM EFFICIENCY BELOW THRESHOLD BANK 1

4.CHECK CATALYTIC CONVERTER.

Is the catalytic converter damaged-

Replace the catalytic converter. Front Catalytic Converter Rear Catalytic Converter

Diagnostic Procedure with Diagnostic Trouble Code (DTC) > DTC P0420 CATALYST SYSTEM EFFICIENCY BELOW THRESHOLD BANK 1

5.CHECK REAR OXYGEN SENSOR CONNECTOR AND COUPLING CONNECTOR.

Has water entered the connector-

Completely remove any water inside.

Diagnostic Procedure with Diagnostic Trouble Code (DTC) > DTC P0420 CATALYST SYSTEM EFFICIENCY BELOW THRESHOLD BANK 1

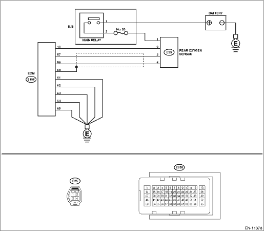
6.CHECK HARNESS BETWEEN ECM AND REAR OXYGEN SENSOR CONNECTOR.

1) Turn the ignition switch to OFF.

2) Disconnect the connector from ECM and rear oxygen sensor.

3) Measure the resistance of harness between ECM connector and rear oxygen sensor connector.

Connector & terminal

(E158) No. 57 — (E25) No. 3:

(E158) No. 56 — (E25) No. 4:

Is the resistance less than 1 --

Diagnostic Procedure with Diagnostic Trouble Code (DTC) > DTC P0420 CATALYST SYSTEM EFFICIENCY BELOW THRESHOLD BANK 1

Repair the harness and connector.

NOTE:

Repair the following locations.

Open circuit in harness between ECM connector and rear oxygen sensor connector

Poor contact of coupling connector

7.CHECK REAR OXYGEN SENSOR SHIELD.

1) Turn the ignition switch to OFF.

2) Expose the rear oxygen sensor connector body side harness sensor shield.

3) Measure the resistance between sensor shield and chassis ground.

Is the resistance less than 1 --

Diagnostic Procedure with Diagnostic Trouble Code (DTC) > DTC P0420 CATALYST SYSTEM EFFICIENCY BELOW THRESHOLD BANK 1

Repair the open circuit of rear oxygen sensor harness.

8.CHECK ENGINE OIL AMOUNT AND EXHAUST GAS.

1) Check the engine oil amount. Engine Oil > INSPECTION

2) Check exhaust gas during idling.

Does the engine oil amount drop or white smoke emit from the muffler-

Check the engine, and repair the defective part. Engine Trouble in General > INSPECTION

After repairing the engine, replace the catalytic converter. Front Catalytic Converter Rear Catalytic Converter

After the catalytic converter is replaced, perform step 2 to check the normal waveform is displayed, and then exit the procedure.

Diagnostic Procedure with Diagnostic Trouble Code (DTC) > DTC P0420 CATALYST SYSTEM EFFICIENCY BELOW THRESHOLD BANK 1

9.CHECK IGNITION SYSTEM.

1) Check the spark plug. Spark Plug > INSPECTION

2) Check the status of the ignition coil connector and the spark plug terminal.

Is there any fault in the ignition system-

After repairing the ignition system, replace the catalytic converter. Front Catalytic Converter Rear Catalytic Converter

After the catalytic converter is replaced, perform step 2 to check the normal waveform is displayed, and then exit the procedure.

Diagnostic Procedure with Diagnostic Trouble Code (DTC) > DTC P0420 CATALYST SYSTEM EFFICIENCY BELOW THRESHOLD BANK 1

10.CHECK FUEL SYSTEM.

1) Refer to and check the items in “Insufficient fuel supply to fuel injector” (except for “a. Fuel pump does not operate.”) and “Leakage or blow out of fuel”. Fuel System Trouble in General > INSPECTION

2) Check throttle body. Throttle Body > INSPECTION

3) Check intake manifold. Intake Manifold Assembly > INSPECTION

Is there any fault in the fuel system-

After repairing the fuel system, replace the catalytic converter. Front Catalytic Converter Rear Catalytic Converter

After the catalytic converter is replaced, perform step 2 to check the normal waveform is displayed, and then exit the procedure.

Diagnostic Procedure with Diagnostic Trouble Code (DTC) > DTC P0420 CATALYST SYSTEM EFFICIENCY BELOW THRESHOLD BANK 1

11.CHECK DTC.

Is any other DTC displayed-

Check the appropriate DTC using the “List of Diagnostic Trouble Code (DTC)”. List of Diagnostic Trouble Code (DTC)

After checking the DTC, replace the catalytic converter. Front Catalytic Converter Rear Catalytic Converter

After the catalytic converter is replaced, perform step 2 to check the normal waveform is displayed, and then exit the procedure.

Replace the rear oxygen sensor. Rear Oxygen Sensor

1. OUTLINE OF DIAGNOSIS

Detect the deterioration of the catalyst function.

Though the rear oxygen sensor output changes slowly with a new catalyst, the sensor output with a deteriorated catalyst becomes high and the inversion time is shortened.

For this reason, the catalyst diagnosis is carried out by monitoring the rear oxygen sensor output and comparing it with the front oxygen (A/F) sensor output.

2. COMPONENT DESCRIPTION

(A)

Normal

(B)

Deterioration

(C)

Output waveform from the front oxygen (A/F) sensor

(D)

Output waveform from the rear oxygen sensor

(1)

Front oxygen (A/F) sensor

(2)

Rear oxygen sensor

(3)

Catalytic converter

3. EXECUTION CONDITION

Secondary Parameters

Execution condition

Battery voltage

≥ 10.9 V

Barometric pressure

≥ 75.1 kPa (563 mmHg, 22.2 inHg)

Sub feedback

In operation

Intake air amount

≥ 8 g/s (0.28 oz/s)

and

< 45 g/s (1.59 oz/s)

Estimated catalyst temperature

≥ 570 °C (1058 °F) (CVT model)

≥ 575 °C (1067 °F) (MT model)

Vehicle speed

≥ 40 km/h (24.9 MPH)

Rear oxygen output change from 0.55 V or less to 0.55 V or more

Experienced after fuel cut

ELCM switching valve

Open

Estimated temperature of the rear oxygen sensor element

≥ 500 °C (932 °F)

4. GENERAL DRIVING CYCLE

Perform the diagnosis only once at a constant vehicle speed of 40 km/h (24.9 MPH) or more.

5. DIAGNOSTIC METHOD

After the enable conditions have been established, calculate the front oxygen (A/F) sensor lambda value deviation sum value (Σ |(sglmdn − sglmdn−1)|), and rear oxygen sensor output voltage deviation sum value (Σ |(ro2sadn − ro2sadn−1)|) in every 32 ms - 4 times. If the front oxygen (A/F) sensor lambda value deviation sum value (Σ |(sglmdn − sglmdn−1)|) is the predetermined value or more, calculate the diagnostic value.

If the duration of time while the following conditions are met is within the time indicated, judge as NG.

Judgment Value

Malfunction Criteria

Threshold Value

Σ |(ro2sadn − ro2sadn − 1)| / Σ |(sglmdn − sglmdn − 1)|

> 8

Time Needed for Diagnosis: 30 — 55 seconds

Malfunction Indicator Light Illumination: Illuminates when malfunction occurs in 2 continuous driving cycles.

Dtc p0441 evap system (cpc) incorrect purge flow
DTC DETECTING CONDITION:Detected when two consecutive driving cycles with fault occur.TROUBLE SYMPTOM:Improper idlingCAUTION:After servicing or replacing faulty parts, perform Clear Memory Mode Clear ...

Dtc p0400 egr "a" flow
DTC DETECTING CONDITION:Detected when two consecutive driving cycles with fault occur.TROUBLE SYMPTOM:• Movement performance problem when engine is low speed• Improper idling• Moveme ...

Other materials:

Inspection
1. Check the V-belt for cracks, tear or wear.2. Check the V-belt tensioner assembly and idler pulley for deformation, cracks or other damages.3. Check that the V-belt ribs are securely placed on the rib grooves for each pulley.4. Check that the V-belt tensioner assembly (C) moves in the direction of ...

© 2017-2026 Copyright www.sulegacy.com