Honda Civic manuals

Subaru Legacy BN/BS (2015-2019) Service Manual: Dtc p0463 fuel level sensor "a" circuit high

DTC DETECTING CONDITION:

Detected when two consecutive driving cycles with fault occur.

CAUTION:

After servicing or replacing faulty parts, perform Clear Memory Mode Clear Memory Mode > OPERATION, and Inspection Mode Inspection Mode > PROCEDURE.

STEPCHECKYESNO

1.CHECK FOR ANY OTHER DTC ON DISPLAY.

Is DTC P0462 or P0463 displayed on the Subaru Select Monitor-

Check the combination meter. Combination Meter System > INSPECTION

Even if DTC is detected, the circuit has returned to a normal condition at this time. Reproduce the failure, and then perform the diagnosis again.

NOTE:

In this case, temporary poor contact of connector, temporary open or short circuit of harness may be the cause.

1. OUTLINE OF DIAGNOSIS

Detect the open or short circuit of fuel level sensor. Judge as NG if out of specification.

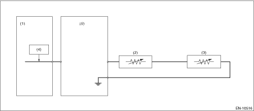
2. COMPONENT DESCRIPTION

(1)

Engine control module (ECM)

(3)

Fuel level sensor

(5)

Body integrated unit

(2)

Fuel sub level sensor

(4)

Detecting circuit

3. EXECUTION CONDITION

Secondary Parameters

Execution condition

Battery voltage

≥ 10.9 V

4. GENERAL DRIVING CYCLE

Always perform the diagnosis continuously.

5. DIAGNOSTIC METHOD

If the duration of time while the following conditions are met is longer than the time indicated, judge as NG.

Judgment Value

Malfunction Criteria

Threshold Value

Output voltage

≥ 12 V

Time Needed for Diagnosis: 1000 ms

Malfunction Indicator Light Illumination: Illuminates when malfunction occurs in 2 continuous driving cycles.

Dtc p0500 vehicle speed sensor "a" circuit
DTC DETECTING CONDITION:Immediately at fault recognitionCAUTION:After servicing or replacing faulty parts, perform Clear Memory Mode Clear Memory Mode > OPERATION, and Inspection Mode Inspection Mod ...

Dtc p0462 fuel level sensor "a" circuit low
NOTE:For the diagnostic procedure, refer to DTC P0463. Diagnostic Procedure with Diagnostic Trouble Code (DTC) > DTC P0463 FUEL LEVEL SENSOR "A" CIRCUIT HIGH1. OUTLINE OF DIAGNOSISDetect the open or ...

Other materials:

Bulkhead wiring harness (in engine compartment) lh location
ConnectorConnecting toNo.PoleColorAreaNo.DescriptionAB132YC-3 Front sub sensor LHB53GrD-3 Daytime running light resistorB85GrB-5 Front wiper motorB92BC-4B67Battery current & temperature sensorB141BB-4 Starter motorB152GrC-5 Front ABS wheel speed sensor LHB162GrB-5 Brake fluid level switchB441BD-4 Ho ...

© 2017-2026 Copyright www.sulegacy.com