Honda Civic manuals

Subaru Legacy BN/BS (2015-2019) Service Manual: Dtc p060a internal control module monitoring processor performance

NOTE:

For the diagnostic procedure, refer to DTC P0606. Diagnostic Procedure with Diagnostic Trouble Code (DTC) > DTC P0606 CONTROL MODULE PROCESSOR

1. OUTLINE OF DIAGNOSIS

Judge as NG when the monitoring IC operation is abnormal.

(1) Monitoring IC Disable (motor continuity cut demand) diagnosis

(2) Monitoring IC function diagnosis

(3) Monitoring IC register diagnosis

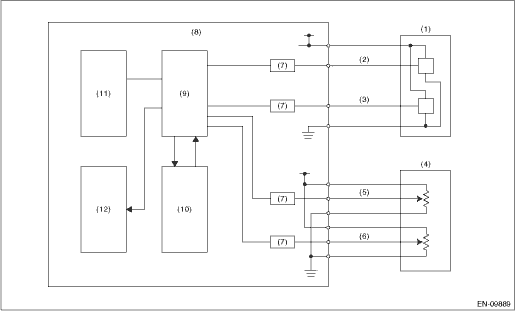
2. COMPONENT DESCRIPTION

(1)

Throttle position sensor

(5)

Accelerator pedal position sensor 1

(9)

CPU

(2)

Throttle position sensor 1

(6)

Accelerator pedal position sensor 2

(10)

Monitoring IC

(3)

Throttle position sensor 2

(7)

I/F circuit

(11)

EEPROM

(4)

Accelerator pedal position sensor

(8)

Engine control module (ECM)

(12)

Output IC

3. EXECUTION CONDITION

Secondary Parameters

Execution condition

(1) Battery voltage

≥ 6 V

(1) When CPU intentionally sends motor continuity cut demand

(2) Battery voltage

≥ 6 V

(2) CPU intentionally sends incorrect data

(3) Battery voltage

≥ 6 V

4. GENERAL DRIVING CYCLE

Always perform the diagnosis continuously.

5. DIAGNOSTIC METHOD

Judge as NG when one of the following conditions is established.

Judgment Value

Malfunction Criteria

Threshold Value

(1) Main throttle opening angle − Main throttle opening angle at monitoring start

≥ 2 °

(2) Monitoring IC motor continuity cut demand

None

(3) Monitoring IC register writing value

≠ Reading value

Time Needed for Diagnosis:

(1): 24 ms

(2): 2984 ms = (25 + 6) - 0.008 + (4 - 25 + 4) - 0.008 + (5 - 25 + 9) - 0.008 + (2 - 25 ) - 0.008 + (25 + 2) - 0.008 - 2

(3): 200 ms

Malfunction Indicator Light Illumination: Illuminates as soon as a malfunction occurs.

Dtc p060b internal control module a/d processing performance
NOTE:For the diagnostic procedure, refer to DTC P0606. Diagnostic Procedure with Diagnostic Trouble Code (DTC) > DTC P0606 CONTROL MODULE PROCESSOR1. OUTLINE OF DIAGNOSISJudge as NG when the AD conve ...

Dtc p0606 control module processor
DTC DETECTING CONDITION:Immediately at fault recognitionTROUBLE SYMPTOM:• Improper idling• Poor driving performanceCAUTION:After servicing or replacing faulty parts, perform Clear Memory M ...

Other materials:

Dtc p0108 manifold absolute pressure/barometric pressure sensor circuit high
DTC DETECTING CONDITION:Immediately at fault recognitionCAUTION:After servicing or replacing faulty parts, perform Clear Memory Mode Clear Memory Mode > OPERATION, and Inspection Mode Inspection Mode > PROCEDURE.WIRING DIAGRAM:• Engine Electrical System ENGINE TYPE EZ (WITHOUT PUSH BUTTON ST ...

© 2017-2025 Copyright www.sulegacy.com