Honda Civic manuals

Subaru Legacy BN/BS (2015-2019) Service Manual: Dtc p060b internal control module a/d processing performance

NOTE:

For the diagnostic procedure, refer to DTC P0606. Diagnostic Procedure with Diagnostic Trouble Code (DTC) > DTC P0606 CONTROL MODULE PROCESSOR

1. OUTLINE OF DIAGNOSIS

Judge as NG when the AD converter operation is abnormal.

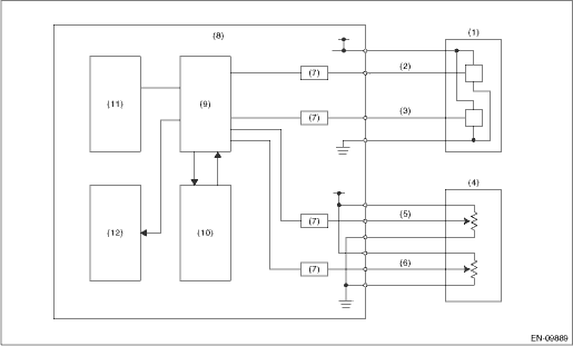
2. COMPONENT DESCRIPTION

(1)

Throttle position sensor

(5)

Accelerator pedal position sensor 1

(9)

CPU

(2)

Throttle position sensor 1

(6)

Accelerator pedal position sensor 2

(10)

Monitoring IC

(3)

Throttle position sensor 2

(7)

I/F circuit

(11)

EEPROM

(4)

Accelerator pedal position sensor

(8)

Engine control module (ECM)

(12)

Output IC

3. EXECUTION CONDITION

Diagnosis 1

Secondary Parameters

Execution condition

Battery voltage

≥ 6 V

Target voltage

= 0 V

Diagnosis 2

Secondary Parameters

Execution condition

Battery voltage

≥ 6 V

Target voltage

= 5 V

4. GENERAL DRIVING CYCLE

Always perform the diagnosis continuously.

5. DIAGNOSTIC METHOD

Diagnosis 1

Judge as NG when the following conditions are established.

Judgment Value

Malfunction Criteria

Threshold Value

Actual voltage

> 0.01953125 V

Time Needed for Diagnosis: 200 ms

Diagnosis 2

Judge as NG when the following conditions are established.

Judgment Value

Malfunction Criteria

Threshold Value

Actual voltage

> 4.979248047 V

Time Needed for Diagnosis: 200 ms

Malfunction Indicator Light Illumination: Illuminates as soon as a malfunction occurs.

Dtc p0616 starter relay "a" circuit low
1. MODEL WITHOUT PUSH BUTTON STARTDTC DETECTING CONDITION:Immediately at fault recognitionCAUTION:After servicing or replacing faulty parts, perform Clear Memory Mode Clear Memory Mode > OPERATION, a ...

Dtc p060a internal control module monitoring processor performance
NOTE:For the diagnostic procedure, refer to DTC P0606. Diagnostic Procedure with Diagnostic Trouble Code (DTC) > DTC P0606 CONTROL MODULE PROCESSOR1. OUTLINE OF DIAGNOSISJudge as NG when the monitori ...

Other materials:

Dtc c2224 transmitter 4 pressure data abnormal
DTC DETECTING CONDITION:Detected when error data is received from each transmitter at a vehicle speed of 40 km/h (25 MPH) or more.• When comparing the data from each transmitter to the previous data, the change is large.• The pressure exceeds what the transmitter can measure. (Excessive ...

© 2017-2026 Copyright www.sulegacy.com