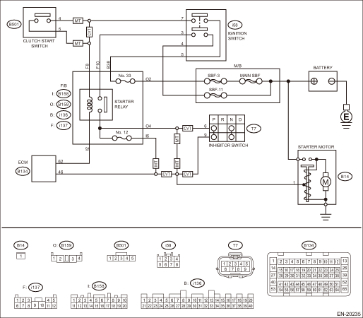
1. MODEL WITHOUT PUSH BUTTON START DTC DETECTING CONDITION: Immediately at fault recognition TROUBLE SYMPTOM: Failure of engine to start CAUTION: After servicing or replacing faulty parts, perform Clear Memory Mode Clear Memory Mode > OPERATION, and Inspection Mode Inspection Mode > PROCEDURE. WIRING DIAGRAM: Engine Electrical System ENGINE TYPE FB (WITHOUT PUSH BUTTON START) Engine Electrical System > WIRING DIAGRAM | STEP | CHECK | YES | NO | 1.CHECK FOR ANY OTHER DTC ON DISPLAY. | Is any other DTC displayed- | Check the appropriate DTC using the “List of Diagnostic Trouble Code (DTC)”. List of Diagnostic Trouble Code (DTC) | Diagnostic Procedure with Diagnostic Trouble Code (DTC) > DTC P0617 STARTER RELAY "A" CIRCUIT HIGH | 2.CHECK HARNESS BETWEEN ECM AND STARTER RELAY CONNECTOR. 1) Turn the ignition switch to OFF. 2) Disconnect the connector from ECM. 3) Turn the ignition switch to ON. 4) Measure the voltage between ECM connector and chassis ground. Connector & terminal (B134) No. 46 (+) — Chassis ground (−): NOTE: For CVT model, place the select lever in “P” range or “N” range. | Is the voltage 10 V or more- | Repair the short circuit to power in harness between ECM connector and starter relay connector. | Repair the poor contact of ECM connector. |
2. MODEL WITH PUSH BUTTON START DTC DETECTING CONDITION: Immediately at fault recognition TROUBLE SYMPTOM: Failure of engine to start CAUTION: After servicing or replacing faulty parts, perform Clear Memory Mode Clear Memory Mode > OPERATION, and Inspection Mode Inspection Mode > PROCEDURE. WIRING DIAGRAM: Engine Electrical System ENGINE TYPE FB (WITH PUSH BUTTON START) Engine Electrical System > WIRING DIAGRAM 
| STEP | CHECK | YES | NO | 1.CHECK STARTER MOTOR. 1) Turn the ignition to ON. 2) Check the starter motor condition. | Is the starter motor rotating- | Diagnostic Procedure with Diagnostic Trouble Code (DTC) > DTC P0617 STARTER RELAY "A" CIRCUIT HIGH | Repair the short circuit to power supply. NOTE: In this case, repair the following harnesses: • Short circuit to power supply in harness between ECM connector and starter relay connector • Short circuit to power supply in harness between ECM connector and starter motor • Short circuit to power supply in harness between starter relay connector and starter motor | 2.CHECK HARNESS BETWEEN STARTER CUT RELAY CONNECTOR AND STARTER RELAY CONNECTOR. 1) Turn the ignition to OFF. 2) Disconnect the connector from starter motor. 3) Remove the starter cut relay, starter relay and inhibitor relay. 4) Turn the ignition to ON. 5) Measure the voltage between starter relay connector and chassis ground. Connector & terminal (i137) No. 8 (+) — Chassis ground (−): | Is the voltage 10 V or more- | Repair the short circuit to power supply in harness between starter cut relay connector and starter relay connector. | Diagnostic Procedure with Diagnostic Trouble Code (DTC) > DTC P0617 STARTER RELAY "A" CIRCUIT HIGH | 3.CHECK STARTER CUT RELAY. 1) Connect the battery to starter cut relay terminals No. 17 and No. 19. 2) Measure the resistance between starter cut relay terminals. | Is the resistance 1 M- or more- | Diagnostic Procedure with Diagnostic Trouble Code (DTC) > DTC P0617 STARTER RELAY "A" CIRCUIT HIGH | Replace the starter cut relay. Relay and Fuse Diagnostic Procedure with Diagnostic Trouble Code (DTC) > DTC P0617 STARTER RELAY "A" CIRCUIT HIGH | 4.CHECK HARNESS BETWEEN ECM AND F/B STARTER RELAY CONNECTOR. 1) Disconnect the connector from ECM. 2) Measure the resistance between ECM connector and chassis ground. Connector & terminal (B134) No. 62 — Chassis ground: | Is the resistance 1 M- or more- | Diagnostic Procedure with Diagnostic Trouble Code (DTC) > DTC P0617 STARTER RELAY "A" CIRCUIT HIGH | Repair the short circuit to ground in harness between ECM connector and starter relay connector. | 5.CHECK F/B STARTER RELAY. Measure the resistance between F/B starter relay terminals. Relay and Fuse | Is the resistance 1 M- or more- | Diagnostic Procedure with Diagnostic Trouble Code (DTC) > DTC P0617 STARTER RELAY "A" CIRCUIT HIGH | Replace the starter relay. Electrical Component Location > LOCATION | 6.CHECK HARNESS BETWEEN ECM, F/B STARTER RELAY CONNECTOR AND STARTER MOTOR. 1) Disconnect the connector from ECM. 2) Turn the ignition to ON. 3) Measure the voltage between ECM connector and chassis ground. Connector & terminal (B134) No. 58 (+) — Chassis ground (−): | Is the voltage 10 V or more- | Repair the short circuit to power supply. NOTE: In this case, repair the following harnesses: • Short circuit to power supply in harness between ECM connector and starter relay connector • Short circuit to power supply in harness between ECM connector and starter motor • Short circuit to power supply in harness between starter relay connector and starter motor | Repair the poor contact of ECM connector. |
3. OUTLINE OF DIAGNOSIS • Model without push button start Detect abnormal continuity in the starter SW1. Judge as ON NG when the starter SW 1 signal remains ON. • Model with push button start Detect abnormal continuity in the starter SW 2. Judge as ON NG when the starter SW 2 signal remains ON. 4. EXECUTION CONDITION Secondary Parameters | Execution condition | Battery voltage | ≥ 8 V | Engine speed | > 500 rpm | Starter relay command | OFF |
5. GENERAL DRIVING CYCLE Perform the diagnosis continuously after the enable conditions have been established. 6. DIAGNOSTIC METHOD If the duration of time while the following conditions are met is longer than the time indicated, judge as NG. Judgment ValueMalfunction Criteria | Threshold Value | Starter SW 1 signal (model without push button start) Starter SW 2 signal (model with push button start) | ≥ Battery voltage - 0.6 | Time Needed for Diagnosis: 30000 ms Malfunction Indicator Light Illumination: Illuminates as soon as a malfunction occurs. |