Honda Civic manuals

Subaru Legacy BN/BS (2015-2019) Service Manual: Dtc p062f internal control module eeprom error

NOTE:

For the diagnostic procedure, refer to DTC P0606. Diagnostic Procedure with Diagnostic Trouble Code (DTC) > DTC P0606 CONTROL MODULE PROCESSOR

1. OUTLINE OF DIAGNOSIS

Judge as NG when the EEPROM operation is abnormal.

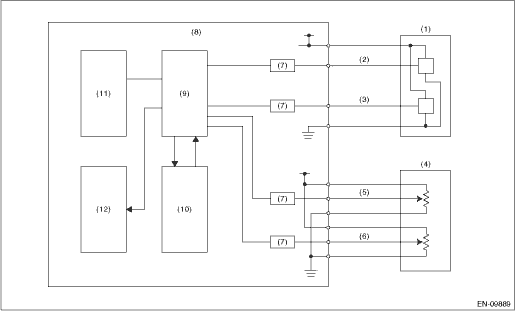
2. COMPONENT DESCRIPTION

(1)

Throttle position sensor

(5)

Accelerator pedal position sensor 1

(9)

CPU

(2)

Throttle position sensor 1

(6)

Accelerator pedal position sensor 2

(10)

Monitoring IC

(3)

Throttle position sensor 2

(7)

I/F circuit

(11)

EEPROM

(4)

Accelerator pedal position sensor

(8)

Engine control module (ECM)

(12)

Output IC

3. EXECUTION CONDITION

Secondary Parameters

Execution condition

None

4. GENERAL DRIVING CYCLE

Perform the diagnosis during self shut.

5. DIAGNOSTIC METHOD

Judge as NG when the following conditions are established.

Judgment Value

Malfunction Criteria

Threshold Value

Writing result to EEPROM

Malfunction

Time Needed for Diagnosis: 2 times

Malfunction Indicator Light Illumination: Illuminates as soon as a malfunction occurs.

Dtc p0685 ecm/pcm power relay control circuit/open
DTC DETECTING CONDITION:Detected when two consecutive driving cycles with fault occur.CAUTION:After servicing or replacing faulty parts, perform Clear Memory Mode Clear Memory Mode > OPERATION, and I ...

Dtc p0617 starter relay "a" circuit high
1. MODEL WITHOUT PUSH BUTTON STARTDTC DETECTING CONDITION:Immediately at fault recognitionTROUBLE SYMPTOM:Failure of engine to startCAUTION:After servicing or replacing faulty parts, perform Clear Mem ...

Other materials:

Dtc b14a2 sunload sensor circuit short-circuit
DTC DETECTING CONDITION:Short circuit in the sunload sensor is detected for 3 seconds or more.TROUBLE SYMPTOM:Operation is performed as no sunload.WIRING DIAGRAM:Air conditioning system Air Conditioning System > WIRING DIAGRAMSTEPCHECKYESNO1.CHECK CONNECTOR.1) Check connecting condition of the A/C ...

© 2017-2026 Copyright www.sulegacy.com