Honda Civic manuals

Subaru Legacy BN/BS (2015-2019) Service Manual: Dtc p0851 park/neutral switch input circuit low

DTC DETECTING CONDITION:

Detected when two consecutive driving cycles with fault occur.

TROUBLE SYMPTOM:

Improper idling

CAUTION:

After servicing or replacing faulty parts, perform Clear Memory Mode Clear Memory Mode > OPERATION, and Inspection Mode Inspection Mode > PROCEDURE.

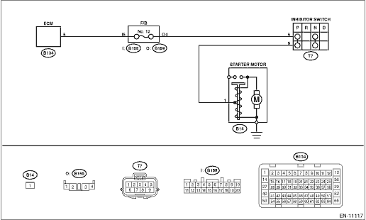
WIRING DIAGRAM:

Engine Electrical System ENGINE TYPE EZ (WITHOUT PUSH BUTTON START) Engine Electrical System > WIRING DIAGRAM

Engine Electrical System ENGINE TYPE EZ (WITH PUSH BUTTON START) Engine Electrical System > WIRING DIAGRAM

STEPCHECKYESNO

1.CHECK SELECT CABLE.

Is there any fault in select cable-

Repair or adjust the select cable. Select Cable

Diagnostic Procedure with Diagnostic Trouble Code (DTC) > DTC P0851 PARK/NEUTRAL SWITCH INPUT CIRCUIT LOW

2.CHECK INPUT SIGNAL OF ECM.

1) Turn the ignition switch to ON.

2) Place the select lever in other than “P” range and “N” range.

3) Measure the voltage between ECM connector and chassis ground.

Connector & terminal

(B134) No. 5 (+) — Chassis ground (−):

Is the voltage 10 V or more-

Repair the poor contact of ECM connector.

Diagnostic Procedure with Diagnostic Trouble Code (DTC) > DTC P0851 PARK/NEUTRAL SWITCH INPUT CIRCUIT LOW

3.CHECK HARNESS BETWEEN ECM AND TRANSMISSION HARNESS CONNECTOR.

1) Turn the ignition switch to OFF.

2) Disconnect the connectors from ECM and inhibitor switch.

3) Measure the resistance between ECM connector and chassis ground.

Connector & terminal

(B134) No. 5 — Chassis ground:

Is the resistance 1 M- or more-

Replace the inhibitor switch. Inhibitor Switch

Repair the short circuit to ground in harness between ECM connector and inhibitor switch connector.

1. OUTLINE OF DIAGNOSIS

Detect the open or short circuit of neutral SW.

Judge as NG when the ECM neutral terminal input differs from the reception data from TCM.

2. EXECUTION CONDITION

Secondary Parameters

Execution condition

Battery voltage

≥ 10.9 V

Starter relay feedback voltage

< Battery voltage - 0.35

Data received from TCM

≠ “P” range/“N” range

3. GENERAL DRIVING CYCLE

Perform the diagnosis only once after the enable conditions have been established.

4. DIAGNOSTIC METHOD

If the duration of time while the following conditions are met is longer than the time indicated, judge as NG.

Judgment Value

Malfunction Criteria

Threshold Value

Voltage of the neutral position switch signal

≤ Battery voltage - 0.19

Time Needed for Diagnosis: 64 ms - 100 time(s)

Malfunction Indicator Light Illumination: Illuminates when malfunction occurs in 2 continuous driving cycles.

Dtc p0128 coolant thermostat (engine coolant temperature below thermostat regulating temperature)
DTC DETECTING CONDITION:Detected when two consecutive driving cycles with fault occur.TROUBLE SYMPTOM:Thermostat remains open.CAUTION:After servicing or replacing faulty parts, perform Clear Memory Mo ...

Dtc u0073 control module communication bus off
NOTE:For the diagnostic procedure, refer to LAN section. Basic Diagnostic Procedure1. OUTLINE OF DIAGNOSISDetect malfunction of CAN communication.Judge as NG when CAN communication failure has occurr ...

Other materials:

Malfunction indicator light does not go off
TROUBLE SYMPTOM:Although malfunction indicator light comes on when the engine runs, DTC is not shown on the Subaru Select Monitor or general scan tool display.STEPCHECKYESNO1.CHECK DTC.Is DTC of engine or LAN system displayed- Read Diagnostic Trouble Code (DTC) > OPERATIONCheck the appropriate DTC ...

© 2017-2026 Copyright www.sulegacy.com