Honda Civic manuals

Subaru Legacy BN/BS (2015-2019) Service Manual: Dtc p2009 tgv control circuit low bank 1

DTC DETECTING CONDITION:

Immediately at fault recognition

CAUTION:

After servicing or replacing faulty parts, perform Clear Memory Mode Clear Memory Mode > OPERATION, and Inspection Mode Inspection Mode > PROCEDURE.

WIRING DIAGRAM:

Engine Electrical System ENGINE TYPE FB (WITHOUT PUSH BUTTON START) Engine Electrical System > WIRING DIAGRAM

Engine Electrical System ENGINE TYPE FB (WITH PUSH BUTTON START) Engine Electrical System > WIRING DIAGRAM

STEPCHECKYESNO

1.CHECK HARNESS BETWEEN ECM AND TUMBLE GENERATOR VALVE ACTUATOR RH CONNECTOR.

1) Turn the ignition switch to OFF.

2) Disconnect the connector from ECM.

3) Measure the voltage between ECM connector and chassis ground.

Connector & terminal

(E158) No. 13 (+) — Chassis ground (−):

(E158) No. 52 (+) — Chassis ground (−):

Is the voltage 5 V or more-

Repair the short circuit to power in harness between ECM connector and tumble generator valve actuator RH connector.

Replace the tumble generator valve actuator RH. Tumble Generator Valve Actuator

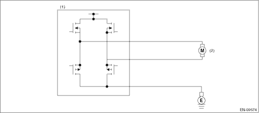
1. OUTLINE OF DIAGNOSIS

Detect the open or short circuit of tumble generator valve motor.

Judge as NG when the overcurrent signal is sent from IC after tumble generator valve driving IC diagnosis.

2. COMPONENT DESCRIPTION

(1)

Engine control module (ECM)

(2)

Tumble generator valve

3. EXECUTION CONDITION

Secondary Parameters

Execution condition

Battery voltage

≥ 10.9 V

Tumble generator valve drive signal

Open or Closed

4. GENERAL DRIVING CYCLE

Perform the diagnosis continuously after the enable conditions have been established.

5. DIAGNOSTIC METHOD

If the duration of time while the following conditions are met is longer than the time indicated, judge as NG.

Judgment Value

Malfunction Criteria

Threshold Value

Overcurrent signal from tumble generator valve drive IC

ON

Time Needed for Diagnosis: 96 ms - 10 time(s)

Malfunction Indicator Light Illumination: Illuminates as soon as a malfunction occurs.

Dtc p2011 tgv control circuit/open bank 2
DTC DETECTING CONDITION:Immediately at fault recognitionCAUTION:After servicing or replacing faulty parts, perform Clear Memory Mode Clear Memory Mode > OPERATION, and Inspection Mode Inspection Mod ...

Dtc p2008 tgv control circuit/open bank 1
DTC DETECTING CONDITION:Immediately at fault recognitionCAUTION:After servicing or replacing faulty parts, perform Clear Memory Mode Clear Memory Mode > OPERATION, and Inspection Mode Inspection Mod ...

Other materials:

Dtc p0111 intake air temperature sensor 1 circuit range/performance bank 1
DTC DETECTING CONDITION:Detected when two consecutive driving cycles with fault occur.TROUBLE SYMPTOM:• Improper idling• Poor driving performanceCAUTION:After servicing or replacing faulty parts, perform Clear Memory Mode Clear Memory Mode > OPERATION, and Inspection Mode Inspection Mo ...

© 2017-2026 Copyright www.sulegacy.com