DTC DETECTING CONDITION: Detected when two consecutive driving cycles with fault occur. CAUTION: After servicing or replacing faulty parts, perform Clear Memory Mode Clear Memory Mode > OPERATION, and Inspection Mode Inspection Mode > PROCEDURE. WIRING DIAGRAM: • Engine Electrical System ENGINE TYPE EZ (WITHOUT PUSH BUTTON START) Engine Electrical System > WIRING DIAGRAM • Engine Electrical System ENGINE TYPE EZ (WITH PUSH BUTTON START) Engine Electrical System > WIRING DIAGRAM 
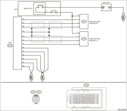
| STEP | CHECK | YES | NO | 1.CHECK REAR OXYGEN SENSOR CONNECTOR. | Has water entered the connector- | Completely remove any water inside. | Diagnostic Procedure with Diagnostic Trouble Code (DTC) > DTC P2270 O2 SENSOR SIGNAL BIASED/STUCK LEAN BANK 1 SENSOR 2 | 2.CHECK HARNESS BETWEEN ECM AND REAR OXYGEN SENSOR CONNECTOR. 1) Turn the ignition switch to OFF. 2) Disconnect the connector from ECM and rear oxygen sensor LH. 3) Measure the resistance of harness between ECM connector and rear oxygen sensor connector. Connector & terminal (E158) No. 59 — (E25) No. 3: (E158) No. 47 — (E25) No. 4: | Is the resistance less than 1 -- | Diagnostic Procedure with Diagnostic Trouble Code (DTC) > DTC P2270 O2 SENSOR SIGNAL BIASED/STUCK LEAN BANK 1 SENSOR 2 | Repair the open circuit of harness between ECM connector and rear oxygen sensor connector. | 3.CHECK HARNESS BETWEEN ECM AND REAR OXYGEN SENSOR CONNECTOR. 1) Connect the connector to ECM. 2) Turn the ignition switch to ON. 3) Measure the voltage between rear oxygen sensor connector and engine ground. Connector & terminal (E25) No. 3 (+) — Engine ground (−): | Is the voltage 0.15 V or more- | Repair the short circuit to power in the harness between ECM connector and rear oxygen sensor connector. | Diagnostic Procedure with Diagnostic Trouble Code (DTC) > DTC P2270 O2 SENSOR SIGNAL BIASED/STUCK LEAN BANK 1 SENSOR 2 | 4.CHECK EXHAUST SYSTEM. Check exhaust system parts. NOTE: Check the following items. • Looseness and improper fitting of exhaust system parts • Damage (crack, hole etc.) of parts • Damage (crack, hole etc.) between front oxygen (A/F) sensor and rear oxygen sensor LH | Is there any fault in exhaust system- | Repair or replace faulty parts. | Replace the rear oxygen sensor LH. Rear Oxygen Sensor |
1. OUTLINE OF DIAGNOSIS Detect the stuck of rear oxygen sensor voltage in lean state. When rear oxygen sensor voltage remains below the threshold value for predetermined time, diagnosis interrupts target air fuel ratio for control and raises output voltage. Judge as NG detecting the stuck in lean state when rear oxygen sensor voltage remains below the threshold value even after the interrupt control. 2. COMPONENT DESCRIPTION (A) | Electromotive force | (B) | Air fuel ratio | (C) | Lean | (D) | Rich | (E) | Theoretical air fuel ratio | (F) | Comparative voltage |
3. EXECUTION CONDITION Secondary Parameters | Execution condition | Battery voltage | ≥ 10.9 V | Sub feedback | In operation | Amount of intake air | ≥ 5 g/s (0.18 oz/s) | Estimated temperature of the rear oxygen sensor element | ≥ 500 °C (932 °F) | | | | Enable conditions at interrupt control are as follows | | Air fuel ratio reduced from target air fuel ratio | = Value of Map | Continuous time when rear oxygen sensor output voltage is less than 0.55 V | ≥ 30000 ms |
MapOutput voltage of rear oxygen sensor V | 0 | 0.15 | 0.2 | 0.4 | 0.6 | Air fuel ratio reduced from target air fuel ratio % | 15 | 15 | 5 | 5 | 5 | 4. GENERAL DRIVING CYCLE Perform the diagnosis only once after the enable conditions have been established. 5. DIAGNOSTIC METHOD If the duration of time while the following conditions are met is longer than the time indicated, judge as NG. Judgment ValueMalfunction Criteria | Threshold Value | Output voltage of rear oxygen sensor | < 0.55 V | Time Needed for Diagnosis: 60000 ms Malfunction Indicator Light Illumination: Illuminates when malfunction occurs in 2 continuous driving cycles. |