Honda Civic manuals

Subaru Legacy BN/BS (2015-2019) Service Manual: Dtc p2272 o2 sensor signal biased/stuck lean bank 2 sensor 2

DTC DETECTING CONDITION:

Detected when two consecutive driving cycles with fault occur.

CAUTION:

After servicing or replacing faulty parts, perform Clear Memory Mode Clear Memory Mode > OPERATION, and Inspection Mode Inspection Mode > PROCEDURE.

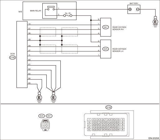
WIRING DIAGRAM:

Engine Electrical System ENGINE TYPE EZ (WITHOUT PUSH BUTTON START) Engine Electrical System > WIRING DIAGRAM

Engine Electrical System ENGINE TYPE EZ (WITH PUSH BUTTON START) Engine Electrical System > WIRING DIAGRAM

STEPCHECKYESNO

1.CHECK REAR OXYGEN SENSOR CONNECTOR.

Has water entered the connector-

Completely remove any water inside.

Diagnostic Procedure with Diagnostic Trouble Code (DTC) > DTC P2272 O2 SENSOR SIGNAL BIASED/STUCK LEAN BANK 2 SENSOR 2

2.CHECK HARNESS BETWEEN ECM AND REAR OXYGEN SENSOR CONNECTOR.

1) Turn the ignition switch to OFF.

2) Disconnect the connector from ECM and rear oxygen sensor RH.

3) Measure the resistance of harness between ECM connector and rear oxygen sensor connector.

Connector & terminal

(E158) No. 57 — (E61) No. 3:

(E158) No. 56 — (E61) No. 4:

Is the resistance less than 1 --

Diagnostic Procedure with Diagnostic Trouble Code (DTC) > DTC P2272 O2 SENSOR SIGNAL BIASED/STUCK LEAN BANK 2 SENSOR 2

Repair the open circuit of harness between ECM connector and rear oxygen sensor connector.

3.CHECK HARNESS BETWEEN ECM AND REAR OXYGEN SENSOR CONNECTOR.

1) Connect the connector to ECM.

2) Turn the ignition switch to ON.

3) Measure the voltage between rear oxygen sensor connector and engine ground.

Connector & terminal

(E61) No. 3 (+) — Engine ground (−):

Is the voltage 0.15 V or more-

Repair the short circuit to power in the harness between ECM connector and rear oxygen sensor connector.

Diagnostic Procedure with Diagnostic Trouble Code (DTC) > DTC P2272 O2 SENSOR SIGNAL BIASED/STUCK LEAN BANK 2 SENSOR 2

4.CHECK EXHAUST SYSTEM.

Check exhaust system parts.

NOTE:

Check the following items.

Looseness and improper fitting of exhaust system parts

Damage (crack, hole etc.) of parts

Damage (crack, hole etc.) between front oxygen (A/F) sensor and rear oxygen sensor RH

Is there any fault in exhaust system-

Repair or replace faulty parts.

Replace the rear oxygen sensor RH. Rear Oxygen Sensor

1. OUTLINE OF DIAGNOSIS

NOTE:

For the detection standard, refer to DTC P2270. Diagnostic Procedure with Diagnostic Trouble Code (DTC) > DTC P2270 O2 SENSOR SIGNAL BIASED/STUCK LEAN BANK 1 SENSOR 2

Dtc p2273 o2 sensor signal biased/stuck rich bank 2 sensor 2
DTC DETECTING CONDITION:Detected when two consecutive driving cycles with fault occur.CAUTION:After servicing or replacing faulty parts, perform Clear Memory Mode Clear Memory Mode > OPERATION, and I ...

Dtc p2198 a/f / o2 sensor signal biased/stuck rich bank 2 sensor 1
DTC DETECTING CONDITION:Detected when two consecutive driving cycles with fault occur.CAUTION:After servicing or replacing faulty parts, perform Clear Memory Mode Clear Memory Mode > OPERATION, and I ...

Other materials:

Auto-dimming mirror with HomeLink (except U.S.-spec. models - if equipped)
1) HomeLink button 1 2) HomeLink button 2 3) LED 4) HomeLink button 3 5) Sensor 6) Automatic dimming on button 7) Automatic dimming off button The auto-dimming mirror has an anti-glare feature which automatically reduces glare coming from headlights of vehicles behind you. It also cont ...

© 2017-2025 Copyright www.sulegacy.com