Honda Civic manuals

Subaru Legacy BN/BS (2015-2019) Service Manual: Dtc p2273 o2 sensor signal biased/stuck rich bank 2 sensor 2

DTC DETECTING CONDITION:

Detected when two consecutive driving cycles with fault occur.

CAUTION:

After servicing or replacing faulty parts, perform Clear Memory Mode Clear Memory Mode > OPERATION, and Inspection Mode Inspection Mode > PROCEDURE.

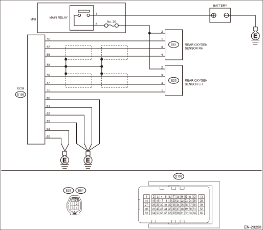
WIRING DIAGRAM:

Engine Electrical System ENGINE TYPE EZ (WITHOUT PUSH BUTTON START) Engine Electrical System > WIRING DIAGRAM

Engine Electrical System ENGINE TYPE EZ (WITH PUSH BUTTON START) Engine Electrical System > WIRING DIAGRAM

STEPCHECKYESNO

1.CHECK REAR OXYGEN SENSOR CONNECTOR.

Has water entered the connector-

Completely remove any water inside.

Diagnostic Procedure with Diagnostic Trouble Code (DTC) > DTC P2273 O2 SENSOR SIGNAL BIASED/STUCK RICH BANK 2 SENSOR 2

2.CHECK HARNESS BETWEEN ECM AND REAR OXYGEN SENSOR CONNECTOR.

1) Turn the ignition switch to OFF.

2) Disconnect the connector from ECM and rear oxygen sensor RH.

3) Measure the resistance of harness between ECM connector and rear oxygen sensor connector.

Connector & terminal

(E158) No. 57 — (E61) No. 3:

(E158) No. 56 — (E61) No. 4:

Is the resistance less than 1 --

Diagnostic Procedure with Diagnostic Trouble Code (DTC) > DTC P2273 O2 SENSOR SIGNAL BIASED/STUCK RICH BANK 2 SENSOR 2

Repair the open circuit of harness between ECM connector and rear oxygen sensor connector.

3.CHECK HARNESS BETWEEN ECM AND REAR OXYGEN SENSOR CONNECTOR.

Measure the resistance between the ECM connector and engine ground.

Connector & terminal

(E61) No. 3 — Engine ground:

Is the resistance 1 M- or more-

Diagnostic Procedure with Diagnostic Trouble Code (DTC) > DTC P2273 O2 SENSOR SIGNAL BIASED/STUCK RICH BANK 2 SENSOR 2

Repair the short circuit to ground in harness between ECM connector and rear oxygen sensor connector.

4.CHECK EXHAUST SYSTEM.

Check exhaust system parts.

NOTE:

Check the following items.

Looseness and improper fitting of exhaust system parts

Damage (crack, hole etc.) of parts

Damage (crack, hole etc.) between front oxygen (A/F) sensor and rear oxygen sensor RH

Is there any fault in exhaust system-

Repair or replace faulty parts.

Replace the rear oxygen sensor RH. Rear Oxygen Sensor

1. OUTLINE OF DIAGNOSIS

NOTE:

For the detection standard, refer to DTC P2271. Diagnostic Procedure with Diagnostic Trouble Code (DTC) > DTC P2271 O2 SENSOR SIGNAL BIASED/STUCK RICH BANK 1 SENSOR 2

Dtc u0077 lin communication bus "ecm/pcm" off
DTC DETECTING CONDITION:Immediately at fault recognitionCAUTION:After servicing or replacing faulty parts, perform Clear Memory Mode Clear Memory Mode > OPERATION, and Inspection Mode Inspection Mod ...

Dtc p2272 o2 sensor signal biased/stuck lean bank 2 sensor 2
DTC DETECTING CONDITION:Detected when two consecutive driving cycles with fault occur.CAUTION:After servicing or replacing faulty parts, perform Clear Memory Mode Clear Memory Mode > OPERATION, and I ...

Other materials:

Dtc p1451 evap system clog detected (pipe)
DTC DETECTING CONDITION:Detected when two consecutive driving cycles with fault occur.CAUTION:After servicing or replacing faulty parts, perform Clear Memory Mode Clear Memory Mode > OPERATION, and Inspection Mode Inspection Mode > PROCEDURE.STEPCHECKYESNO1.CHECK DRAIN TUBE BETWEEN CANISTER AND LE ...

© 2017-2026 Copyright www.sulegacy.com