Honda Civic manuals

Subaru Legacy BN/BS (2015-2019) Service Manual: Dtc u0077 lin communication bus "ecm/pcm" off

DTC DETECTING CONDITION:

Immediately at fault recognition

CAUTION:

After servicing or replacing faulty parts, perform Clear Memory Mode Clear Memory Mode > OPERATION, and Inspection Mode Inspection Mode > PROCEDURE.

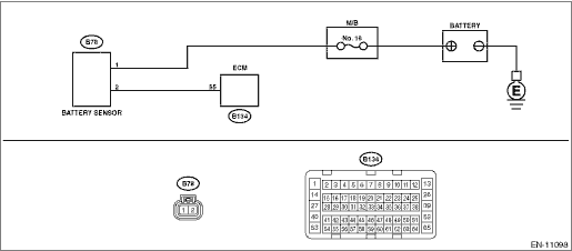
WIRING DIAGRAM:

Engine Electrical System ENGINE TYPE EZ (WITHOUT PUSH BUTTON START) Engine Electrical System > WIRING DIAGRAM

Engine Electrical System ENGINE TYPE EZ (WITH PUSH BUTTON START) Engine Electrical System > WIRING DIAGRAM

STEPCHECKYESNO

1.CHECK DTC.

Check for DTC. Read Diagnostic Trouble Code (DTC)

Is U0077 displayed in «Present fault»-

Diagnostic Procedure with Diagnostic Trouble Code (DTC) > DTC U0077 LIN COMMUNICATION BUS "ECM/PCM" OFF

Even if DTC is detected, the circuit has returned to a normal condition at this time. Reproduce the failure, and then perform the diagnosis again.

2.CHECK ECM CONNECTOR.

Check the connecting condition of ECM connector.

Is the ECM connector correctly connected-

Diagnostic Procedure with Diagnostic Trouble Code (DTC) > DTC U0077 LIN COMMUNICATION BUS "ECM/PCM" OFF

Connect the ECM connector correctly.

3.CHECK HARNESS BETWEEN BATTERY AND BATTERY SENSOR CONNECTOR.

1) Turn the ignition switch to OFF.

2) Disconnect the ground terminal from battery sensor. NOTE

3) Disconnect the connector from battery sensor.

4) Disconnect the positive terminal of battery.

5) Measure the resistance of the harness between battery positive cable terminal and battery sensor connector.

Connector & terminal

Positive cable terminal — (B9) No. 1:

Is the resistance less than 1 --

Diagnostic Procedure with Diagnostic Trouble Code (DTC) > DTC U0077 LIN COMMUNICATION BUS "ECM/PCM" OFF

Repair the open circuit in harness between battery positive cable terminal and battery sensor connector.

4.CHECK HARNESS BETWEEN ECM AND BATTERY SENSOR CONNECTOR.

Measure the resistance between ECM connector and chassis ground.

Connector & terminal

(B134) No. 55 — Chassis ground:

Is the resistance 1 M--

Diagnostic Procedure with Diagnostic Trouble Code (DTC) > DTC U0077 LIN COMMUNICATION BUS "ECM/PCM" OFF

Repair the short circuit to ground in harness between ECM connector and battery sensor connector.

5.CHECK HARNESS BETWEEN ECM AND BATTERY SENSOR CONNECTOR.

1) Disconnect the connector from ECM.

2) Measure the resistance of harness between ECM connector and battery sensor connector.

Connector & terminal

(B134) No. 55 — (B78) No. 2:

Is the resistance less than 1 --

Check for the poor contact of ECM connector or battery sensor connector. Repair or replace if defective. Diagnostic Procedure with Diagnostic Trouble Code (DTC) > DTC U0077 LIN COMMUNICATION BUS "ECM/PCM" OFF

Repair the harness and connector.

NOTE:

In this case, repair the following item:

Open circuit in harness between ECM connector and battery sensor connector

Poor contact of coupling connector

6.CHECK DTC.

1) Connect ECM connector and battery sensor connector.

2) Check for DTC. Read Diagnostic Trouble Code (DTC)

Is U0077 displayed in «Present fault»-

ECM is faulty. Replace the ECM. Engine Control Module (ECM)

The circuit has returned to a normal condition at this time. Reproduce the failure, and then perform the diagnosis again.

1. OUTLINE OF DIAGNOSIS

Detect malfunction of LIN communication.

Judge as NG when the data sent/received via LIN communication is abnormal.

2. COMPONENT DESCRIPTION

LIN communication is used to send/receive data between ECM and battery sensor.

3. EXECUTION CONDITION

Secondary Parameters

Execution condition

Battery voltage

≥ 10.9 V

4. GENERAL DRIVING CYCLE

Always perform the diagnosis continuously.

5. DIAGNOSTIC METHOD

If the duration of time while the following conditions are met is longer than the time indicated, judge as NG.

Judgment Value

Malfunction Criteria

Threshold Value

Data sent/received with control modules connected to LIN

No change

or

Checksum error

Time Needed for Diagnosis: 1280 ms

Malfunction Indicator Light Illumination: Illuminates as soon as a malfunction occurs.

Dtc u1712 lost lin communication with battery "1" monitor module
NOTE:For the diagnostic procedure, refer to DTC U0077. Diagnostic Procedure with Diagnostic Trouble Code (DTC) > DTC U0073 CONTROL MODULE COMMUNICATION BUS OFF1. OUTLINE OF DIAGNOSISDetect malfunctio ...

Dtc p2273 o2 sensor signal biased/stuck rich bank 2 sensor 2
DTC DETECTING CONDITION:Detected when two consecutive driving cycles with fault occur.CAUTION:After servicing or replacing faulty parts, perform Clear Memory Mode Clear Memory Mode > OPERATION, and I ...

Other materials:

Dtc b1643 side satellite sensor bus rh initialization error
DIAGNOSIS START CONDITION:Ignition voltage is 10 V to 16 V.DTC DETECTING CONDITION:Side sensor RH bus line communication initialization error (open/short circuit or connector connection failure between airbag CM and side airbag sensor RH, open/short circuit or connector connection failure between si ...

© 2017-2025 Copyright www.sulegacy.com