Honda Civic manuals

Subaru Legacy BN/BS (2015-2019) Service Manual: Electrical specification

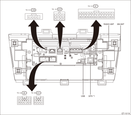
1. NAVIGATION UNIT OR AUDIO (7-INCH DISPLAY)

*1:

Models with navigation system

Power supply and speaker output terminal

Terminal No.

Contents

Measuring condition

Measurement value

Note

(i35) or (i85) No. 1

FRONT-RH (+)

(i35) or (i85) No. 2

FRONT-LH (+)

(i35) or (i85) No. 3 ←> Chassis ground

ACC

ACC ON

11 — 15 V

(i35) or (i85) No. 4 ←> Chassis ground

+B

Always

11 — 15 V

(i35) or (i85) No. 5

FRONT-RH (−)

(i35) or (i85) No. 6

FRONT-LH (−)

(i35) or (i85) No. 7 ←> Chassis ground

GND

Always

0 V

(i35) or (i85) No. 8

ANTENNA-ON

(i35) or (i85) No. 9

N.C.

(i35) or (i85) No. 10

ILLUMI (+)

(i36) or (i131) No. 1

REAR-RH (+) / N.C.*1

(i36) or (i131) No. 2

REAR-LH (+) / INT+*1

(i36) or (i131) No. 3

REAR-RH (−) / N.C.*1

(i36) or (i131) No. 4

N.C. / SLD2*1

(i36) or (i131) No. 5

ILLUMI (−)

(i36) or (i131) No. 6

REAR-LH (−) / INT (–)*1

*1: Model with power amplifier

Steering switch and AUX input terminal for microphone etc.

Terminal No.

Contents

Measuring condition

Measurement value

Note

(i87) No. 1 ←> Chassis ground

IGN

IGN ON

11 — 15 V

(i87) No. 2

REV

(i87) No. 3

BRIGHT

(i87) No. 4

MACC

(i87) No. 5

MIC+

(i87) No. 6

MIC DET

(i87) No. 7

N.C. /TX1+ (for brand AMP communication)*1

(i87) No. 8

N.C. /TX1− (for brand AMP communication)*1

(i87) No. 9

CAN+

CAN communication line

(i87) No. 10

CAN−

CAN communication line

(i87) No. 11

AC-UART (+)

UART communication line

(i87) No. 12

AC-UART (−)

UART communication line

(i87) No. 13

NC

(i87) No. 14

SHIELD-GND (AUX)

(i87) No. 15 ←> Chassis ground

PKB

At parking ON

1 V or less

(i87) No. 16

MUTE

(i87) No. 17 ←> Chassis ground

SPD

When the tire is rotating

Pulse signal

(i87) No. 18

SHIELD-GND (MIC)

(i87) No. 19

MIC-

(i87) No. 20

NC

(i87) No. 21

SW1

(i87) No. 22

SW2

(i87) No. 23

SWG

(i87) No. 24

N.C.

(i87) No. 25

AUX-DET

(i87) No. 26

AUX-R (+)

(i87) No. 27

AUX-LR (−)

(i87) No. 28

AUX-L (+)

*1: Model with power amplifier

Rearview camera

Terminal No.

Contents

Measuring condition

Measurement value

Note

(i146) No. 1 ←> Chassis ground

CGND

Always

0 V

(i146) No. 2

CB+

(i146) No. 3

CV+

(i146) No. 4

CV−

(i146) No. 5

NC

RSE

Terminal No.

Contents

Measuring condition

Measurement value

Note

(i272) No. 1 ←> Chassis ground

VV+(VTR-COMP)

(i272) No. 2

VV−(VTR-GND)

(i272) No. 3

NC

(i272) No. 4

NC

(i272) No. 5

VV-(VTR-GND)

(i272) No. 6

VV+(VTR-COMP)

(i272) No. 7

SHIELD-GND

(i272) No. 8

MUTE*1/NC

*1: Model with telematics

2. POWER AMPLIFIER

Terminal No.

Contents

Details

(B316) No. 1

+B

Battery power supply

(B316) No. 2

NC

Not connected

(B316) No. 3

NC

Not connected

(B316) No. 4

NC

Not connected

(B316) No. 5

NC

Not connected

(B316) No. 6

NC

Not connected

(B316) No. 7

NC

Not connected

(B316) No. 8

WF+

Sub woofer positive

(B316) No. 9

TWR+

Instrument panel right side speaker positive

(B316) No. 10

CTR+

Instrument panel center speaker positive

(B316) No. 11

FL+

Left side front door speaker positive

(B316) No. 12

FR+

Right side front door speaker positive

(B316) No. 13

TWL+

Instrument panel left side speaker positive

(B316) No. 14

RL+

Left side rear door speaker positive

(B316) No. 15

RR+

Right side rear door speaker positive

(B316) No. 16

+B2

Battery power supply

(B316) No. 17

NC

Not connected

(B316) No. 18

GND2

Ground

(B316) No. 19

NC

Not connected

(B316) No. 20

NC

Not connected

(B316) No. 21

NC

Not connected

(B316) No. 22

NC

Not connected

(B316) No. 23

WF−

Sub woofer negative

(B316) No. 24

TWR−

Instrument panel right side speaker negative

(B316) No. 25

CTR−

Instrument panel center speaker negative

(B316) No. 26

FL−

Left side front door speaker negative

(B316) No. 25

FR−

Right side front door speaker negative

(B316) No. 28

TWL−

Instrument panel left side speaker negative

(B316) No. 29

RL−

Left side rear door speaker negative

(B316) No. 30

RR−

Right side rear door speaker negative

(i262) No. 1

MUTE

MUTE

(i262) No. 2

L−

Left channel negative input

(i262) No. 3

L+

Left channel positive input

(i262) No. 4

R−

Right channel negative input

(i262) No. 5

R+

Right channel positive input

(i262) No. 6

SLD

Shield

(i262) No. 7

TX−

Transmitter negative

(i262) No. 8

TX+

Transmitter positive

(i262) No. 9

EQ CHG

Equalizer select (change)*1

(i262) No. 10

L/RHD-SEL

Equalizer select (change)*2

(i262) No. 11

SPEED

Vehicle speed pulse

(i262) No. 12

ACC

ACC power supply

(i262) No. 13

NC

Not connected

(i262) No. 14

II1−

Interrupt information negative

(i262) No. 15

II1+

Interrupt information positive

(i262) No. 16

NC

Not connected

(i262) No. 17

NC

Not connected

(i262) No. 18

SLD2

Shield

(i262) No. 19

NC

Not connected

(i262) No. 20

NC

Not connected

(i262) No. 21

NMUTE

Navigation mute (not used)

(i262) No. 22

NC

Not connected

(i262) No. 23

NC

Not connected

(i262) No. 24

TMUTE

Telephone mute (not used)

NOTE:

*1: Different audio tunings are used on SDN model and OUTBACK model. Therefore, connection is selectively established as follows: For the sedan model, connection is established to GND. For the OUTBACK model, connection is not established.

*2: Different audio tunings are used on RHD model and LHD model. Therefore, connection is selectively established as follows: For the RHD model, connection is established to GND. For the LHD model, connection is not established.

System block diagram
...

Wiring diagram
Refer to “Audio System” in the wiring diagram. Audio System > WIRING DIAGRAMRefer to “Navigation System” in the wiring diagram. Navigation System > WIRING DIAGRAMRefer to &ld ...

Other materials:

Dtc p0756 shift solenoid "b" performance/stuck off
DTC DETECTING CONDITION:Detected when two consecutive driving cycles with fault occur.TROUBLE SYMPTOM:• Acceleration is poor during standing start.• Shift control malfunction1. ENGINE TYPE FBWIRING DIAGRAM:CVT control system CVT Control System > WIRING DIAGRAMSTEPCHECKYESNO1.CHECK DTC.R ...

© 2017-2026 Copyright www.sulegacy.com