Honda Civic manuals

Subaru Legacy BN/BS (2015-2019) Service Manual: How to read wiring diagrams

1. POWER SUPPLY CIRCUIT

Circuits are described to indicate the power supply in the wiring diagram of each system. “MB-5”, “MB-6”, etc., which are used as power- supply symbols throughout the text, correspond with those shown in the “DC POWER SUPPLY CIRCUIT” in the wiring diagram of each system. Accordingly, using the DC power supply circuit and the wiring diagram of each system permits service personnel to understand the entire electrical arrangement of the system.

2. WIRING DIAGRAM OF EACH SYSTEM

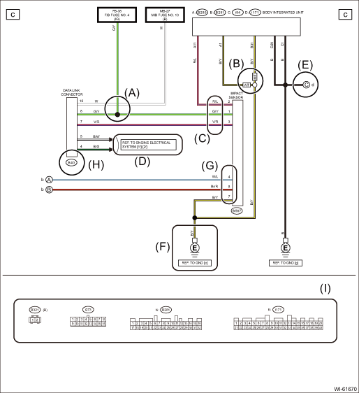
(1) Fuse No. & rating

The “Fuse No. & rating” is the same description as that in the DC power supply circuit, and corresponds with that used in the vehicle.

(2) Wiring diagram of each system

To help figure out the route from the DC power supply circuit, wiring diagrams are classified and described in each system.

NOTE:

This manual includes harness information. Information of parts that are not routed via harness and adapter code is described as a reference. If no information is described in this manual, refer to each section.

(A):Wire connection and crossing in a circuit

(B):Classification by specifications

If a circuit differs from another circuit according to vehicle specifications, the specification difference is indicated with abbreviations.

(C):Color code

Indicates the color of harness and connector housing.

Color code

Color

Color code

Color

Color code

Color

B

Black

S

Shield line

Gr

Gray

G

Green

V

Violet

Lg

Light green

L

Blue

W

White

Sb

Light blue

Or

Orange

Y

Yellow

White or natural color

P

Pink

Be

Beige

R

Red

Br

Brown

(Color code of harness)

Single color is indicated with a color code, and double colors are indicated with “standard color / marking color”.

(Color code of connector housing)

Used in the connector sketch and the locations.

(D):Connection to another system in the same circuit

Indicates the connecting to with alphanumeric characters, which correspond to the descriptions shown on the upper section of each page.

(E):Connections in the system

(A) indicates destination of this circuit, and (B) indicates a page corresponding to the destination.

(F):Ground

The ground points shown in the ground circuit refer to the following, which correspond to the locations.

(G):Terminal No.

Indicates the terminal number of the connector to be connected. If several connectors are connected to a component, they are identified with alphabetic characters.

(H):Connector No.

The first alphabetic characters of the connector number correspond with the following symbols that indicate harnesses or systems.

Symbol

Harness/cord

Symbol

Harness/cord

AB

Airbag wiring harness

F

Front wiring harness

AD

Adapter cord

Generator cord

AT/T

Transmission cord

i

Instrument panel

Wiring harness

B

Bulkhead wiring harness

D

Door cord / Rear gate code

R

Rear wiring harness

E

Engine wiring harness

Fuel cord / Roof cord

Oxygen sensor cord

Rear gate cord /

Trunk lid cord

ST

Steering cord

(I) Connector sketch

The connector sketch at the bottom shows the connectors used in the wiring diagram.

(3) Connector

The following shows the connector shape, lock position, connection and terminal number that are used in this manual.

For connector shape, refer to the connector sketch.

The sketch of the connector and the terminal number are indicated in a disconnected state which is viewed from the terminal side.

The connector sketch usually indicates a female connector.

The connector used in the wiring diagram of the system indicates only the intermediate connection, therefore, no parts, J/Cs and grounds are described. In addition, if the different circuits are connected with the same connector, a dot line is used to indicate that these are the same.

When connecting the connector, the terminals with the same number are jointed. When the connector is disconnected, the terminal location is symmetrical.

3. LOCATION

In this manual, the location is classified in each harness, and the connector location is indicated using coordinates.

The following connector symbols are used to easily identify the connectors.

The ground point is indicated as follows.

4. SYMBOLS IN WIRING DIAGRAMS

5. ABBREVIATIONS IN THIS MANUAL

Abbr.

Full name

ABS

Anti-lock Brake System

ACC

Accessory

A/C

Air Conditioner

ASSY

Assembly

A/F

Air/Fuel (air fuel ratio sensor)

ATF

Automatic Transmission Fluid

AUX

Auxiliary Audio Input Terminal

AWD

All Wheel Drive

B, BAT

Battery

BSD/RCTA

Blind Spot Detection/Rear Cross Traffic Alert

CAN

Controller Area Network

CL

Close

CM

Control Module

CVT

Continuously Variable Transmission

D

Drive range or Down

DC/DC

Direct Current / Direct Current (converter)

DN

Down

E

Ground

ECM

Engine Control Module

EEPROM

Electrically Erasable Programmable Read-Only Memory

EGR

Exhaust Gas Recirculation

ELCM

Evaporative Leak Check Module

EPB

Electronic Parking Brake

F

Front

F/B

Fuse & Relay Box

FL

Front Left

FR

Front Right

G

Gravity (G sensor)

GPS

Global Positioning System

H/L

Headlight

HI

High

I/F

Interface

IG

Ignition

INT

Intermittent

ISO

International Organization for Standardization

J/C

Joint Connector

LCD

Liquid Crystal Display

L, LH

Left Hand

LO

Low

LWR

Lower

M

Motor

M/B

Main Fuse Box

MFD

Multi Function Display

MIST

Wiper for mist

MT

Manual Transmission

N

Neutral Range

OP

Optional Parts or Open

P

Parking or Parking range

PASS

Passing

R

Reverse Range

RES

Reset

R, RH

Rear or Right Hand

RL

Rear Left

RR

Rear Right

SBF

Slow Blow Fuse

SRF

Steering Responsive Fog Lights

ST

Starter

SW

Switch

TCM

Transmission Control Module

TEL

Telephone

TFT

Thin Film Transistor

TPMS

Tire Pressure Monitor System

UP

Up

UPR

Upper

VDC

Vehicle Dynamics Control

WASH

Washer

Basic diagnostic procedure
...

Basic procedures
1. GENERAL DESCRIPTIONThe most important purpose of diagnostics is to quickly determine which fault is the root cause of the symptom, to save time and labor.2. IDENTIFICATION OF TROUBLE CAUSE1. Using ...

Other materials:

Dtc p0712 transmission fluid temperature sensor "a" circuit low
DTC DETECTING CONDITION:Immediately at fault recognitionTROUBLE SYMPTOM:• Excessive shift shock• Shift characteristics malfunction1. ENGINE TYPE FBWIRING DIAGRAM:CVT control system CVT Control System > WIRING DIAGRAMSTEPCHECKYESNO1.CHECK HARNESS.1) Turn the ignition switch to OFF.2) Dis ...

© 2017-2026 Copyright www.sulegacy.com