Honda Civic manuals

Subaru Legacy BN/BS (2015-2019) Service Manual: Ignition control system

CAUTION:

After servicing or replacing faulty parts, perform Clear Memory Mode Clear Memory Mode > OPERATION, and Inspection Mode Inspection Mode > PROCEDURE.

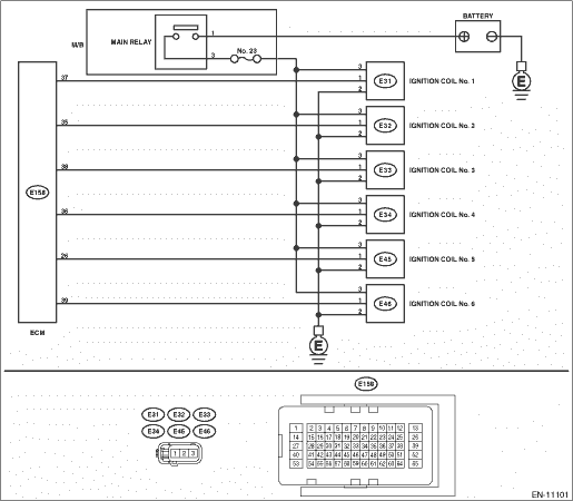
WIRING DIAGRAM:

Engine Electrical System ENGINE TYPE EZ (WITHOUT PUSH BUTTON START) Engine Electrical System > WIRING DIAGRAM

Engine Electrical System ENGINE TYPE EZ (WITH PUSH BUTTON START) Engine Electrical System > WIRING DIAGRAM

STEPCHECKYESNO

1.CHECK SPARK PLUG CONDITION.

1) Remove the spark plug. Spark Plug > REMOVAL

2) Check the spark plug condition. Spark Plug > INSPECTION

Is the spark plug condition normal-

Diagnostics for Engine Starting Failure > IGNITION CONTROL SYSTEM

Replace the spark plug. Spark Plug

2.CHECK IGNITION SYSTEM FOR SPARKS.

1) Connect the spark plug to ignition coil.

2) Release the fuel pressure. Fuel > PROCEDURE

3) Contact the spark plug thread portion to engine.

4) While opening the throttle valve fully, start the engine to check if spark occurs at each cylinder.

Does spark occur at each cylinder-

Check fuel pump system. Diagnostics for Engine Starting Failure > FUEL PUMP CIRCUIT

Diagnostics for Engine Starting Failure > IGNITION CONTROL SYSTEM

3.CHECK IGNITION COIL POWER SUPPLY CIRCUIT.

1) Turn the ignition switch to OFF.

2) Disconnect the connector from ignition coil.

3) Turn the ignition switch to ON.

4) Measure the voltage between ignition coil connector and engine ground.

Connector & terminal

(E31) No. 3 (+) — Engine ground (−):

(E32) No. 3 (+) — Engine ground (−):

(E33) No. 3 (+) — Engine ground (−):

(E34) No. 3 (+) — Engine ground (−):

(E45) No. 3 (+) — Engine ground (−):

(E46) No. 3 (+) — Engine ground (−):

Is the voltage 10 V or more-

Diagnostics for Engine Starting Failure > IGNITION CONTROL SYSTEM

Repair the harness and connector.

NOTE:

In this case, repair the following item:

Open or short to ground in harness of power supply circuit

Blown out of fuse (M/B No. 14)

Poor contact of coupling connector

4.CHECK HARNESS OF IGNITION COIL GROUND CIRCUIT.

1) Turn the ignition switch to OFF.

2) Measure the resistance of harness between ignition coil connector and engine ground.

Connector & terminal

(E31) No. 2 — Engine ground:

(E32) No. 2 — Engine ground:

(E33) No. 2 — Engine ground:

(E34) No. 2 — Engine ground:

(E45) No. 2 — Engine ground:

(E46) No. 2 — Engine ground

Is the resistance less than 5 --

Diagnostics for Engine Starting Failure > IGNITION CONTROL SYSTEM

Repair the open circuit in harness between ignition coil connector and engine grounding terminal.

5.CHECK HARNESS BETWEEN ECM AND IGNITION COIL CONNECTOR.

1) Disconnect the connector from ECM.

2) Measure the resistance of harness between ECM connector and ignition coil connector.

Connector & terminal

(B158) No. 37 — (E31) No. 1:

(B158) No. 35 — (E32) No. 1:

(B158) No. 38 — (E33) No. 1:

(B158) No. 36 — (E34) No. 1:

(B158) No. 26 — (E45) No. 1:

(B158) No. 39 — (E46) No. 1:

Is the resistance less than 1 --

Diagnostics for Engine Starting Failure > IGNITION CONTROL SYSTEM

Repair the harness and connector.

NOTE:

In this case, repair the following item:

Open circuit of harness between ECM connector and the ignition coil connector

Poor contact of coupling connector

6.CHECK HARNESS BETWEEN ECM AND IGNITION COIL CONNECTOR.

Measure the resistance of harness between ECM connector and chassis ground.

Connector & terminal:

(B158) No. 37 — Chassis ground:

(B158) No. 35 — Chassis ground:

(B158) No. 38 — Chassis ground:

(B158) No. 36 — Chassis ground:

(B158) No. 26 — Chassis ground:

(B158) No. 39 — Chassis ground:

Is the resistance 1 M- or more-

Diagnostics for Engine Starting Failure > IGNITION CONTROL SYSTEM

Repair the ground short circuit of harness between ECM connector and ignition coil connector.

7.CHECK FOR POOR CONTACT.

Check for poor contact of ECM connector.

Is there poor contact of ECM connector-

Repair the poor contact of ECM connector.

Replace the ignition coil. Ignition Coil

Fuel pump circuit
CAUTION:After servicing or replacing faulty parts, perform Clear Memory Mode Clear Memory Mode > OPERATION, and Inspection Mode Inspection Mode > PROCEDURE.STEPCHECKYESNO1.CHECK OPERATING SOUND OF F ...

Procedure
1. Check of the fuel amount↓2. Inspection of starter motor circuit Diagnostics for Engine Starting Failure > STARTER MOTOR CIRCUIT↓3. Inspection of ECM power supply and ground line Diagnos ...

Other materials:

Dtc p013a o2 sensor slow response - rich to lean bank 1 sensor 2
DTC DETECTING CONDITION:Detected when two consecutive driving cycles with fault occur.CAUTION:After servicing or replacing faulty parts, perform Clear Memory Mode Clear Memory Mode > OPERATION, and Inspection Mode Inspection Mode > PROCEDURE.WIRING DIAGRAM:• Engine Electrical System ENGINE T ...

© 2017-2025 Copyright www.sulegacy.com