Honda Civic manuals

Subaru Legacy BN/BS (2015-2019) Service Manual: Inspection

1. COMMUNICATION FOR INITIALIZING IMPOSSIBLE

DETECTING CONDITION:

Defective harness connector

Defective power steering control module

TROUBLE SYMPTOM:

Communication is impossible between the power steering control module and Subaru Select Monitor.

After starting the engine, the STEERING warning light does not illuminate but steering effort is heavy.

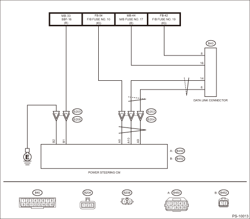
WIRING DIAGRAM:

Electric power steering system Electric Power Steering System

STEPCHECKYESNO

1.CHECK IGNITION SWITCH.

Is the ignition switch ON-

Subaru Select Monitor > INSPECTION

Turn the ignition switch to ON, and select the power steering using the Subaru Select Monitor.

2.CHECK BATTERY.

1) Turn the ignition switch to OFF.

2) Measure the battery voltage.

Is the voltage 11 V or more-

Subaru Select Monitor > INSPECTION

Charge or replace the battery.

3.CHECK BATTERY TERMINAL.

Is there poor contact at battery terminal-

Repair or tighten the battery terminal.

Subaru Select Monitor > INSPECTION

4.CHECK POWER STEERING CONTROL MODULE CONNECTOR INSTALLATION.

Turn the ignition switch to OFF.

Is the power steering control module connector inserted into the power steering control module until the clamp locks-

Subaru Select Monitor > INSPECTION

Insert the power steering control module connector into the power steering control module.

5.CHECK LAN SYSTEM.

Perform the diagnosis for LAN system. Basic Diagnostic Procedure

Is there any fault in LAN system-

Perform the diagnosis according to DTC for LAN system. List of Diagnostic Trouble Code (DTC)

Subaru Select Monitor > INSPECTION

6.CHECK SUBARU SELECT MONITOR COMMUNICATION.

1) Turn the ignition switch to ON.

2) Check whether communication to electric power steering system can be executed normally.

Is the system name displayed on Subaru Select Monitor-

Check DTC of electric power steering system. Read Diagnostic Trouble Code (DTC)

Subaru Select Monitor > INSPECTION

7.CHECK POWER SUPPLY CIRCUIT.

1) Turn the ignition switch to ON. (Engine OFF)

2) Measure the ignition power supply voltage between the power steering control module connector and chassis ground.

Connector & terminal

(B204) No. 3 (+) — Chassis ground (−):

(B206) No. 2 (+) — Chassis ground (−):

Is the voltage 10 — 15 V-

Subaru Select Monitor > INSPECTION

Repair the open circuit in the harness between the power steering control module and the battery.

8.CHECK HARNESS CONNECTOR BETWEEN POWER STEERING CONTROL MODULE AND CHASSIS GROUND.

1) Turn the ignition switch to OFF.

2) Disconnect the power steering control module connector.

3) Measure the resistance of harness between power steering control module connector and chassis ground.

Connector & terminal

(B206) No. 1 — Chassis ground:

Is the resistance less than 10 --

Subaru Select Monitor > INSPECTION

Repair the open circuit of the power steering control module ground circuit and the poor contact of connector.

9.CHECK POOR CONTACT OF CONNECTOR.

Is there poor contact of power steering control module power supply, ground circuit and data link connector-

Repair the connector.

Replace the steering gearbox. Electric Power Steering Gearbox

2. WITHOUT DTC

DETECTING CONDITION:

Defective combination meter

Open circuit of harness

TROUBLE SYMPTOM:

The STEERING warning light will not turn off.

«No Diagnostic Code Present» will be displayed on Subaru Select Monitor.

NOTE:

When the STEERING warning light is OFF and «No Diagnostic Code Present» is displayed on Subaru Select Monitor when all DTCs are read, the system is operating properly.

STEPCHECKYESNO

1.CHECK LAN SYSTEM.

Perform the diagnosis for LAN system using the Subaru Select Monitor. Basic Diagnostic Procedure

Is DTC U0131 detected-

Perform the diagnosis according to DTC for LAN system. List of Diagnostic Trouble Code (DTC)

Subaru Select Monitor > INSPECTION

2.CHECK COMBINATION METER.

Check the STEERING warning light when the ignition is turned from OFF to ON.

Does the STEERING warning light illuminate at ignition switch ON, and turn off two seconds after the engine is started-

Finish the diagnosis.

Replace the combination meter. Combination Meter

Operation
1. HOW TO USE SUBARU SELECT MONITORFor detailed operation procedures, refer to “Application help”.2. READ CURRENT DATA1. On «Start» display, select «Diagnosis».2. On «Vehicle selectio ...

Power assisted system (power steering)
...

Other materials:

Dtc p0132 a/f / o2 sensor circuit high voltage bank 1 sensor 1
DTC DETECTING CONDITION:Immediately at fault recognitionCAUTION:After servicing or replacing faulty parts, perform Clear Memory Mode Clear Memory Mode > OPERATION, and Inspection Mode Inspection Mode > PROCEDURE.WIRING DIAGRAM:• Engine Electrical System ENGINE TYPE EZ (WITHOUT PUSH BUTTON ST ...

© 2017-2026 Copyright www.sulegacy.com