Honda Civic manuals

Subaru Legacy BN/BS (2015-2019) Service Manual: Inspection

1. COMMUNICATION FOR INITIALIZING IMPOSSIBLE

Communication error with SRF CM

DETECTING CONDITION:

Defective harness connector

Power supply circuit malfunction

Defective SRF CM

Defective CAN communication circuit

Defective Subaru Select Monitor

TROUBLE SYMPTOM:

Communication is impossible between SRF CM and Subaru Select Monitor.

CAUTION:

Initialization is required after replacing the SRF CM.

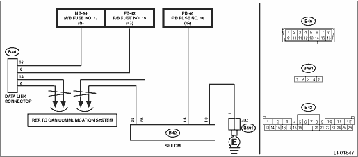
WIRING DIAGRAM:

NOTE:

For the coupling connector, refer to “WIRING SYSTEM”.

Front fog light system Front Fog Light System > WIRING DIAGRAM

Headlight beam leveler system Headlight Beam Leveler System > WIRING DIAGRAM

STEPCHECKYESNO

1.CHECK OTHER COMMUNICATION.

Communicate with the system other than the SRF CM using the Subaru Select Monitor.

Is the communication to other control module possible-

Subaru Select Monitor > INSPECTION

Perform the “Communication for Initializing Impossible” of LAN system. Subaru Select Monitor > COMMUNICATION FOR INITIALIZING IMPOSSIBLE

2.CHECK LAN SYSTEM.

Inspect LAN system. Basic Diagnostic Procedure > PROCEDURE

Is there any fault-

Perform the inspection according to the diagnosis for LAN system.

Subaru Select Monitor > INSPECTION

3.CHECK FOR POOR CONTACT.

1) Turn the ignition switch to OFF.

2) Disconnect the SRF CM connector.

3) Connect the disconnected connectors.

4) Communicate with the SRF CM using the Subaru Select Monitor.

Is communication possible-

It is possible that temporary poor communication occurs.

Replace the SRF CM. Steering Responsive Fog Lights CM

Operation
• For detailed operation procedures, refer to “Application help”.• If the SRF CM cannot communicate with Subaru Select Monitor, perform “COMMUNICATION FOR INITIALIZING IM ...

Telematics system (diagnostics)
...

Other materials:

Vdc off indicator light does not go off
DETECTING CONDITION:• Defective combination meter• Defective CAN communication• VDC OFF switch is shorted.TROUBLE SYMPTOM:When starting the engine, VDC OFF indicator light is kept ON.WIRING DIAGRAM:NOTE:For the coupling connector, refer to “WIRING SYSTEM”.Vehicle dynami ...

© 2017-2025 Copyright www.sulegacy.com