Honda Civic manuals

Subaru Legacy BN/BS (2015-2019) Service Manual: Inspection

1. COMMUNICATION FOR INITIALIZING IMPOSSIBLE

DETECTING CONDITION:

Defective harness connector

TROUBLE SYMPTOM:

Communication is impossible between VDC and Subaru Select Monitor.

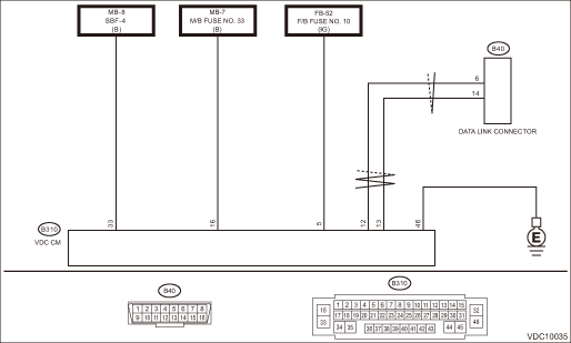
WIRING DIAGRAM:

Vehicle dynamics control system Vehicle Dynamics Control System

STEPCHECKYESNO

1.CHECK IGNITION SWITCH.

Is the ignition switch ON-

Subaru Select Monitor > INSPECTION

Turn the ignition switch to ON, and select VDC using the Subaru Select Monitor.

2.CHECK BATTERY.

1) Turn the ignition switch to OFF.

2) Measure the battery voltage.

Is the voltage 11 V or more-

Subaru Select Monitor > INSPECTION

Charge or replace the battery.

3.CHECK BATTERY TERMINAL.

Is there poor contact at battery terminal-

Repair or tighten the battery terminal.

Subaru Select Monitor > INSPECTION

4.CHECK INSTALLATION OF VDCCM&H/U CONNECTOR.

Turn the ignition switch to OFF.

Is the VDCCM&H/U connector inserted into VDCCM&H/U until the clamp locks onto it-

Subaru Select Monitor > INSPECTION

Insert VDCCM&H/U connector into VDCCM&H/U.

5.CHECK LAN SYSTEM.

Perform the diagnosis for LAN system. Basic Diagnostic Procedure

Is there any fault in LAN system-

Perform the diagnosis according to DTC for LAN system. List of Diagnostic Trouble Code (DTC)

Subaru Select Monitor > INSPECTION

6.CHECK SUBARU SELECT MONITOR COMMUNICATION.

1) Turn the ignition switch to ON.

2) Check whether communication to VDC system can be executed normally.

Is the system name displayed on Subaru Select Monitor-

Check the DTC in VDC system. Read Diagnostic Trouble Code (DTC)

Subaru Select Monitor > INSPECTION

7.CHECK POWER SUPPLY CIRCUIT.

1) Turn the ignition switch to ON. (Engine OFF)

2) Measure the ignition power supply voltage between VDCCM&H/U connector and chassis ground.

Connector & terminal

(B310) No. 5 (+) — Chassis ground (−):

(B310) No. 16 (+) — Chassis ground (−):

(B310) No. 33 (+) — Chassis ground (−):

Is the voltage 10 — 15 V-

Subaru Select Monitor > INSPECTION

Repair open circuit in harness between VDCCM&H/U and battery.

8.CHECK HARNESS CONNECTOR BETWEEN VDCCM&H/U AND CHASSIS GROUND.

1) Turn the ignition switch to OFF.

2) Disconnect the connector from the VDCCM&H/U.

3) Measure the resistance of harness between VDCCM&H/U connector and chassis ground.

Connector & terminal

(B310) No. 46 — Chassis ground:

Is the resistance less than 10 --

Subaru Select Monitor > INSPECTION

Repair the open circuit of VDCCM&H/U ground circuit and poor contact of connector.

9.CHECK POOR CONTACT OF CONNECTOR.

Is there poor contact of control module power supply, ground circuit and data link connector-

Repair the connector.

Replace the VDCCM&H/U. VDC Control Module and Hydraulic Control Unit (VDCCM&H/U)

Operation
1. HOW TO USE SUBARU SELECT MONITORFor detailed operation procedures, refer to “Application help”.2. READ CURRENT DATA1. On «Start» display, select «Diagnosis».2. On «Vehicle selectio ...

Warning light illumination pattern
...

Other materials:

Installation
1. CYLINDER HEAD RH1. Clean the bolt holes in the cylinder block RH.CAUTION:To avoid erroneous tightening of the bolts, clean out the bolt holes sufficiently by blowing with compressed air to eliminate engine coolant etc.2. Apply liquid gasket to both sides of the cylinder head gasket RH as shown in ...

© 2017-2025 Copyright www.sulegacy.com