Honda Civic manuals

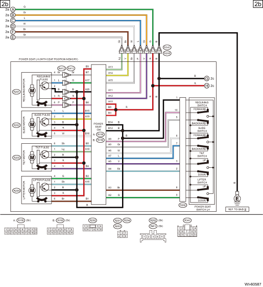
Subaru Legacy BN/BS (2015-2019) Service Manual: Power seat system wiring diagram

1. DRIVER'S SEAT (WITHOUT MEMORY)

2. DRIVER'S SEAT (WITH MEMORY)

3. PASSENGER'S SEAT

Power rear gate system wiring diagram
...

Power window system wiring diagram
1. WITH DRIVER'S SEAT AUTO-REVERSE FUNCTION2. WITH DRIVER'S SEAT AND PASSENGER'S SEAT AUTO-REVERSE FUNCTION ...

Other materials:

Dtc p0420 catalyst system efficiency below threshold bank 1
DTC DETECTING CONDITION:Detected when two consecutive driving cycles with fault occur.TROUBLE SYMPTOM:• Engine stalls.• Idle mixture is out of specifications.CAUTION:After servicing or replacing faulty parts, perform Clear Memory Mode Clear Memory Mode > OPERATION, and Inspection Mode ...

© 2017-2025 Copyright www.sulegacy.com