Honda Civic manuals

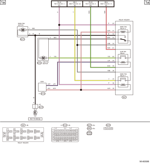
Subaru Legacy BN/BS (2015-2019) Service Manual: Radiator fan system wiring diagram

Subaru Legacy BN/BS (2015-2019) Service Manual / Wiring system / Radiator fan system wiring diagram

1. ENGINE TYPE FB

2. ENGINE TYPE EZ

Power window system wiring diagram
1. WITH DRIVER'S SEAT AUTO-REVERSE FUNCTION2. WITH DRIVER'S SEAT AND PASSENGER'S SEAT AUTO-REVERSE FUNCTION ...

Rear accessory power supply socket system wiring diagram
...

Other materials:

Dtc p0111 intake air temperature sensor 1 circuit range/performance bank 1
DTC DETECTING CONDITION:Detected when two consecutive driving cycles with fault occur.TROUBLE SYMPTOM:• Improper idling• Poor driving performanceCAUTION:After servicing or replacing faulty parts, perform Clear Memory Mode Clear Memory Mode > OPERATION, and Inspection Mode Inspection Mo ...

© 2017-2026 Copyright www.sulegacy.com