Honda Civic manuals

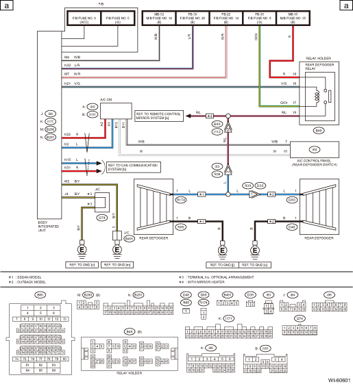
Subaru Legacy BN/BS (2015-2019) Service Manual: Rear defogger system wiring diagram

Subaru Legacy BN/BS (2015-2019) Service Manual / Wiring system / Rear defogger system wiring diagram

Rear accessory power supply socket system wiring diagram
...

Rear wiper and washer system wiring diagram
...

Other materials:

Dtc p0023 "b" camshaft position actuator control circuit/open bank 2
DTC DETECTING CONDITION:Immediately at fault recognitionTROUBLE SYMPTOM:Improper idlingCAUTION:After servicing or replacing faulty parts, perform Clear Memory Mode Clear Memory Mode > OPERATION, and Inspection Mode Inspection Mode > PROCEDURE.WIRING DIAGRAM:• Engine Electrical System ENGINE ...

© 2017-2025 Copyright www.sulegacy.com