Honda Civic manuals

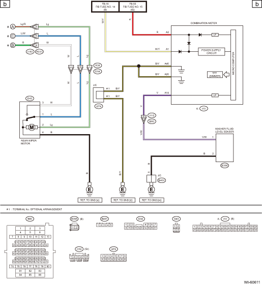
Subaru Legacy BN/BS (2015-2019) Service Manual: Rear wiper and washer system wiring diagram

Subaru Legacy BN/BS (2015-2019) Service Manual / Wiring system / Rear wiper and washer system wiring diagram

Rear defogger system wiring diagram
...

Rear wiring harness and rear gate cord location
ConnectorConnecting toNo.PoleColorAreaNo.DescriptionAB312BB-1 Curtain airbag module LHAB324YC-1 Curtain airbag sensor LHAB332BB-3 Curtain airbag module RHAB344YC-3 Curtain airbag sensor RHAB563BrC-3 B ...

Other materials:

Dtc p0125 insufficient coolant temperature for closed loop fuel control
DTC DETECTING CONDITION:Detected when two consecutive driving cycles with fault occur.TROUBLE SYMPTOM:Engine does not return to idle.CAUTION:After servicing or replacing faulty parts, perform Clear Memory Mode Clear Memory Mode > OPERATION, and Inspection Mode Inspection Mode > PROCEDURE.STEPCHECK ...

© 2017-2026 Copyright www.sulegacy.com