Honda Civic manuals

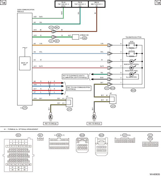
Subaru Legacy BN/BS (2015-2019) Service Manual: Telematics system wiring diagram

1. WITHOUT AUDIO AMPLIFIER

2. WITH AUDIO AMPLIFIER

Sunroof control system wiring diagram
...

Tire pressure monitoring system wiring diagram
...

Other materials:

Dtc p0073 ambient air temperature sensor circuit "a" high
NOTE:For the diagnostic procedure, refer to DTC P0072. Diagnostic Procedure with Diagnostic Trouble Code (DTC) > DTC P0072 AMBIENT AIR TEMPERATURE SENSOR CIRCUIT "A" LOW1. OUTLINE OF DIAGNOSISDetect the open or short circuit of ambient temperature sensor.Judge as NG if out of specification.2. COMPO ...

© 2017-2025 Copyright www.sulegacy.com