Honda Civic manuals

Subaru Legacy BN/BS (2015-2019) Service Manual: Wiring diagram

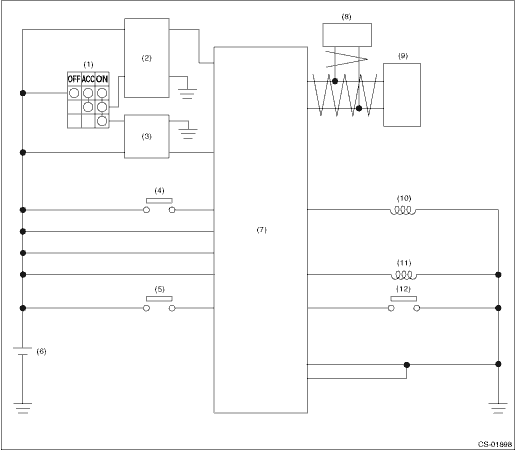
1. MODEL WITHOUT PUSH BUTTON IGNITION SWITCH

(1)

Ignition switch

(5)

Key warning switch

(9)

TCM (shift range information)

(2)

Accessory 1 relay

(6)

Battery

(10)

Key lock solenoid

(3)

IG2 relay

(7)

Body integrated unit

(11)

Shift lock solenoid

(4)

Stop light switch

(8)

VDC CM (vehicle speed information)

(12)

“P” range switch

2. MODEL WITH PUSH BUTTON IGNITION SWITCH

(1)

Keyless access CM

(5)

Battery

(8)

TCM (shift range information)

(2)

IG2 relay

(6)

Body integrated unit

(9)

Shift lock solenoid

(3)

Accessory 1 relay

(7)

VDC CM (vehicle speed information)

(10)

“P” range switch

(4)

Stop light switch

At shift lock control system
...

Electrical specification
ItemConnector No.Terminal No.Input/Output signalMeasured value and measuring conditionsBattery power supplyB28049 — 16 V7B28132TCM (“P” range)i1712Pulse signal (CAN communication)22Stop ...

Other materials:

Dtc p2404 evap system leak detection pump sense circuit range/performance
DTC DETECTING CONDITION:Detected when two consecutive driving cycles with fault occur.CAUTION:After servicing or replacing faulty parts, perform Clear Memory Mode Clear Memory Mode > OPERATION, and Inspection Mode Inspection Mode > PROCEDURE.WIRING DIAGRAM:• Engine Electrical System ENGINE T ...

© 2017-2025 Copyright www.sulegacy.com