Honda Civic manuals

Subaru Legacy BN/BS (2015-2019) Service Manual: Wiring diagram

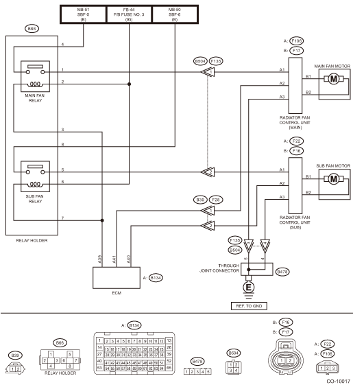
Radiator fan system Radiator Fan System > WIRING DIAGRAM

Inspection
Operating condition:Radiator fan operates depending on the radiator fan speed related to engine coolant temperature or the radiator fan speed related to A/C compressor load, whichever is higher as a l ...

Reservoir tank
...

Other materials:

Electronic Brake Force Distribution (EBD) system
The EBD system maximizes the effectiveness of the brakes by allowing the rear brakes to supply a greater proportion of the braking force. It functions by adjusting the distribution of braking force to the rear wheels in accordance with the vehicle's loading condition and speed. The EBD syst ...

© 2017-2025 Copyright www.sulegacy.com