Honda Civic manuals

Subaru Legacy BN/BS (2015-2019) Service Manual: 12

Detected when brake pedal is depressed or malfunction related to stop light & brake switch occurs.

TROUBLE SYMPTOM:

Cruise control cannot be set.

Cruise control cannot be released.

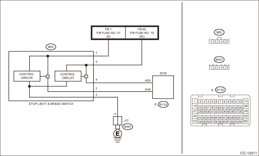
WIRING DIAGRAM:

Cruise control system Cruise Control System > WIRING DIAGRAM

STEPCHECKYESNO

1.CHECK STOP LIGHT & BRAKE SWITCH.

Check the stop light & brake switch. Stop Light & Brake Switch

Is the installation position of the stop light & brake switch correct-

Diagnostic Procedure with Cancel Code > 12

Replace the stop light & brake switch. Or adjust the installation position.

2.CHECK STOP LIGHT & BRAKE SWITCH CIRCUIT.

1) Turn the ignition switch to OFF.

2) Disconnect the stop light & brake switch harness connector.

3) Turn the ignition switch to ON.

4) Measure the voltage between harness connector terminal and chassis ground.

Connector & terminal

(B65) No. 1 (+) — Chassis ground (−):

Is the voltage 10 V or more-

Diagnostic Procedure with Cancel Code > 12

Check fuse No. 37 (in fuse & relay box).

Check for open or short in the harness between stop light & brake switch and fuse & relay box.

3.CHECK STOP LIGHT & BRAKE SWITCH CIRCUIT.

Measure the voltage between harness connector terminal and chassis ground.

Connector & terminal

(B65) No. 5 (+) — Chassis ground (−):

Is the voltage 10 V or more-

Diagnostic Procedure with Cancel Code > 12

Check fuse No. 19 (in fuse & relay box).

Check for open or short in the harness between stop light & brake switch and fuse & relay box.

4.CHECK STOP LIGHT & BRAKE SWITCH CIRCUIT.

1) Turn the ignition switch to OFF.

2) Disconnect the harness connector of ECM.

3) Measure the resistance between ECM harness connector terminal and stop light & brake switch harness connector terminal.

Connector & terminal

(B65) No. 4 — (B134) No. 59:

(B65) No. 2 — (B134) No. 48:

Is the resistance less than 10 --

Diagnostic Procedure with Cancel Code > 12

Repair the harness.

5.CHECK STOP LIGHT & BRAKE SWITCH CIRCUIT.

1) Connect the stop light & brake switch harness connector.

2) Turn the ignition switch to ON.

3) Measure the voltage between ECM harness connector and chassis ground both when the brake pedal is depressed and when not depressed.

Connector & terminal

(B134) No. 59 (+) — Chassis ground (−):

(B134) No. 48 (+) — Chassis ground (−):

Does the voltage appear in (B134) No. 59 when the brake pedal is depressed- (0 V when the brake pedal is not depressed)
Does the voltage appear in (B134) No. 48 when the brake pedal is not depressed- (0 V when the brake pedal is depressed)

Replace the ECM. Engine Control Module (ECM) Engine Control Module (ECM)

Replace the stop light & brake switch. Stop Light & Brake Switch

13
Detected when clutch pedal is depressed or malfunction related to clutch switch occurs.TROUBLE SYMPTOM:• Cruise control cannot be set.• Cruise control cannot be released.WIRING DIAGRAM:Cru ...

Diagnostics with phenomenon
...

Other materials:

To open and close the trunk lid from outside
The trunk lid can be opened using the keyless access function or remote keyless entry system. For details, refer to the following section.  For models with "keyless access with push-button start system", refer to "Opening trunk (Legacy)" , "Opening the trunk lid (Legacy)"  or ...

© 2017-2025 Copyright www.sulegacy.com