Honda Civic manuals

Subaru Legacy BN/BS (2015-2019) Service Manual: Component

1. STARTER

(1)

Starter housing ASSY

(9)

Overrunning clutch

(17)

Sleeve bearing

(2)

Sleeve bearing

(10)

Internal gear ASSY

(18)

Starter cover ASSY

(3)

Shift lever

(11)

Shaft

(4)

Plate

(12)

Pinion gear

Tightening torque: N·m (kgf-m, ft-lb)

(5)

Seal rubber

(13)

Seal rubber

T1:

1.4 (0.1, 1.0)

(6)

Magnet switch ASSY

(14)

Yoke ASSY

T2:

6 (0.6, 4.4)

(7)

Snap ring

(15)

Armature ASSY

T3:

7.5 (0.8, 5.5)

(8)

Stopper

(16)

Brush holder ASSY

T4:

10 (1.0, 7.4)

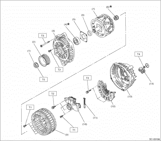
2. GENERATOR

(1)

Pulley nut

(8)

Bearing

Tightening torque: N·m (kgf-m, ft-lb)

(2)

Pulley

(9)

Stator coil

T1:

2 (0.2, 1.5)

(3)

Front cover

(10)

IC regulator

T2:

3.9 (0.4, 2.9)

(4)

Ball bearing

(11)

Brush

T3:

4.4 (0.4, 3.2)

(5)

Bearing retainer

(12)

Rectifier

T4:

8.9 (0.9, 6.6)

(6)

Spacer

(13)

Rear cover

T5:

117.5 (12.0, 86.7)

(7)

Rotor

(14)

Terminal B

3. GENERATOR BRACKET

(1)

V-belt

(5)

Generator

Tightening torque: N·m (kgf-m, ft-lb)

(2)

Collector cover bracket

(6)

Generator plate

T1:

20 (2.0, 14.8)

(3)

Tensioner ASSY

(7)

A/C compressor bracket

T2:

Generator > INSTALLATION

(4)

Generator bracket

T3:

Generator > INSTALLATION

4. BATTERY SENSOR

(1)

Battery sensor

Tightening torque: N·m (kgf-m, ft-lb)

T:

7.5 (0.8, 5.5)

Preparation tool
1. GENERAL TOOLTOOL NAMEREMARKSCircuit testerUsed for measuring resistance, voltage and current.NOTE:• When measuring the standby current, prepare a circuit tester which can measure down to 1 mA ...

Generator
...

Other materials:

Dtc u0126 lost communication with steering angle sensor module
DTC DETECTING CONDITION:No data is received from steering angle sensor.TROUBLE SYMPTOM:VDC CM does not operate normally.STEPCHECKYESNO1.CHECK PERFORMING OF BASIC DIAGNOSTIC PROCEDURE.Was the basic diagnostic procedure performed up to STEP 8- Diagnostic Procedure with Diagnostic Trouble Code (DTC) > ...

© 2017-2025 Copyright www.sulegacy.com