Honda Civic manuals

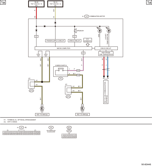
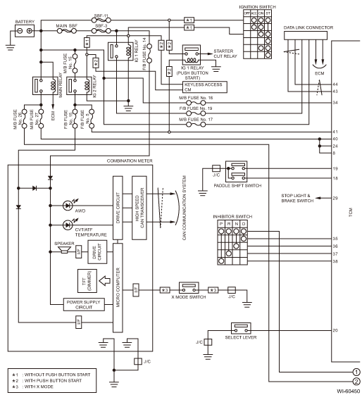
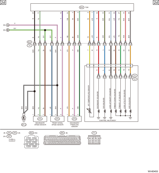
Subaru Legacy BN/BS (2015-2019) Service Manual: Cvt control system wiring diagram

Subaru Legacy BN/BS (2015-2019) Service Manual / Wiring system / Cvt control system wiring diagram

1. ENGINE TYPE FB

2. ENGINE TYPE EZ

Cruise control system wiring diagram
...

Door cord lh location
ConnectorConnecting toNo.PoleColorAreaNo.DescriptionAB582C-3 Front door impact sensor LHAB622YD-1R123Rear wiring harness LHD36GrC-2 Front power window motor LHD513C-2 Outer mirror assy LHD716C-2 Power ...

Other materials:

Dtc b2508 prg motor circuit low
DTC DETECTING CONDITION:When the short to ground in motor circuit is detected.TROUBLE SYMPTOM:The power rear gate does not operate.WIRING DIAGRAM:Power rear gate system Power Rear Gate System > WIRING DIAGRAMSTEPCHECKYESNO1.CHECK AUTO OPERATION.1) Turn the ignition switch to OFF.2) Using operation ...

© 2017-2025 Copyright www.sulegacy.com