Honda Civic manuals

Subaru Legacy BN/BS (2015-2019) Service Manual: Dtc b2785 lin communication

DTC DETECTING CONDITION:

When the keyless access CM detected the collation system LIN bus communication error three times in a row.

TROUBLE SYMPTOM:

The keyless access function may not be operable.

CAUTION:

For replacement procedure of keyless access CM, steering lock CM and ID code box, refer to “REGISTRATION MANUAL FOR IMMOBILIZER” provided as a separate volume.

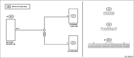
WIRING DIAGRAM:

NOTE:

For the coupling connector, refer to “WIRING SYSTEM”.

Keyless access with push button start system Keyless Access With Push Button Start System > WIRING DIAGRAM

STEPCHECKYESNO

1.CHECK DTC.

1) Using the Subaru Select Monitor, clear the memory. Clear Memory Mode

2) Read DTC using the Subaru Select Monitor. Read Diagnostic Trouble Code (DTC)

Is DTC B2785 displayed-

Diagnostic Procedure with Diagnostic Trouble Code (DTC) > DTC B2785 LIN COMMUNICATION

Even if DTC is displayed, the circuit has returned to a normal condition at this time. Reproduce the failure, and then perform the diagnosis again.

NOTE:

In this case, temporary poor contact of connector, temporary open or short circuit of harness may be the cause.

2.CHECK HARNESS (OPEN CIRCUIT).

1) Disconnect the keyless access CM connector.

2) Disconnect the steering lock CM connector.

3) Disconnect the ID code box connector. (With ID code box)

4) Using the tester, measure the resistance between terminals.

Connector & terminal

(i241) No. 13 — (i47) No. 5:

(i241) No. 13 — (i33) No. 2: (with ID code box)

Is the resistance less than 1 --

Diagnostic Procedure with Diagnostic Trouble Code (DTC) > DTC B2785 LIN COMMUNICATION

Repair or replace the open circuit of harness.

3.CHECK HARNESS (GROUND SHORT CIRCUIT).

Using the tester, measure the resistance between terminals.

Connector & terminal

(i241) No. 13 — Chassis ground:
(i47) No. 5 — Chassis ground:
(i33) No. 2 — Chassis ground: (with ID code box)

Is the resistance 10 k- or more-

Diagnostic Procedure with Diagnostic Trouble Code (DTC) > DTC B2785 LIN COMMUNICATION

Repair or replace the short circuit of the harness.

4.CHECK HARNESS.

1) Connect the keyless access CM connector only.

2) Read DTC using the Subaru Select Monitor. Read Diagnostic Trouble Code (DTC)

Is B2785 displayed-

Replace the keyless access CM. Keyless Access CM

Diagnostic Procedure with Diagnostic Trouble Code (DTC) > DTC B2785 LIN COMMUNICATION

5.CHECK ID CODE BOX.

NOTE:

For model without ID code box, go to the next step.

1) Connect the ID code box.

2) Read DTC using the Subaru Select Monitor. Read Diagnostic Trouble Code (DTC)

Is B2785 displayed-

Replace the ID code box. ID Code Box

Diagnostic Procedure with Diagnostic Trouble Code (DTC) > DTC B2785 LIN COMMUNICATION

6.CHECK STEERING LOCK CM.

1) Connect the steering lock CM.

2) Using the Subaru Select Monitor, clear the memory. Clear Memory Mode

3) Read DTC using the Subaru Select Monitor. Read Diagnostic Trouble Code (DTC)

Is B2785 displayed-

Replace the steering lock CM. Steering Lock CM

Even if DTC is displayed, the circuit has returned to a normal condition at this time. Reproduce the failure, and then perform the diagnosis again.

NOTE:

In this case, temporary poor contact of connector, temporary open or short circuit of harness may be the cause.

Dtc b2786 steering lock cm communication
DTC DETECTING CONDITION:When communication between keyless access CM and steering lock CM is interrupted for a set amount of time.TROUBLE SYMPTOM:The steering lock cannot be released.CAUTION:For repla ...

Dtc b2784 antenna circuit (push engine switch)
DTC DETECTING CONDITION:When open or short circuit occurs in the antenna coil.TROUBLE SYMPTOM:The keyless access function may not be operable.CAUTION:For replacement procedure of keyless access CM, re ...

Other materials:

Installation
1. FRONT DIFFERENTIAL SIDE1. Install the air breather hose.NOTE:Securely insert the air breather hose until the hose end contacts the catch of the transmission hanger.2. Install the air intake boot assembly. Air Intake Boot > INSTALLATION2. TRANSMISSION CASE SIDE1. Install the air breather hose.2. ...

© 2017-2026 Copyright www.sulegacy.com