Honda Civic manuals

Subaru Legacy BN/BS (2015-2019) Service Manual: Dtc b2786 steering lock cm communication

DTC DETECTING CONDITION:

When communication between keyless access CM and steering lock CM is interrupted for a set amount of time.

TROUBLE SYMPTOM:

The steering lock cannot be released.

CAUTION:

For replacement procedure of keyless access CM and steering lock CM, refer to the “REGISTRATION MANUAL FOR IMMOBILIZER” provided as a separate volume.

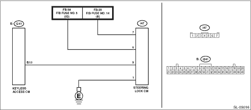
WIRING DIAGRAM:

NOTE:

For the coupling connector, refer to “WIRING SYSTEM”.

Keyless access with push button start system Keyless Access With Push Button Start System > WIRING DIAGRAM

STEPCHECKYESNO

1.CHECK DTC.

Read DTC using the Subaru Select Monitor. Read Diagnostic Trouble Code (DTC)

Are DTCs other than DTC B2786 displayed-

Perform the diagnosis according to DTC.

Diagnostic Procedure with Diagnostic Trouble Code (DTC) > DTC B2786 STEERING LOCK CM COMMUNICATION

2.CHECK HARNESS (OPEN CIRCUIT).

1) Disconnect the keyless access CM connector.

2) Disconnect the steering lock CM connector.

3) Using the tester, measure the resistance between terminals.

Connector & terminal

(i241) No. 13 — (i47) No. 5:

Is the resistance less than 1 --

Diagnostic Procedure with Diagnostic Trouble Code (DTC) > DTC B2786 STEERING LOCK CM COMMUNICATION

Repair or replace the open circuit of harness.

3.CHECK HARNESS (GROUND SHORT CIRCUIT).

Using the tester, measure the resistance between terminals.

Connector & terminal

(i241) No. 13 — Chassis ground:

Is the resistance 10 k- or more-

Diagnostic Procedure with Diagnostic Trouble Code (DTC) > DTC B2786 STEERING LOCK CM COMMUNICATION

Repair or replace the short circuit of the harness.

4.CHECK HARNESS (OPEN CIRCUIT).

Using a tester, measure the resistance between the steering lock CM connector and chassis ground.

Connector & terminal

(i47) No. 1 — Chassis ground:

Is the resistance less than 1 --

Diagnostic Procedure with Diagnostic Trouble Code (DTC) > DTC B2786 STEERING LOCK CM COMMUNICATION

Repair or replace the open circuit of harness.

5.CHECK HARNESS.

1) Turn the ignition switch to ON.

2) Using a tester, measure the voltage between the steering lock CM connector and chassis ground.

Connector & terminal

(i47) No. 6 (+) — Chassis ground (−):
(i47) No. 7 (+) — Chassis ground (−):

Is the voltage 11 — 14 V-

Diagnostic Procedure with Diagnostic Trouble Code (DTC) > DTC B2786 STEERING LOCK CM COMMUNICATION

Repair or replace the faulty portion of the power supply circuit.

6.CHECK STEERING LOCK CM.

1) Turn the ignition switch to ON.

2) Using the Subaru Select Monitor, clear the memory. Clear Memory Mode

3) Read DTC using the Subaru Select Monitor. Read Diagnostic Trouble Code (DTC)

Is DTC B2785 displayed-

Replace the keyless access CM. Keyless Access CM

Diagnostic Procedure with Diagnostic Trouble Code (DTC) > DTC B2786 STEERING LOCK CM COMMUNICATION

7.CHECK STEERING LOCK CM.

1) Turn the ignition switch to ON.

2) Using the Subaru Select Monitor, clear the memory. Clear Memory Mode

3) Read DTC using the Subaru Select Monitor. Read Diagnostic Trouble Code (DTC)

Is DTC B2786 displayed-

Replace the steering lock CM. Steering Lock CM

Even if DTC is displayed, the circuit has returned to a normal condition at this time. Reproduce the failure, and then perform the diagnosis again.

NOTE:

In this case, temporary poor contact of connector, temporary open or short circuit of harness may be the cause.

Dtc b2788 ign signal correlation (steering lock cm)
DTC DETECTING CONDITION:When mismatch occurs in the IG1 input of the steering lock CM for both LIN communication line input (IG1 input value of keyless access CM) and solid line input.TROUBLE SYMPTOM: ...

Dtc b2785 lin communication
DTC DETECTING CONDITION:When the keyless access CM detected the collation system LIN bus communication error three times in a row.TROUBLE SYMPTOM:The keyless access function may not be operable.CAUTIO ...

Other materials:

Check power supply and ground line of engine control module (ecm)
CAUTION:After servicing or replacing faulty parts, perform Clear Memory Mode Clear Memory Mode > OPERATION, and Inspection Mode Inspection Mode > PROCEDURE.WIRING DIAGRAM:• Engine Electrical System ENGINE TYPE FB (WITHOUT PUSH BUTTON START) Engine Electrical System > WIRING DIAGRAM• E ...

© 2017-2026 Copyright www.sulegacy.com