Honda Civic manuals

Subaru Legacy BN/BS (2015-2019) Service Manual: Dtc b2788 ign signal correlation (steering lock cm)

DTC DETECTING CONDITION:

When mismatch occurs in the IG1 input of the steering lock CM for both LIN communication line input (IG1 input value of keyless access CM) and solid line input.

TROUBLE SYMPTOM:

The steering lock cannot be released.

CAUTION:

For replacement procedure of keyless access CM and steering lock CM, refer to the “REGISTRATION MANUAL FOR IMMOBILIZER” provided as a separate volume.

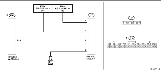
WIRING DIAGRAM:

NOTE:

For the coupling connector, refer to “WIRING SYSTEM”.

Keyless access with push button start system Keyless Access With Push Button Start System > WIRING DIAGRAM

STEPCHECKYESNO

1.CHECK FUSE.

Check the fuse. Relay and Fuse > INSPECTION

Is the fuse OK-

Diagnostic Procedure with Diagnostic Trouble Code (DTC) > DTC B2788 IGN SIGNAL CORRELATION (STEERING LOCK CM)

Replace the fuse. When the replaced fuse is blown immediately, check the power supply circuit for short-circuited.

2.CHECK CURRENT DATA.

Check the current data display of «Keyless access with push button start» using Subaru Select Monitor. Read Current Data

«IGN1/2 relay monitor (drive output)»

Is the display normal according to the ignition switch operation-

Diagnostic Procedure with Diagnostic Trouble Code (DTC) > DTC B2788 IGN SIGNAL CORRELATION (STEERING LOCK CM)

Diagnostic Procedure with Diagnostic Trouble Code (DTC) > DTC B2788 IGN SIGNAL CORRELATION (STEERING LOCK CM)

3.CHECK HARNESS (OPEN CIRCUIT).

1) Disconnect the steering lock CM connector.

2) Using a tester, measure the resistance between the steering lock CM connector and chassis ground.

Connector & terminal

(i47) No. 1 — Chassis ground:

Is the resistance less than 1 --

Diagnostic Procedure with Diagnostic Trouble Code (DTC) > DTC B2788 IGN SIGNAL CORRELATION (STEERING LOCK CM)

Repair or replace the open circuit of harness.

4.CHECK HARNESS.

1) Connect the steering lock CM connector.

2) Using the tester, measure the voltage between terminals.

Connector & terminal

(i47) No. 6 (+) — (i47) No. 1 (−):

Is the voltage 11 — 14 V with IG ON-
Is the voltage less than 1 V with IG OFF-

Replace the steering lock CM. Steering Lock CM > REMOVAL

Check the DC power supply circuit.

5.CHECK DTC.

Read DTC using the Subaru Select Monitor. Read Diagnostic Trouble Code (DTC)

Is DTC B2271 displayed-

Perform the diagnosis according to DTC B2271. Diagnostic Procedure with Diagnostic Trouble Code (DTC) > DTC B2271 IGN RELAY CONTROL CIRCUIT

Replace the keyless access CM. Keyless Access CM > REMOVAL

Dtc b2789 id code box communication
DTC DETECTING CONDITION:• When communication between keyless access CM and ID code box is interrupted for a set amount of time.• Open or short circuit in the wiring harness between keyless ...

Dtc b2786 steering lock cm communication
DTC DETECTING CONDITION:When communication between keyless access CM and steering lock CM is interrupted for a set amount of time.TROUBLE SYMPTOM:The steering lock cannot be released.CAUTION:For repla ...

Other materials:

Climate control panel, audio panel, instrument panel, console panel, switches, combination meter, and other plastic surface
Use a soft, damp cloth to clean the climate control panel, audio equipment, instrument panel, center console, combination meter panel, and switches. CAUTION  Do not use organic solvents such as paint thinners or gasoline, or strong cleaning agents that contain those s ...

© 2017-2025 Copyright www.sulegacy.com