Honda Civic manuals

Subaru Legacy BN/BS (2015-2019) Service Manual: Dtc b28b6 pre-collision off switch

Detected when pre-collision brake OFF switch circuit is not installed, open-circuited or is stuck to ON.

DTC DETECTING CONDITION:

Wiring of pre-collision brake OFF switch is not connected.

Pre-collision brake OFF switch circuit is open.

Pre-collision brake OFF switch circuit stays ON for 45 seconds or more.

TROUBLE SYMPTOM:

All functions of EyeSight system do not operate.

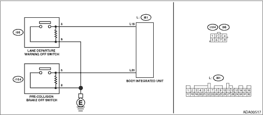
WIRING DIAGRAM:

EyeSight System EyeSight System > WIRING DIAGRAM

STEPCHECKYESNO

1.CHECK CURRENT DATA.

Confirm the current data «Pre-Collision Brake OFF SW Status (BIU)» of EyeSight using Subaru Select Monitor. Read Current Data

Does the display change according to ON/OFF operation of the pre-collision brake OFF switch-

Even if DTC is displayed, the circuit has returned to a normal condition at this time. Reproduce the failure, and then perform the diagnosis again.

NOTE:

In this case, temporary poor contact of connector, or temporary open or short circuit of harness may be the cause.

Diagnostic Procedure with Diagnostic Trouble Code (DTC) > DTC B28B6 PRE-COLLISION OFF SWITCH

2.CHECK HARNESS.

1) Disconnect the stereo camera connector and the pre-collision brake OFF switch connector.

2) Using the tester, measure the resistance between the stereo camera connector and pre-collision brake OFF switch connector as well as chassis ground.

Connector & terminal

(i104) No. 6 — (i81) No. 30:

(i104) No. 8 — Chassis ground:

Is the resistance less than 1 --

Diagnostic Procedure with Diagnostic Trouble Code (DTC) > DTC B28B6 PRE-COLLISION OFF SWITCH

Repair or replace an open circuit in harness between the stereo camera connector and pre-collision brake OFF switch connector.

3.CHECK HARNESS.

Using the tester, measure the resistance between the pre-collision brake OFF switch connector and chassis ground.

Connector & terminal

(i104) No. 6 — Chassis ground:

Is the resistance 1 M- or more-

Check the pre-collision brake OFF switch. Switches and Harness > INSPECTION

Repair or replace the short circuit to ground in harness between the stereo camera connector and pre-collision brake OFF switch connector.

Dtc b28b7 ldp off switch
Detected when lane departure warning OFF switch circuit is not installed, open-circuited, or is stuck to ON.DTC DETECTING CONDITION:• Wiring of lane departure warning OFF switch is not connected ...

Dtc b28b5 +b circuit open
Detected when there is an open circuit in power supply line.NOTE:Refer to DTC B2814 for diagnostic procedure. Diagnostic Procedure with Diagnostic Trouble Code (DTC) > DTC B2814 POWER SUPPLY LOW VOLT ...

Other materials:

List of diagnostic trouble code (dtc) list
DTCItemReferenceB2300REAR RADAR CIRCUIT LOW Diagnostic Procedure with Diagnostic Trouble Code (DTC) > DTC B2300 REAR RADAR CIRCUIT LOWB2301REAR RADAR CIRCUIT HIGH Diagnostic Procedure with Diagnostic Trouble Code (DTC) > DTC B2301 REAR RADAR CIRCUIT HIGHB2304REAR RADAR ON-OFF SWITCH STUCK Diagnostic ...

© 2017-2025 Copyright www.sulegacy.com