Honda Civic manuals

Subaru Legacy BN/BS (2015-2019) Service Manual: Dtc b28b7 ldp off switch

Detected when lane departure warning OFF switch circuit is not installed, open-circuited, or is stuck to ON.

DTC DETECTING CONDITION:

Wiring of lane departure warning OFF switch is not connected.

Lane departure warning OFF switch circuit is open.

Lane departure warning OFF switch circuit stays ON for 45 seconds or more.

TROUBLE SYMPTOM:

All functions of EyeSight system do not operate.

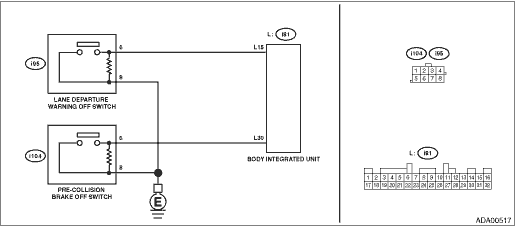
WIRING DIAGRAM:

EyeSight System EyeSight System > WIRING DIAGRAM

STEPCHECKYESNO

1.CHECK CURRENT DATA.

Confirm the current data «Lane Departure Warning OFF SW (BIU)» of EyeSight using Subaru Select Monitor. Read Current Data

Does the display change according to the lane departure warning OFF switch ON/OFF operation-

Even if DTC is displayed, the circuit has returned to a normal condition at this time. Reproduce the failure, and then perform the diagnosis again.

NOTE:

In this case, temporary poor contact of connector, or temporary open or short circuit of harness may be the cause.

Diagnostic Procedure with Diagnostic Trouble Code (DTC) > DTC B28B7 LDP OFF SWITCH

2.CHECK HARNESS.

1) Disconnect the stereo camera connector and the lane departure warning OFF switch connector.

2) Using the tester, measure the resistance between the stereo camera connector and lane departure warning OFF switch connector.

Connector & terminal

(i95) No. 6 — (i81) No. 15:

(i95) No. 8 — Chassis ground:

Is the resistance less than 1 --

Diagnostic Procedure with Diagnostic Trouble Code (DTC) > DTC B28B7 LDP OFF SWITCH

Repair or replace an open circuit in harness between the stereo camera connector and lane departure warning OFF switch connector.

3.CHECK HARNESS.

Using the tester, measure the resistance between the lane departure warning OFF switch connector and chassis ground.

Connector & terminal

(i95) No. 6 — Chassis ground:

Is the resistance 1 M- or more-

Check the lane departure warning OFF switch. Switches and Harness > INSPECTION

Repair or replace the short circuit to ground in harness between the stereo camera connector and lane departure warning OFF switch connector.

Dtc b28b8 eyesight steering switch 1
Detected when EyeSight steering switch is not installed or has malfunction, or when the harness is faulty or open-circuited or in stuck ON condition.DTC DETECTING CONDITION:• Wiring of the EyeSi ...

Dtc b28b6 pre-collision off switch
Detected when pre-collision brake OFF switch circuit is not installed, open-circuited or is stuck to ON.DTC DETECTING CONDITION:• Wiring of pre-collision brake OFF switch is not connected.• ...

Other materials:

Dtc p0340 camshaft position sensor "a" circuit bank 1 or single sensor
DTC DETECTING CONDITION:Immediately at fault recognitionTROUBLE SYMPTOM:• Engine stalls.• Failure of engine to startCAUTION:After servicing or replacing faulty parts, perform Clear Memory Mode Clear Memory Mode > OPERATION, and Inspection Mode Inspection Mode > PROCEDURE.WIRING DIAGRAM ...

© 2017-2025 Copyright www.sulegacy.com