Honda Civic manuals

Subaru Legacy BN/BS (2015-2019) Service Manual: Dtc c2543 error passive

DTC DETECTING CONDITION:

When send/receive failure of CAN communication is detected after the ignition switch is ON.

TROUBLE SYMPTOM:

The steering wheel operation feels heavy.

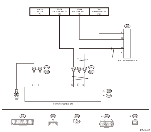
WIRING DIAGRAM:

Electric power steering system Electric Power Steering System

STEPCHECKYESNO

1.CHECK PERIPHERALS.

Check the data link connector.

Is any other electrical part connected to the data link connector or harness-

Disconnect the connection of electrical parts and perform inspection again.

Diagnostic Procedure with Diagnostic Trouble Code (DTC) > DTC C2543 ERROR PASSIVE

2.CHECK LAN SYSTEM.

Perform the diagnosis for LAN system using the Subaru Select Monitor. Basic Diagnostic Procedure

Is a DTC related to CAN communication detected-

Perform the diagnosis according to the DTC. List of Diagnostic Trouble Code (DTC)

Diagnostic Procedure with Diagnostic Trouble Code (DTC) > DTC C2543 ERROR PASSIVE

3.CHECK DTC.

Read the DTC of the power steering control module using the Subaru Select Monitor. Read Diagnostic Trouble Code (DTC)

Is DTC C2543 a current malfunction-

Diagnostic Procedure with Diagnostic Trouble Code (DTC) > DTC C2543 ERROR PASSIVE

System is normal. Temporary interference from noise is a possible cause.

4.CHECK CONNECTOR.

Check the connecting condition of connector.

Is the connector firmly installed-

Diagnostic Procedure with Diagnostic Trouble Code (DTC) > DTC C2543 ERROR PASSIVE

Install the connector, and check again.

5.CHECK CONNECTOR.

1) Turn the ignition switch to OFF.

2) Disconnect the connector (B204).

Is there crimped or spread portion in connector terminal on vehicle harness side and power steering control module side-

Repair or replace faulty parts.

Diagnostic Procedure with Diagnostic Trouble Code (DTC) > DTC C2543 ERROR PASSIVE

6.CHECK HARNESS.

Check the harness related to CAN communication system.

Is there any fault in the harness-

Repair or replace the harness.

Replace the steering gearbox. Electric Power Steering Gearbox

Dtc c2544 auto start stop system
DTC DETECTING CONDITION:• When a failure of CAN communication is detected after the ignition switch is ON.• When the power steering control module has a detection error after the ignition ...

Dtc c2541 vehicle dynamics control module vehicle speed sensor
DTC DETECTING CONDITION:When VDCCM reception failure (related to vehicle speed sensor) is detected after the ignition switch is ON.TROUBLE SYMPTOM:The steering wheel operation feels heavy.STEPCHECKYES ...

Other materials:

Inspection
1. UNIT INSPECTIONCheck components for wear, damage or other faults. Adjust or replace if necessary.2. LIMITMake a measurements as follows. If it exceeds the specified service limits, adjust or replace.NOTE:When fixing the steering gearbox assembly in a vise, apply a wooden piece on the flange porti ...

© 2017-2026 Copyright www.sulegacy.com