Honda Civic manuals

Subaru Legacy BN/BS (2015-2019) Service Manual: Dtc p0125 insufficient coolant temperature for closed loop fuel control

DTC DETECTING CONDITION:

Detected when two consecutive driving cycles with fault occur.

TROUBLE SYMPTOM:

Engine does not return to idle.

CAUTION:

After servicing or replacing faulty parts, perform Clear Memory Mode Clear Memory Mode > OPERATION, and Inspection Mode Inspection Mode > PROCEDURE.

STEPCHECKYESNO

1.CHECK TIRE SIZE.

Is the tire size as specified and the same size as three other wheels-

Diagnostic Procedure with Diagnostic Trouble Code (DTC) > DTC P0125 INSUFFICIENT COOLANT TEMPERATURE FOR CLOSED LOOP FUEL CONTROL

Replace the tire.

2.CHECK ENGINE COOLANT.

Check the following items:

Amount of engine coolant

Engine coolant freeze

Contamination of engine coolant

Is the engine coolant normal-

Diagnostic Procedure with Diagnostic Trouble Code (DTC) > DTC P0125 INSUFFICIENT COOLANT TEMPERATURE FOR CLOSED LOOP FUEL CONTROL

Fill or replace the engine coolant. Engine Coolant > REPLACEMENT

3.CHECK THERMOSTAT.

Does the thermostat remain opened-

Replace the thermostat. Thermostat

Replace the engine coolant temperature sensor. Engine Coolant Temperature Sensor

1. OUTLINE OF DIAGNOSIS

Detect the malfunction of engine coolant temperature output property.

Judge as NG when engine coolant temperature does not rise to the specified value after predetermined time has elapsed since engine start.

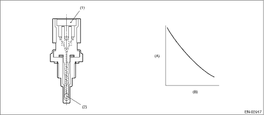
2. COMPONENT DESCRIPTION

(A)

Resistance value (k-)

(B)

Temperature °C (°F)

(1)

Connector

(2)

Thermistor element

3. EXECUTION CONDITION

Secondary Parameters

Execution condition

Engine coolant temperature at engine start

< −15 °C (5 °F)

Engine speed

> 500 rpm

4. GENERAL DRIVING CYCLE

Perform the diagnosis only once after starting the engine from cold condition.

5. DIAGNOSTIC METHOD

If the duration of time while the following conditions are met is longer than the time indicated, judge as NG.

Judgment Value

Malfunction Criteria

Threshold Value

Engine coolant temperature

< −15 °C (5 °F)

Elapsed time after starting the engine

(At the time of (The smaller value of either Engine coolant temperature or Intake air temperature at engine start) ≥ −23.3°C (−9.9°F))

≥ 120 s

or

(At the time of (The smaller value of either Engine coolant temperature or Intake air temperature at engine start) < −23.3°C (−9.9°F))

≥ 300 s

Time Needed for Diagnosis: 120 or 300 seconds

Malfunction Indicator Light Illumination: Illuminates when malfunction occurs in 2 continuous driving cycles.

Dtc p0560 system voltage
DTC DETECTING CONDITION:Immediately at fault recognitionCAUTION:After servicing or replacing faulty parts, perform Clear Memory Mode Clear Memory Mode > OPERATION, and Inspection Mode Inspection Mod ...

Dtc u0101 lost communication with tcm
NOTE:For the diagnostic procedure, refer to LAN section. Basic Diagnostic Procedure1. OUTLINE OF DIAGNOSISDetect malfunction of CAN communication.Judge as NG when CAN communication failure between TC ...

Other materials:

Dtc p0685 ecm/pcm power relay control circuit/open
DTC DETECTING CONDITION:Detected when two consecutive driving cycles with fault occur.CAUTION:After servicing or replacing faulty parts, perform Clear Memory Mode Clear Memory Mode > OPERATION, and Inspection Mode Inspection Mode > PROCEDURE.WIRING DIAGRAM:• Engine Electrical System ENGINE T ...

© 2017-2025 Copyright www.sulegacy.com