Honda Civic manuals

Subaru Legacy BN/BS (2015-2019) Service Manual: Dtc p2097 post catalyst fuel trim system too rich bank 1

DTC DETECTING CONDITION:

Detected when two consecutive driving cycles with fault occur.

CAUTION:

After servicing or replacing faulty parts, perform Clear Memory Mode Clear Memory Mode > OPERATION, and Inspection Mode Inspection Mode > PROCEDURE.

WIRING DIAGRAM:

Engine Electrical System ENGINE TYPE EZ (WITHOUT PUSH BUTTON START) Engine Electrical System > WIRING DIAGRAM

Engine Electrical System ENGINE TYPE EZ (WITH PUSH BUTTON START) Engine Electrical System > WIRING DIAGRAM

STEPCHECKYESNO

1.CHECK FOR ANY OTHER DTC ON DISPLAY.

Is any other DTC displayed-

Check DTC using “List of Diagnostic Trouble Code (DTC)”. List of Diagnostic Trouble Code (DTC)

Diagnostic Procedure with Diagnostic Trouble Code (DTC) > DTC P2097 POST CATALYST FUEL TRIM SYSTEM TOO RICH BANK 1

2.CHECK FRONT OXYGEN (A/F) SENSOR CONNECTOR AND COUPLING CONNECTOR.

Has water entered the connector-

Completely remove any water inside.

Diagnostic Procedure with Diagnostic Trouble Code (DTC) > DTC P2097 POST CATALYST FUEL TRIM SYSTEM TOO RICH BANK 1

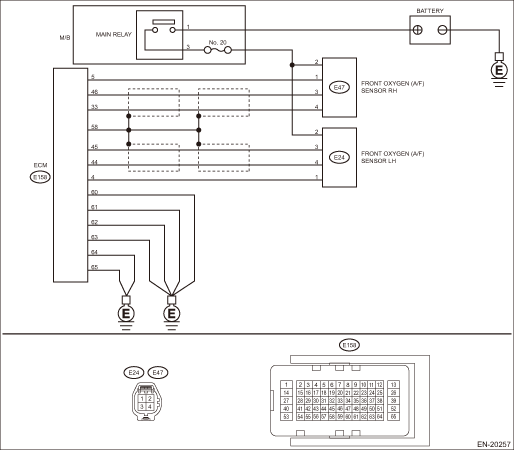
3.CHECK HARNESS BETWEEN ECM AND FRONT OXYGEN (A/F) SENSOR CONNECTOR.

1) Turn the ignition switch to OFF.

2) Disconnect the connectors from ECM and front oxygen (A/F) sensor.

3) Measure the resistance of harness between ECM connector and front oxygen (A/F) sensor connector.

Connector & terminal

(E158) No. 46 — (E47) No. 3:

(E158) No. 33 — (E47) No. 4:

Is the resistance less than 1 --

Diagnostic Procedure with Diagnostic Trouble Code (DTC) > DTC P2097 POST CATALYST FUEL TRIM SYSTEM TOO RICH BANK 1

Repair the harness and connector.

NOTE:

In this case, repair the following item:

Open circuit in harness between ECM connector and front oxygen (A/F) sensor connector

Poor contact of coupling connector

4.CHECK HARNESS BETWEEN ECM AND FRONT OXYGEN (A/F) SENSOR CONNECTOR.

Measure the resistance between ECM connector and chassis ground.

Connector & terminal

(E158) No. 46 — Chassis ground:

(E158) No. 33 — Chassis ground:

Is the resistance 1 M- or more-

Diagnostic Procedure with Diagnostic Trouble Code (DTC) > DTC P2097 POST CATALYST FUEL TRIM SYSTEM TOO RICH BANK 1

Repair the short circuit to ground in harness between ECM connector and front oxygen (A/F) sensor connector.

5.CHECK OUTPUT SIGNAL FOR ECM.

1) Connect the connector to ECM.

2) Turn the ignition switch to ON.

3) Measure the voltage between front oxygen (A/F) sensor connector and chassis ground.

Connector & terminal

(E47) No. 3 (+) — Chassis ground (−):

Is the voltage 4.5 V or more-

Diagnostic Procedure with Diagnostic Trouble Code (DTC) > DTC P2097 POST CATALYST FUEL TRIM SYSTEM TOO RICH BANK 1

Diagnostic Procedure with Diagnostic Trouble Code (DTC) > DTC P2097 POST CATALYST FUEL TRIM SYSTEM TOO RICH BANK 1

6.CHECK OUTPUT SIGNAL FOR ECM.

Measure the voltage between front oxygen (A/F) sensor connector and chassis ground.

Connector & terminal

(E47) No. 4 (+) — Chassis ground (−):

Is the voltage 4.95 V or more-

Diagnostic Procedure with Diagnostic Trouble Code (DTC) > DTC P2097 POST CATALYST FUEL TRIM SYSTEM TOO RICH BANK 1

Diagnostic Procedure with Diagnostic Trouble Code (DTC) > DTC P2097 POST CATALYST FUEL TRIM SYSTEM TOO RICH BANK 1

7.CHECK OUTPUT SIGNAL FOR ECM.

Measure the voltage between front oxygen (A/F) sensor connector and chassis ground.

Connector & terminal

(E47) No. 3 (+) — Chassis ground (−):

(E47) No. 4 (+) — Chassis ground (−):

Is the voltage 8 V or more-

Repair the short circuit to power in the harness between ECM connector and front oxygen (A/F) sensor connector. After repair, replace the ECM. Engine Control Module (ECM)

Repair the poor contact of ECM connector.

8.CHECK EXHAUST SYSTEM.

Are there holes or loose bolts on exhaust system-

Repair the exhaust system.

Diagnostic Procedure with Diagnostic Trouble Code (DTC) > DTC P2097 POST CATALYST FUEL TRIM SYSTEM TOO RICH BANK 1

9.CHECK AIR INTAKE SYSTEM.

Are there holes, loose bolts or disconnection of hose on air intake system-

Repair the air intake system.

Diagnostic Procedure with Diagnostic Trouble Code (DTC) > DTC P2097 POST CATALYST FUEL TRIM SYSTEM TOO RICH BANK 1

10.CHECK FUEL PRESSURE.

WARNING:

Place “NO OPEN FLAMES” signs near the working area.

CAUTION:

Be careful not to spill fuel.

1) Connect the front oxygen (A/F) sensor connector.

2) Measure the fuel pressure. Fuel Pressure > INSPECTION

CAUTION:

Before attaching/detaching a fuel pressure gauge, release the fuel pressure.

Is the measured value 340 — 400 kPa (3.5 — 4.1 kgf/cm2, 49 — 58 psi)-

Diagnostic Procedure with Diagnostic Trouble Code (DTC) > DTC P2097 POST CATALYST FUEL TRIM SYSTEM TOO RICH BANK 1

Check the fuel pump and fuel delivery line. Fuel Pump > INSPECTION Fuel Delivery and Evaporation Lines > INSPECTION

11.CHECK ENGINE COOLANT TEMPERATURE SENSOR.

1) Start the engine and warm up completely.

2) Read the value of «Coolant Temp.» using the Subaru Select Monitor or a general scan tool.

NOTE:

Subaru Select Monitor

For detailed operation procedures, refer to “Read Current Data For Engine”. Subaru Select Monitor

General scan tool

For detailed operation procedures, refer to the general scan tool operation manual.

Is the value of «Coolant Temp.» 75°C (167°F) or more-

Diagnostic Procedure with Diagnostic Trouble Code (DTC) > DTC P2097 POST CATALYST FUEL TRIM SYSTEM TOO RICH BANK 1

Replace the engine coolant temperature sensor. Engine Coolant Temperature Sensor

12.CHECK MASS AIR FLOW AND INTAKE AIR TEMPERATURE SENSOR.

1) Start the engine and warm up engine until coolant temperature is higher than 75°C (167°F).

2) Place the select lever in “P” range or “N” range.

3) Turn the A/C switch to OFF.

4) Turn all the accessory switches to OFF.

5) Read the value of «Mass Air Flow» using the Subaru Select Monitor or a general scan tool.

NOTE:

Subaru Select Monitor

For detailed operation procedures, refer to “Read Current Data For Engine”. Subaru Select Monitor

General scan tool

For detailed operation procedures, refer to the general scan tool operation manual.

Is the value of «Mass Air Flow» 2.0 — 5.0 g/s (0.26 — 0.66 lb/m)-

Diagnostic Procedure with Diagnostic Trouble Code (DTC) > DTC P2097 POST CATALYST FUEL TRIM SYSTEM TOO RICH BANK 1

Replace the mass air flow and intake air temperature sensor. Mass Air Flow and Intake Air Temperature Sensor

13.CHECK MASS AIR FLOW AND INTAKE AIR TEMPERATURE SENSOR.

1) Start the engine and warm up engine until coolant temperature is higher than 75°C (167°F).

2) Place the select lever in “P” range or “N” range.

3) Turn the A/C switch to OFF.

4) Turn all the accessory switches to OFF.

5) Open the front hood.

6) Measure the ambient temperature.

7) Read the value of «Intake Air Temp.» using the Subaru Select Monitor or a general scan tool.

NOTE:

Subaru Select Monitor

For detailed operation procedures, refer to “Read Current Data For Engine”. Subaru Select Monitor

General scan tool

For detailed operation procedures, refer to the general scan tool operation manual.

Subtract ambient temperature from «Intake Air Temp.». Is the obtained value −10 — 50°C (−18 — 90°F)-

Diagnostic Procedure with Diagnostic Trouble Code (DTC) > DTC P2097 POST CATALYST FUEL TRIM SYSTEM TOO RICH BANK 1

Check the mass air flow and intake air temperature sensor. Mass Air Flow and Intake Air Temperature Sensor

14.CHECK REAR OXYGEN SENSOR DATA.

1) Warm up the engine until engine coolant temperature is higher than 75°C (167°F), and keep the engine speed at 3,000 rpm. (2 minutes maximum)

2) Read the value of «Front O2 Sensor #1» using the Subaru Select Monitor or a general scan tool.

NOTE:

Subaru Select Monitor

For detailed operation procedures, refer to “Read Current Data For Engine”. Subaru Select Monitor

General scan tool

For detailed operation procedures, refer to the general scan tool operation manual.

Is the value of «Front O2 Sensor #1» 0.490 V or more-

Diagnostic Procedure with Diagnostic Trouble Code (DTC) > DTC P2097 POST CATALYST FUEL TRIM SYSTEM TOO RICH BANK 1

Diagnostic Procedure with Diagnostic Trouble Code (DTC) > DTC P2097 POST CATALYST FUEL TRIM SYSTEM TOO RICH BANK 1

15.CHECK REAR OXYGEN SENSOR DATA.

1) Warm up the engine until engine coolant temperature is higher than 75°C (167°F), and rapidly reduce the engine speed from 3,000 rpm.

2) Read the value of «Front O2 Sensor #1» using the Subaru Select Monitor or a general scan tool.

NOTE:

Subaru Select Monitor

For detailed operation procedures, refer to “Read Current Data For Engine”. Subaru Select Monitor

General scan tool

For detailed operation procedures, refer to the general scan tool operation manual.

Is the value of «Front O2 Sensor #1» 0.250 V or less-

Diagnostic Procedure with Diagnostic Trouble Code (DTC) > DTC P2097 POST CATALYST FUEL TRIM SYSTEM TOO RICH BANK 1

Diagnostic Procedure with Diagnostic Trouble Code (DTC) > DTC P2097 POST CATALYST FUEL TRIM SYSTEM TOO RICH BANK 1

16.CHECK REAR OXYGEN SENSOR CONNECTOR AND COUPLING CONNECTOR.

Has water entered the connector-

Completely remove any water inside.

Diagnostic Procedure with Diagnostic Trouble Code (DTC) > DTC P2097 POST CATALYST FUEL TRIM SYSTEM TOO RICH BANK 1

17.CHECK FRONT OXYGEN (A/F) SENSOR USING REAR OXYGEN SENSOR SIGNAL.

1) Warm up the engine until engine coolant temperature is higher than 75°C (167°F), then keep the engine idling for 5 minutes or more.

2) Read the value of «Front O2 Sensor #1» using the Subaru Select Monitor or a general scan tool.

NOTE:

Subaru Select Monitor

For detailed operation procedures, refer to “Read Current Data For Engine”. Subaru Select Monitor

General scan tool

For detailed operation procedures, refer to the general scan tool operation manual.

Does the value of «Front O2 Sensor #1» remain at 0.8 V or more for 5 minutes or more-

Replace the front oxygen (A/F) sensor. Front Oxygen (A/F) Sensor

Diagnostic Procedure with Diagnostic Trouble Code (DTC) > DTC P2097 POST CATALYST FUEL TRIM SYSTEM TOO RICH BANK 1

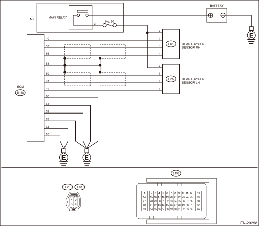
18.CHECK HARNESS BETWEEN ECM AND REAR OXYGEN SENSOR CONNECTOR.

1) Turn the ignition switch to OFF.

2) Disconnect the connector from ECM and rear oxygen sensor.

3) Measure the resistance of harness between ECM connector and rear oxygen sensor connector.

Connector & terminal

(E158) No. 59 — (E61) No. 3:

(E158) No. 56 — (E61) No. 4:

Is the resistance less than 1 --

Diagnostic Procedure with Diagnostic Trouble Code (DTC) > DTC P2097 POST CATALYST FUEL TRIM SYSTEM TOO RICH BANK 1

Repair the harness and connector.

NOTE:

In this case, repair the following item:

Open circuit in harness between ECM connector and rear oxygen sensor connector

Poor contact of coupling connector

19.CHECK HARNESS BETWEEN ECM AND REAR OXYGEN SENSOR CONNECTOR.

1) Connect the connector to ECM.

2) Turn the ignition switch to ON.

3) Measure the voltage between rear oxygen sensor connector and chassis ground.

Connector & terminal

(E61) No. 3 (+) — Chassis ground (−):

Is the voltage 0.2 — 0.5 V-

Replace the rear oxygen sensor. Rear Oxygen Sensor

Repair the harness and connector.

NOTE:

In this case, repair the following item:

Open circuit in harness between ECM connector and rear oxygen sensor connector

Poor contact of ECM connector

Poor contact of coupling connector

1. OUTLINE OF DIAGNOSIS

Detect the malfunction of fuel system from the size of the sub feedback learning value.

Sub feedback learning is being performed. When the learning value goes to the rich side, judge as NG.

2. COMPONENT DESCRIPTION

(A)

Electromotive force

(B)

Air fuel ratio

(C)

Lean

(D)

Rich

(E)

Theoretical air fuel ratio

(F)

Comparative voltage

(1)

Atmosphere

(2)

Exhaust gas

(3)

Electromotive force

3. EXECUTION CONDITION

Secondary Parameters

Execution condition

Closed loop control with sub feedback

Operation

Intake air amount

≥ 10 g/s (0.35 oz/s)

Change of the intake air amount during 0.5 crankshaft revs.

< 0.02 g/rev (0 oz/rev)

4. GENERAL DRIVING CYCLE

Perform the diagnosis continuously after the enable conditions have been established.

5. DIAGNOSTIC METHOD

If the duration of time while the following conditions are met is longer than the time indicated, judge as NG.

Judgment Value

Malfunction Criteria

Threshold Value

Sub feedback learning value

≥ 0.033

Time Needed for Diagnosis: 1 s - 1 time(s)

Malfunction Indicator Light Illumination: Illuminates when malfunction occurs in 2 continuous driving cycles.

Dtc p2101 throttle actuator "a" control motor circuit range/performance
DTC DETECTING CONDITION:Immediately at fault recognitionTROUBLE SYMPTOM:• Improper idling• Poor driving performance• Engine stalls.CAUTION:After servicing or replacing faulty parts, ...

Dtc p2096 post catalyst fuel trim system too lean bank 1
DTC DETECTING CONDITION:Detected when two consecutive driving cycles with fault occur.CAUTION:After servicing or replacing faulty parts, perform Clear Memory Mode Clear Memory Mode > OPERATION, and I ...

Other materials:

Dtc u0423 invalid data received from instrument panel cluster control module
DTC DETECTING CONDITION:Defective data was transmitted from combination meter.TROUBLE SYMPTOM:Display of combination meter does not operate properly.STEPCHECKYESNO1.CHECK PERFORMING OF BASIC DIAGNOSTIC PROCEDURE.Was the basic diagnostic procedure performed up to STEP 8- Diagnostic Procedure with Dia ...

© 2017-2026 Copyright www.sulegacy.com