Honda Civic manuals

Subaru Legacy BN/BS (2015-2019) Service Manual: Dtc p2101 throttle actuator "a" control motor circuit range/performance

DTC DETECTING CONDITION:

Immediately at fault recognition

TROUBLE SYMPTOM:

Improper idling

Poor driving performance

Engine stalls.

CAUTION:

After servicing or replacing faulty parts, perform Clear Memory Mode Clear Memory Mode > OPERATION, and Inspection Mode Inspection Mode > PROCEDURE.

WIRING DIAGRAM:

Engine Electrical System ENGINE TYPE EZ (WITHOUT PUSH BUTTON START) Engine Electrical System > WIRING DIAGRAM

Engine Electrical System ENGINE TYPE EZ (WITH PUSH BUTTON START) Engine Electrical System > WIRING DIAGRAM

STEPCHECKYESNO

1.CHECK ELECTRONIC THROTTLE CONTROL RELAY.

1) Turn the ignition switch to OFF.

2) Remove the electronic throttle control relay.

3) Connect the battery to terminals No. 13 and No. 14 of electronic throttle control relay.

4) Measure the resistance between electronic throttle control relay terminals.

Terminals

No. 22 — No. 23:

Is the resistance less than 1 --

Diagnostic Procedure with Diagnostic Trouble Code (DTC) > DTC P2101 THROTTLE ACTUATOR "A" CONTROL MOTOR CIRCUIT RANGE/PERFORMANCE

Replace the electronic throttle control relay. Electrical Component Location

2.CHECK POWER SUPPLY OF ELECTRONIC THROTTLE CONTROL RELAY.

Measure the voltage between electronic throttle control relay connector and chassis ground.

Connector & terminal

(B48) No. 22 (+) — Chassis ground (−):

Is the voltage 10 V or more-

Diagnostic Procedure with Diagnostic Trouble Code (DTC) > DTC P2101 THROTTLE ACTUATOR "A" CONTROL MOTOR CIRCUIT RANGE/PERFORMANCE

Repair the open or short to ground in the power supply circuit.

3.CHECK HARNESS BETWEEN ECM AND ELECTRONIC THROTTLE CONTROL RELAY.

1) Disconnect the connector from ECM.

2) Turn the ignition switch to ON.

3) Measure the voltage between electronic throttle control relay connector and chassis ground.

Connector & terminal

(B48) No. 20 (+) — Chassis ground (−):

Is the voltage 10 V or more-

Repair the short circuit to power in the harness between ECM connector and electronic throttle control relay.

Diagnostic Procedure with Diagnostic Trouble Code (DTC) > DTC P2101 THROTTLE ACTUATOR "A" CONTROL MOTOR CIRCUIT RANGE/PERFORMANCE

4.CHECK HARNESS BETWEEN ECM AND ELECTRONIC THROTTLE CONTROL RELAY.

1) Turn the ignition switch to OFF.

2) Measure the resistance between electronic throttle control relay connector and chassis ground.

Connector & terminal

(B48) No. 20 — Chassis ground:

(B48) No. 23 — Chassis ground:

Is the resistance 1 M- or more-

Diagnostic Procedure with Diagnostic Trouble Code (DTC) > DTC P2101 THROTTLE ACTUATOR "A" CONTROL MOTOR CIRCUIT RANGE/PERFORMANCE

Repair the short circuit to ground in harness between ECM connector and electronic throttle control relay.

5.CHECK HARNESS BETWEEN ECM AND ELECTRONIC THROTTLE CONTROL RELAY.

Measure the resistance between ECM connector and electronic throttle control relay connector.

Connector & terminal

(B134) No. 13 — (B48) No. 23:

(B134) No. 65 — (B48) No. 20:

Is the resistance less than 1 --

Diagnostic Procedure with Diagnostic Trouble Code (DTC) > DTC P2101 THROTTLE ACTUATOR "A" CONTROL MOTOR CIRCUIT RANGE/PERFORMANCE

Repair the open circuit in harness between ECM connector and electronic throttle control relay.

6.CHECK HARNESS BETWEEN ECM AND ELECTRONIC THROTTLE CONTROL.

1) Turn the ignition switch to OFF.

2) Disconnect the connectors from electronic throttle control.

3) Measure the resistance between ECM connector and chassis ground.

Connector & terminal

(E158) No. 32 — Chassis ground:

(E158) No. 29 — Chassis ground:

(E158) No. 29 — (B158) No. 19:

(E158) No. 31 — Chassis ground:

Is the resistance 1 M- or more-

Diagnostic Procedure with Diagnostic Trouble Code (DTC) > DTC P2101 THROTTLE ACTUATOR "A" CONTROL MOTOR CIRCUIT RANGE/PERFORMANCE

Repair the ground short circuit of harness between ECM connector and electronic throttle control connector.

7.CHECK SHORT CIRCUIT INSIDE THE ECM.

1) Connect the connector to ECM.

2) Measure the resistance between electronic throttle control connector and engine ground.

Connector & terminal

(E57) No. 6 — Engine ground:

(E57) No. 4 — Engine ground:

Is the resistance 1 M- or more-

Diagnostic Procedure with Diagnostic Trouble Code (DTC) > DTC P2101 THROTTLE ACTUATOR "A" CONTROL MOTOR CIRCUIT RANGE/PERFORMANCE

Repair the ground short circuit of harness between ECM connector and electronic throttle control connector. Replace the ECM if defective. Engine Control Module (ECM)

8.CHECK HARNESS BETWEEN ECM AND ELECTRONIC THROTTLE CONTROL.

1) Disconnect the connector from ECM.

2) Measure the resistance of harness between ECM connector and electronic throttle control connector.

Connector & terminal

(E158) No. 29 — (E57) No. 6:

(E158) No. 31 — (E57) No. 4:

(E158) No. 34 — (E57) No. 3:

Is the resistance less than 1 --

Diagnostic Procedure with Diagnostic Trouble Code (DTC) > DTC P2101 THROTTLE ACTUATOR "A" CONTROL MOTOR CIRCUIT RANGE/PERFORMANCE

Repair the open circuit of harness between ECM connector and electronic throttle control connector.

9.CHECK HARNESS BETWEEN ECM AND ELECTRONIC THROTTLE CONTROL.

1) Connect the connector to ECM.

2) Measure the resistance between electronic throttle control connector and engine ground.

Connector & terminal

(E57) No. 3 — Engine ground:

Is the resistance less than 5 --

Diagnostic Procedure with Diagnostic Trouble Code (DTC) > DTC P2101 THROTTLE ACTUATOR "A" CONTROL MOTOR CIRCUIT RANGE/PERFORMANCE

Repair the harness and connector.

NOTE:

In this case, repair the following item:

Open circuit of harness between ECM connector and engine ground

Poor contact of ECM connector

10.CHECK HARNESS BETWEEN ECM AND ELECTRONIC THROTTLE CONTROL.

1) Turn the ignition switch to ON.

2) Measure the voltage between electronic throttle control connector and engine ground.

Connector & terminal

(E57) No. 6 (+) — Engine ground (−):

(E57) No. 4 (+) — Engine ground (−):

Is the voltage 5 V or more-

Repair the short circuit to power in the harness between ECM connector and electronic throttle control connector.

Diagnostic Procedure with Diagnostic Trouble Code (DTC) > DTC P2101 THROTTLE ACTUATOR "A" CONTROL MOTOR CIRCUIT RANGE/PERFORMANCE

11.CHECK HARNESS BETWEEN ECM AND ELECTRONIC THROTTLE CONTROL.

1) Turn the ignition switch to OFF.

2) Disconnect the connector from ECM.

3) Measure the resistance between ECM connectors.

Connector & terminal

(E158) No. 32 — (E158) No. 29:

(E158) No. 32 — (E158) No. 31:

Is the resistance 1 M- or more-

Diagnostic Procedure with Diagnostic Trouble Code (DTC) > DTC P2101 THROTTLE ACTUATOR "A" CONTROL MOTOR CIRCUIT RANGE/PERFORMANCE

Repair the short circuit to power in the harness between ECM connector and electronic throttle control connector.

12.CHECK SENSOR OUTPUT.

1) Connect all connectors.

2) Start the engine and warm up completely.

3) Stop the engine, and turn the ignition switch to ON. (Engine OFF)

4) Read the value of «Main-Throttle Sensor» using Subaru Select Monitor.

NOTE:

For detailed operation procedures, refer to “Read Current Data For Engine”. Subaru Select Monitor

Is the value of «Main-Throttle Sensor» 0.81 — 0.87 V-

Diagnostic Procedure with Diagnostic Trouble Code (DTC) > DTC P2101 THROTTLE ACTUATOR "A" CONTROL MOTOR CIRCUIT RANGE/PERFORMANCE

Repair the poor contact of electronic throttle control connector. Replace the electronic throttle control if defective. Throttle Body

13.CHECK SENSOR OUTPUT.

Read the value of «Sub-Throttle Sensor» using Subaru Select Monitor.

NOTE:

For detailed operation procedures, refer to “Read Current Data For Engine”. Subaru Select Monitor

Is the value of «Sub-Throttle Sensor» 1.64 — 1.70 V-

Diagnostic Procedure with Diagnostic Trouble Code (DTC) > DTC P2101 THROTTLE ACTUATOR "A" CONTROL MOTOR CIRCUIT RANGE/PERFORMANCE

Repair the poor contact of electronic throttle control connector. Replace the electronic throttle control if defective. Throttle Body

14.CHECK HARNESS BETWEEN ECM AND ELECTRONIC THROTTLE CONTROL MOTOR.

1) Turn the ignition switch to OFF.

2) Disconnect the connectors from ECM and electronic throttle control.

3) Measure the resistance between ECM connector and electronic throttle control connector.

Connector & terminal

(E158) No. 1 — (E57) No. 1:

(E158) No. 14 — (E57) No. 2:

Is the resistance less than 1 --

Diagnostic Procedure with Diagnostic Trouble Code (DTC) > DTC P2101 THROTTLE ACTUATOR "A" CONTROL MOTOR CIRCUIT RANGE/PERFORMANCE

Repair the open circuit of harness between ECM connector and electronic throttle control.

15.CHECK HARNESS BETWEEN ECM AND ELECTRONIC THROTTLE CONTROL MOTOR.

1) Connect the connector to ECM.

2) Turn the ignition switch to ON.

3) Measure the voltage between electronic throttle control connector and engine ground.

Connector & terminal

(E57) No. 2 (+) — Engine ground (−):

(E57) No. 1 (+) — Engine ground (−):

Is the voltage 5 V or more-

Repair the short circuit to power in the harness between ECM connector and electronic throttle control.

Diagnostic Procedure with Diagnostic Trouble Code (DTC) > DTC P2101 THROTTLE ACTUATOR "A" CONTROL MOTOR CIRCUIT RANGE/PERFORMANCE

16.CHECK HARNESS BETWEEN ECM AND ELECTRONIC THROTTLE CONTROL MOTOR.

1) Turn the ignition switch to OFF.

2) Disconnect the connector from ECM.

3) Measure the resistance between electronic throttle control connector and engine ground.

Connector & terminal

(E57) No. 2 — Engine ground:

(E57) No. 1 — Engine ground:

Is the resistance 1 M- or more-

Diagnostic Procedure with Diagnostic Trouble Code (DTC) > DTC P2101 THROTTLE ACTUATOR "A" CONTROL MOTOR CIRCUIT RANGE/PERFORMANCE

Repair the short circuit to ground in harness between ECM connector and electronic throttle control.

17.CHECK ELECTRONIC THROTTLE CONTROL MOTOR HARNESS.

Measure the resistance between electronic throttle control connectors.

Connector & terminal

(E57) No. 2 — (E57) No. 1:

Is the resistance 1 M- or more-

Diagnostic Procedure with Diagnostic Trouble Code (DTC) > DTC P2101 THROTTLE ACTUATOR "A" CONTROL MOTOR CIRCUIT RANGE/PERFORMANCE

Repair the short circuit in harness between ECM connector and electronic throttle control.

18.CHECK ELECTRONIC THROTTLE CONTROL GROUND CIRCUIT.

Measure the resistance between ECM connector and chassis ground.

Connector & terminal

(E158) No. 60 — Chassis ground:

(E158) No. 61 — Chassis ground:

(E158) No. 62 — Chassis ground:

(E158) No. 63 — Chassis ground:

(E158) No. 64 — Chassis ground:

(E158) No. 65 — Chassis ground:

Is the resistance less than 5 --

Diagnostic Procedure with Diagnostic Trouble Code (DTC) > DTC P2101 THROTTLE ACTUATOR "A" CONTROL MOTOR CIRCUIT RANGE/PERFORMANCE

Repair the open circuit in harness between ECM connector and engine ground.

19.CHECK ELECTRONIC THROTTLE CONTROL.

Measure the resistance between electronic throttle control terminals.

Terminals

No. 2 — No. 1:

Is the resistance 50 - or less-

Diagnostic Procedure with Diagnostic Trouble Code (DTC) > DTC P2101 THROTTLE ACTUATOR "A" CONTROL MOTOR CIRCUIT RANGE/PERFORMANCE

Replace the electronic throttle control. Throttle Body

20.CHECK ELECTRONIC THROTTLE CONTROL.

Move the throttle valve to the fully opened and fully closed positions with fingers.

Check that the valve returns to the specified position when releasing fingers.

Does the valve return to the specified position- Standard value: 3 mm (0.12 in) from fully closed position

Repair the poor contact of ECM connector.

Replace the electronic throttle control. Throttle Body

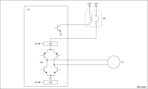
1. OUTLINE OF DIAGNOSIS

Judge as NG when the motor current becomes large or drive circuit is heated.

2. COMPONENT DESCRIPTION

(1)

Engine control module (ECM)

(4)

Drive circuit

(6)

Electronic throttle control relay

(2)

Detecting circuit

(5)

Temperature detection circuit

(7)

Motor

(3)

Overcurrent detection circuit

3. EXECUTION CONDITION

Secondary Parameters

Execution condition

Battery voltage

≥ 6.2 V

Electronic throttle control relay output

ON

4. GENERAL DRIVING CYCLE

Always perform the diagnosis continuously.

5. DIAGNOSTIC METHOD

If the duration of time while the following conditions are met is longer than the time indicated, judge as NG.

Judgment Value

Malfunction Criteria

Threshold Value

Overcurrent signal from the electronic throttle control drive IC

ON

Time Needed for Diagnosis: 512 ms

Malfunction Indicator Light Illumination: Illuminates as soon as a malfunction occurs.

Dtc p2102 throttle actuator "a" control motor circuit low
DTC DETECTING CONDITION:Immediately at fault recognitionTROUBLE SYMPTOM:• Improper idling• Poor driving performance• Engine stalls.CAUTION:After servicing or replacing faulty parts, ...

Dtc p2097 post catalyst fuel trim system too rich bank 1
DTC DETECTING CONDITION:Detected when two consecutive driving cycles with fault occur.CAUTION:After servicing or replacing faulty parts, perform Clear Memory Mode Clear Memory Mode > OPERATION, and I ...

Other materials:

Dtc p0107 manifold absolute pressure/barometric pressure sensor circuit low
DTC DETECTING CONDITION:Immediately at fault recognitionCAUTION:After servicing or replacing faulty parts, perform Clear Memory Mode Clear Memory Mode > OPERATION, and Inspection Mode Inspection Mode > PROCEDURE.WIRING DIAGRAM:• Engine Electrical System ENGINE TYPE FB (WITHOUT PUSH BUTTON ST ...

© 2017-2026 Copyright www.sulegacy.com