Honda Civic manuals

Subaru Legacy BN/BS (2015-2019) Service Manual: Dtc p2530 ignition switch run position circuit

DTC DETECTING CONDITION:

Immediately at fault recognition

TROUBLE SYMPTOM:

Improper idling

CAUTION:

After servicing or replacing faulty parts, perform Clear Memory Mode Clear Memory Mode > OPERATION, and Inspection Mode Inspection Mode > PROCEDURE.

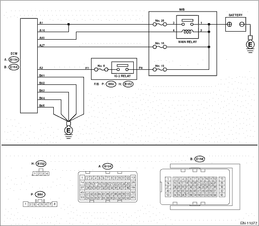
WIRING DIAGRAM:

Engine Electrical System ENGINE TYPE FB (WITHOUT PUSH BUTTON START) Engine Electrical System > WIRING DIAGRAM

Engine Electrical System ENGINE TYPE FB (WITH PUSH BUTTON START) Engine Electrical System > WIRING DIAGRAM

STEPCHECKYESNO

1.CHECK ECM CONNECTOR.

Check the connecting condition of ECM connector.

Is the ECM connector correctly connected-

Diagnostic Procedure with Diagnostic Trouble Code (DTC) > DTC P2530 IGNITION SWITCH RUN POSITION CIRCUIT

Connect the ECM connector correctly.

2.CHECK INPUT VOLTAGE OF ECM.

1) Turn the ignition switch to ON.

2) Connect the check board.

ST 18460AA050CHECK BOARD

3) Measure the voltage between ECM connector and engine ground while wiggling the harness between ECM connector and F/B connector.

Connector & terminal

(B134) No. 27 (+) — Engine ground (−):

Is the voltage 8 V or more all the time-

Even if DTC is detected, the circuit has returned to a normal condition at this time. Reproduce the failure, and then perform the diagnosis again.

NOTE:

In this case, the following items may be the cause of fault.

Open circuit or short circuit to ground in harness between ECM connector and F/B connector

Poor contact of fuse (F/B No. 5)

Poor contact of IG2 relay connector

Poor contact of IG2 relay

Repair the harness and connector.

NOTE:

In this case, repair the following item:

Open circuit or short circuit to ground in harness between ECM connector and F/B connector

Poor contact of fuse (F/B No. 5)

Poor contact of IG2 relay connector

Poor contact of IG2 relay

1. OUTLINE OF DIAGNOSIS

Detect instantaneous open in ignition switch input circuit to ECM.

Judge as NG if out of specification.

2. COMPONENT DESCRIPTION

ECM monitors the voltage of the ignition switch input circuit. Judge as ignition switch ON when the voltage is the specified value or more.

3. EXECUTION CONDITION

Secondary Parameters

Execution condition

Battery voltage

≥ 10.9 V

Engine speed

≥ 525 rpm

4. GENERAL DRIVING CYCLE

Perform the diagnosis continuously after the enable conditions have been established.

5. DIAGNOSTIC METHOD

Judge as NG when the following conditions are established within the predetermined time.

Judgment Value

Malfunction Criteria

Threshold Value

Number of instantaneous opens in ignition switch input circuit

≥ 5 time(s)

Time Needed for Diagnosis: 5000 ms

Malfunction Indicator Light Illumination: Illuminates as soon as a malfunction occurs.

Dtc p2610 ecm/pcm engine off timer performance
DTC DETECTING CONDITION:Detected when two consecutive driving cycles with fault occur.CAUTION:After servicing or replacing faulty parts, perform Clear Memory Mode Clear Memory Mode > OPERATION, and I ...

Dtc p2420 evap system switching valve control circuit high
DTC DETECTING CONDITION:Immediately at fault recognitionCAUTION:After servicing or replacing faulty parts, perform Clear Memory Mode Clear Memory Mode > OPERATION, and Inspection Mode Inspection Mod ...

Other materials:

Dtc p0751 shift solenoid "a" performance/stuck off
DTC DETECTING CONDITION:Detected when two consecutive driving cycles with fault occur.TROUBLE SYMPTOM:• Shift control malfunction• Engine speed increases abruptly.1. ENGINE TYPE FBWIRING DIAGRAM:CVT control system CVT Control System > WIRING DIAGRAMSTEPCHECKYESNO1.CHECK DTC.Read the DTC ...

© 2017-2025 Copyright www.sulegacy.com