Honda Civic manuals

Subaru Legacy BN/BS (2015-2019) Service Manual: Inspection

1. LATCH

Pull the emergency lever to check that the latch operates properly.

If latch deformation, abnormal wear, or unsmooth lock operation is observed, replace the power rear gate auto closer.

2. ACTUATOR

Preparation tool:

Circuit tester

1. Check motor operation

(1) Check the motor operation when battery voltage is applied between the terminals of motor.

Terminal No.

Inspection conditions

Specification

Connection diagram

1 (+) — 2 (−)

Connect battery to the terminals

CLOSE rotation

2 (+) — 1 (−)

OPEN rotation

(2) After the motor operation check is completed, perform initialization of the sector switch in the following procedures.

1. Operate the motor in the OPEN direction for approximately 2 seconds.

2. Connect the connector of power rear gate auto closer.

3. Connect the ground terminal to the battery sensor with the rear gate fully open.

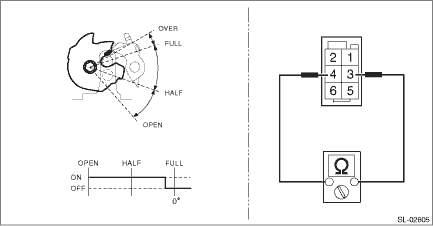
2. Check switch

(1) Check the resistance between switch terminals.

Latch switch

Terminal No.

Inspection conditions

Standard

5 — 4

OPEN

Less than 1 -

HALF

10 k- or more

FULL

10 k- or more

OVER

Less than 1 -

Courtesy switch

Terminal No.

Inspection conditions

Standard

3 — 4

OPEN

Less than 1 -

HALF

Less than 1 -

FULL

10 k- or more

Sector switch

CAUTION:

Perform the check while operating the motor in the OPEN direction with the battery voltage applied between the terminals of motor. For detailed procedures, refer to 1) Check motor operation.

Terminal No.

Inspection conditions

Standard

4 — 6

Switch ON (NORMAL)

Less than 1 -

Switch OFF (OPEN)

10 k- or more

(2) After the switch check is completed, perform initialization of the sector switch in the following procedures.

1. Operate the motor in the OPEN direction for approximately 2 seconds.

2. Connect the connector of power rear gate auto closer.

3. Connect the ground terminal to the battery sensor with the rear gate fully open.

3. Replace the power rear gate auto closer if it is found defective.

Removal
1. Disconnect the ground terminal from battery sensor. NOTE2. Remove the trim panel - rear gate. Rear Gate Trim > REMOVAL3. Remove the power rear gate auto closer.(1) Disconnect the connector.(2) Re ...

Installation
1. Install the power rear gate auto closer.Tightening torque:25 N·m (2.5 kgf-m, 18.4 ft-lb)2. Install the trim panel - rear gate.3. Connect the ground terminal to battery sensor. NOTE ...

Other materials:

Dtc p060a internal control module monitoring processor performance
NOTE:For the diagnostic procedure, refer to DTC P0606. Diagnostic Procedure with Diagnostic Trouble Code (DTC) > DTC P0606 CONTROL MODULE PROCESSOR1. OUTLINE OF DIAGNOSISJudge as NG when the monitoring IC operation is abnormal.(1) Monitoring IC Disable (motor continuity cut demand) diagnosis(2) Mon ...

© 2017-2025 Copyright www.sulegacy.com