Honda Civic manuals

Subaru Legacy BN/BS (2015-2019) Service Manual: Inspection

1. CHECK WITH SUBARU SELECT MONITOR

1. Connect the Subaru Select Monitor to data link connector.

NOTE:

For detailed operation procedures, refer to “Application help”.

(1) On «Start» display, select «Diagnosis».

(2) On «Vehicle selection» display, input the target vehicle information and select «Confirmed».

(3) On «Main Menu» display, select «Each System».

(4) On «Select System» display, select «Brake Control System» and select «Enter».

(5) On «Select Function» display, select «Data Monitor».

(6) From «Data monitor», select «FR Wheel Speed» and «FL Wheel Speed».

2. Check if the speed indicated on the display changes in the same manner as the speedometer reading during acceleration/deceleration when the steering wheel is in the straight-ahead position.

3. If the speed indicated on the display does not change in the inspection, check the ABS wheel speed sensor. Front ABS Wheel Speed Sensor > INSPECTION

2. CHECK ABS WHEEL SPEED SENSOR UNIT

1. Visually check the tip of the ABS wheel speed sensor for foreign particles or damage. If necessary, clean the tip or replace the ABS wheel speed sensor.

2. Disconnect the ABS wheel speed sensor connector.

3. Check the ABS wheel speed sensor cable for discontinuity. If defective, replace the ABS wheel speed sensor.

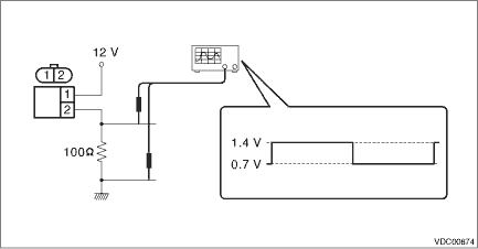
4. Connect a 12 V power supply to No. 1 terminal of ABS wheel speed sensor connector, then attach resistance to the No. 2 terminal. Rotate the wheel at about 2.75 km/h (2 MPH), and measure the voltage using an oscilloscope.

Standard value of output voltage:

0.7 — 1.4 V

5. Replace the ABS wheel speed sensor if the inspection result is not within the standard value.

Removal
1. Disconnect the ground terminal from battery sensor. NOTE2. Lift up the vehicle, and then remove the front wheels.3. Remove the front ABS wheel speed sensor.CAUTION:• Be careful not to damage ...

Installation
CAUTION:• Be careful not to damage the sensor.• Do not apply excessive force to the sensor harness.1. Install the front ABS wheel speed sensor.Tightening torque:Front ABS wheel speed senso ...

Other materials:

Dtc p0966 pressure control solenoid "b" control circuit low
DTC DETECTING CONDITION:Immediately at fault recognitionTROUBLE SYMPTOM:Excessive shift shock1. ENGINE TYPE FBWIRING DIAGRAM:CVT control system CVT Control System > WIRING DIAGRAMSTEPCHECKYESNO1.CHECK INPUT SIGNAL FOR TCM.1) After driving with warm up condition, park the vehicle while depressing th ...

© 2017-2025 Copyright www.sulegacy.com