Honda Civic manuals

Subaru Legacy BN/BS (2015-2019) Service Manual: Installation

1. After setting the cylinder block to ST, install the crankshaft bearing.

ST 18232AA000ENGINE STAND

NOTE:

Apply a coat of engine oil to the bearing and crankshaft journal.

2. Mount the crankshaft in cylinder block (LH).

3. Apply liquid gasket to the mating surfaces of cylinder block (RH).

CAUTION:

Do not allow liquid gasket to run over into oil passages, bearing grooves, etc.

NOTE:

Install within 5 min. after applying liquid gasket.

Liquid gasket:

THREE BOND 1217G (Part No. K0877Y0100), THREE BOND 1217H or equivalent

Liquid gasket applying diameter:

1.0±0.2 mm (0.039±0.008 in)

4. Attach cylinder block (RH) to cylinder block (LH).

5. Apply a coat of engine oil to the washer and bolt thread.

6. Tighten all bolts in the numerical order as shown in the figure.

Tightening torque:

12 N·m (1.2 kgf-m, 8.9 ft-lb)

7. Retighten all bolts in the numerical order as shown in the figure.

Tightening torque:

18 N·m (1.8 kgf-m, 13.3 ft-lb)

8. Tighten all bolts by 90° in numerical order as shown in the figure.

9. Install the upper bolt to cylinder block.

Tightening torque:

25 N·m (2.5 kgf-m, 18.4 ft-lb)

NOTE:

Remove any liquid gasket squeezed out onto the seal surface between the chain cover and oil pan upper, after tightening the cylinder block connecting bolts.

10. Apply a coat of engine oil to the oil seal inner periphery and outer periphery, and install the rear oil seal using ST1 and ST2.

NOTE:

Use a new rear oil seal.

ST1 499597100CRANKSHAFT OIL SEAL GUIDE
ST2 499587200CRANKSHAFT OIL SEAL INSTALLER

(A)

Rear oil seal

(B)

Drive plate installation bolt

11. Face the front of the engine up, standing the engine on one end.

12. Attach the piston ring and oil ring to the piston.

(1) Position the top ring gap at (A) in the figure.

(2) Position the second ring gap at (B).

(3) Position the upper rail gap at (C) in the figure.

(4) Position the expander gap at (D) in the figure.

(5) Position the lower rail gap at (E) in the figure.

CAUTION:

Make sure ring gaps do not face the same direction.

Make sure ring gaps are not within the piston skirt area.

Assemble so that the stamp mark N faces towards the top of the piston.

13. Install the #1 piston and connecting rod to the cylinder block.

(1) Apply engine oil to the outer circumference of the piston and in the cylinder block.

(2) Face the front mark of piston (A) towards the front of the engine, and set the piston to the ST.

(3) Using ST, press-fit the piston into cylinder block.

NOTE:

When inserting the piston into the cylinder block, perform according to the items listed below.

Insert while lightly tapping the top of the piston with the handle of a plastic hammer.

Insert while making sure that the large end of the connecting rod does not scratch the cylinder liner.

Insert while continually making sure that the large end of the connecting rod does not touch the crankshaft.

ST 398744300PISTON GUIDE

(A)

#1 connecting rod

(B)

Crank pin

(4) Using the ST, turn the crankshaft and match the positions of the crank pin and the large end of the connecting rod.

ST 18252AA000CRANKSHAFT SOCKET

(5) Install the connecting rod cap.

1. Tighten the #1 connecting rod cap bolts to 10 N·m (1.0 kgf-m, 7.4 ft-lb) in numerical order as shown in the figure, then retighten the bolts to 29 N·m (3.0 kgf-m, 21.4 ft-lb) in numerical order as shown in the figure.

2. Using an angle gauge, tighten the connecting rod cap bolts to the specified angle in numerical order as shown in the figure.

Tightening angle:

90° — 95°

(a)

Exhaust side

(b)

Intake side

14. In the same procedures as for the #1 piston, install the piston and connecting rods to the cylinder block, in the order of #2, #3, #4, #5 and #6.

15. Install the O-ring to the underside of the cylinder block.

NOTE:

Use new O-rings.

16. Apply liquid gasket to the mating surface of oil pan upper.

NOTE:

Install within 5 min. after applying liquid gasket.

Liquid gasket:

THREE BOND 1217G (Part No. K0877Y0100), THREE BOND 1217H or equivalent

Liquid gasket applying diameter:

5.0±1.0 mm (0.20±0.04 in)

17. Temporarily tighten the oil pan upper.

18. Tighten the oil pan upper installing bolts in the numerical order as shown in the figure.

Tightening torque:

18 N·m (1.8 kgf-m, 13.3 ft-lb)

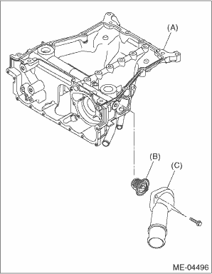
19. Install the thermostat and thermostat cover.

Tightening torque:

6.4 N·m (0.7 kgf-m, 4.7 ft-lb)

(A)

Oil pan upper

(B)

Thermostat

(C)

Thermostat cover

20. Install the oil level switch. Oil Level Switch > INSTALLATION

21. Install the oil pump. Oil Pump > INSTALLATION

22. Tighten the oil cooler connector to install the oil cooler to the oil pan upper.

Tightening torque:

54 N·m (5.5 kgf-m, 39.8 ft-lb)

NOTE:

Use new O-rings.

(A)

Oil cooler connector

(B)

Oil cooler

(C)

O-ring

(D)

Oil pan upper

23. Apply liquid gasket to the matching surface of oil pan lower.

NOTE:

Install within 5 min. after applying liquid gasket.

Liquid gasket:

THREE BOND 1217G (Part No. K0877Y0100), THREE BOND 1217H or equivalent

Liquid gasket applying diameter:

5.0±1.0 mm (0.20±0.04 in)

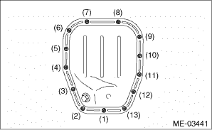
24. Tighten the oil pan lower installing bolts in the numerical order as shown in the figure.

Tightening torque:

6.4 N·m (0.7 kgf-m, 4.7 ft-lb)

25. Install the crankshaft position sensor plate.

26. Install the crankshaft position sensor.

Tightening torque:

6.4 N·m (0.7 kgf-m, 4.7 ft-lb)

27. Install the drive plate. Drive Plate > INSTALLATION

28. Install the cylinder head. Cylinder Head > INSTALLATION

29. Install the camshaft. Camshaft > INSTALLATION

30. Install the crank sprocket. Crank Sprocket > INSTALLATION

31. Install the cam sprocket. Cam Sprocket > INSTALLATION

32. Install the timing chain assembly. Timing Chain Assembly > INSTALLATION

33. Install the chain cover. Chain Cover > INSTALLATION

34. Install the crank pulley. Crank Pulley > INSTALLATION

35. Install the engine to the vehicle. Engine Assembly > INSTALLATION

Assembly
(1)Connecting rod(2)Connecting rod bearing(3)Piston(4)Piston pin(5)Circlip(6)Oil ring(7)Second ring(8)Top ring1. Apply engine oil to the surface of the connecting rod bearing. Attach the connecting ro ...

Inspection
1. CYLINDER BLOCK1. Visually check for cracks or damage. Use liquid penetrant tester on the important sections for checking. Check that there are no marks of gas leaking or water leaking on gasket ins ...

Other materials:

Dtc u0417 invalid data received from park brake control module
DTC DETECTING CONDITION:Data from VDCCM is faulty.TROUBLE SYMPTOM:ABS warning light and VDC warning light illuminate.STEPCHECKYESNO1.CHECK PERFORMING OF BASIC DIAGNOSTIC PROCEDURE.Was the basic diagnostic procedure performed up to STEP 8- Diagnostic Procedure with Diagnostic Trouble Code (DTC) > DTC ...

© 2017-2025 Copyright www.sulegacy.com