Honda Civic manuals

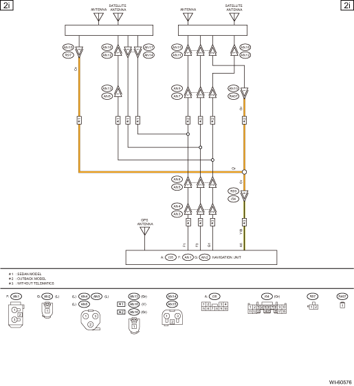
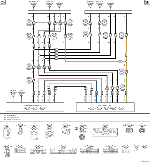
Subaru Legacy BN/BS (2015-2019) Service Manual: Navigation system wiring diagram

1. WITHOUT AUDIO AMPLIFIER

2. WITH AUDIO AMPLIFIER

Keyless entry system wiring diagram
...

Occupant detection system wiring diagram
...

Other materials:

Dtc b16b2 short in side satellite sensor bus rh (to ground)
DIAGNOSIS START CONDITION:Ignition voltage is 10 V to 16 V.DTC DETECTING CONDITION:Shorted between side sensor RH circuit and GND circuitWIRING DIAGRAM:NOTE:For the coupling connector, refer to “WIRING SYSTEM”.Airbag system Airbag System > WIRING DIAGRAMSTEPCHECKYESNO1.CHECK POOR CONTAC ...

© 2017-2026 Copyright www.sulegacy.com